Hello,
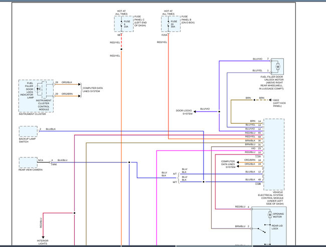
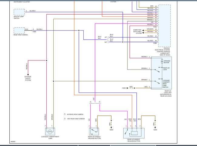
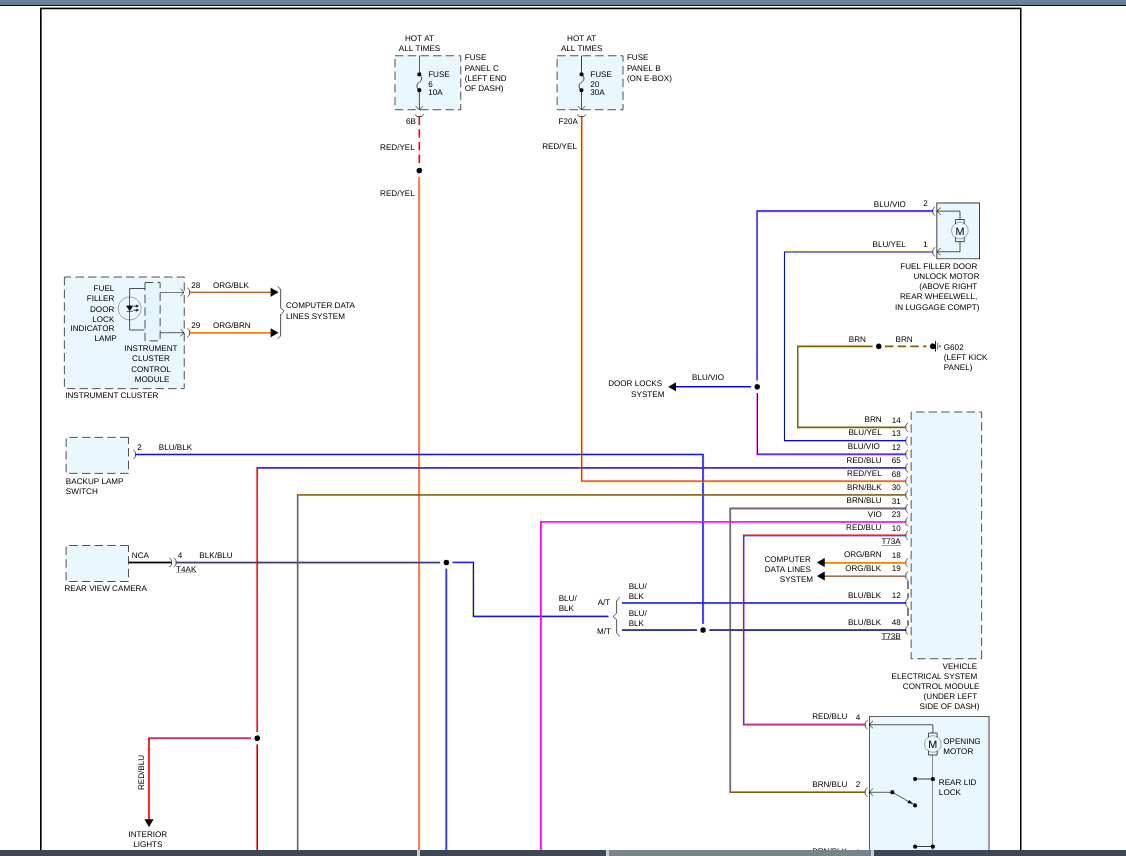
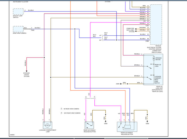
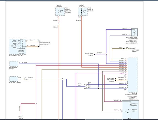
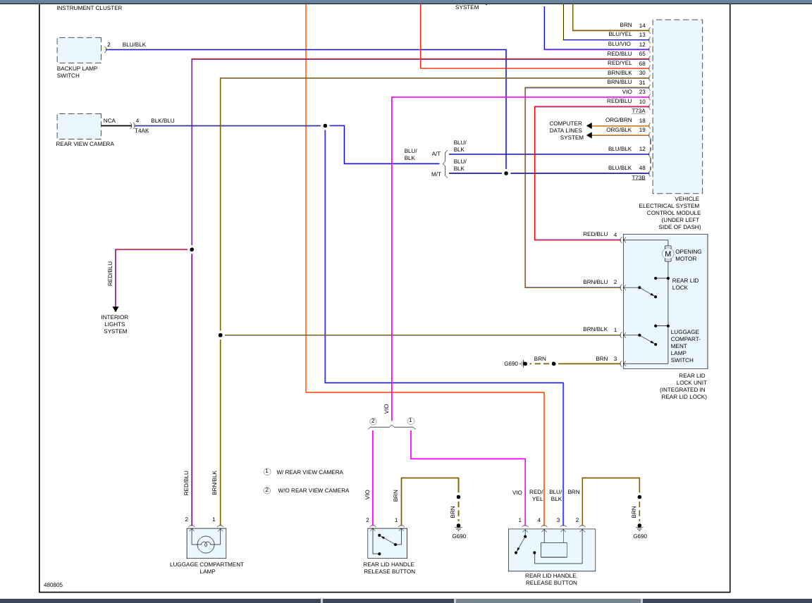
There could be a couple of different things going on here. Either your vehicle's electrical system control module has failed or you have an open or unwanted resistance somewhere in the wires in the trunk light circuit. In the diagrams down below I have included the wiring diagram for the trunk light circuit and guides on how to find an open and unwanted resistance in an automotive electrical circuit using voltage drop for you. You will need to use a Digital Multi-meter [DMM] to use these guides and here is a link below explaining how to use one:
https://www.2carpros.com/articles/how-to-use-a-voltmeter
Please go through these guides and report back with what you find out.
Thanks,
ALex
2CarPros
Images (Click to enlarge)
Dec 24, 2019 at 2:43 AM