Trunk latch, remote activated latch with trunk open when close will not open trunk?

2003 BUICK CENTURY
136 MILES • 3.1L • 6 CYL • 2WD • AUTOMATIC
Avatar
GREGORYMITTS
  • MEMBER
  • 1 POST
I've changed actuator, checked relay behind glove box, remote activated latch with trunk open when close will not open trunk, glove box button will not open trunk either, key will open. what do you guys think?
Aug 9, 2023 at 12:23 PM
Advertisement
Avatar
JACOBANDNICKOLAS
  • CERTIFIED EXPERT
  • 110,175 POSTS
Hi,

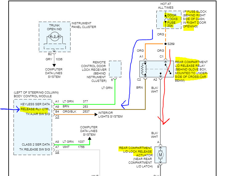
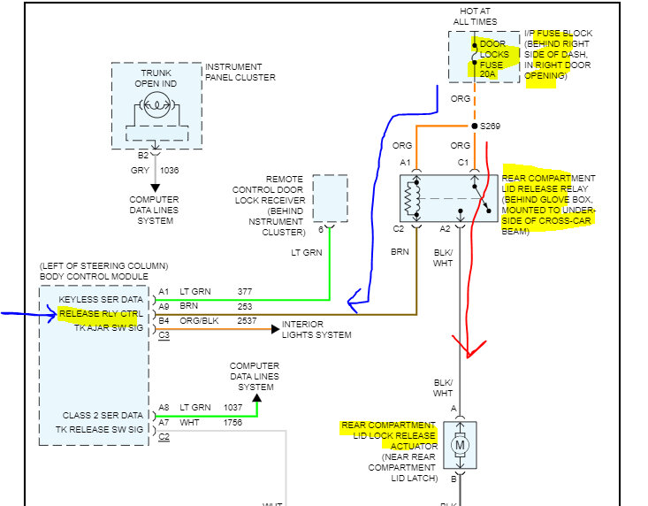
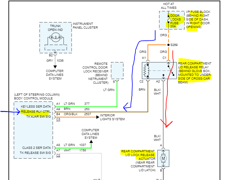
I suspect we either have a faulty ground after the actuator or the BCM isn't providing a ground path for the primary side of the relay to actuate it. It is important to confirm the fuse in the instrument panel fuse box is good and has power to and from it.

I attached the wiring schematic below for you to see. The blue arrow shows power from the fuse to the relay primary. For that circuit to be complete, the body control module (BCM) needs to provide a ground path. Once that happens, the primary is energized and via an electromagnet in the relay, the secondary side is closed, and power goes from the fuse to the actuator.

Now, here is what I need you to do. Remove the relay and identify on the relay itself, the pin orientation. Each of the four pins will have a number. The primary will be 85 and 86. The secondary side will be 87 and 30. Take note to where pins 30 and 87 connect in the box. Take a short jumper wire and jump those two connector pins in the box. That should send power directly to the trunk release actuator and open the trunk. If it works, we know the actuator and actuator ground are both good. Note: Only jump it for a second to see if the actuator reacts.

Here is a link you may find helpful:

https://www.2carpros.com/articles/how-to-check-an-electrical-relay-and-wiring-control-circuit

If that works, then check pins 85 and 86. One of those will have power at all times. Confirm that. Once you find the one with power, the other should be the ground to the BCM. Take your test light and connect the alligator clip to the battery positive. Probe the connector pin to the connector pin determined to be the BCM ground. Have a helper press the trunk release. When the button is pressed, your test light should turn on.

Try this and let me know the results.

Please note that if the tests all prove good, the relay should be replaced.

Take care,

Joe

See pics below.
Aug 10, 2023 at 1:02 PM
Avatar
STRAILER
  • CERTIFIED EXPERT
  • 53,854 POSTS
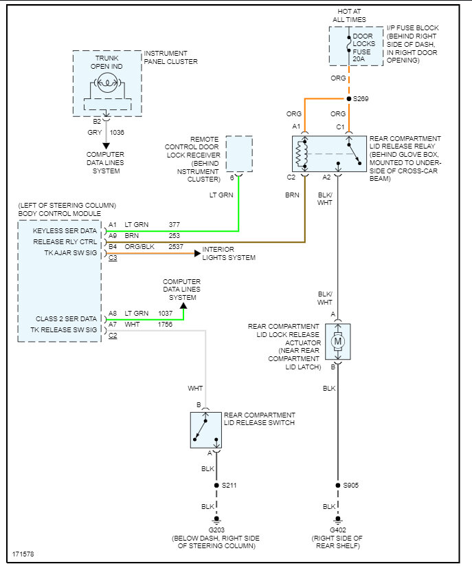
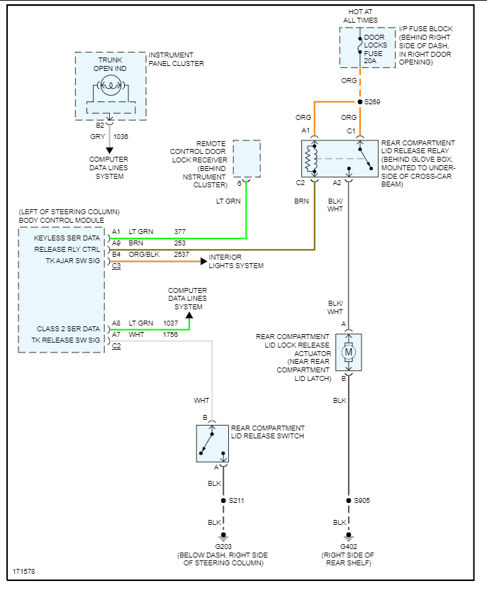
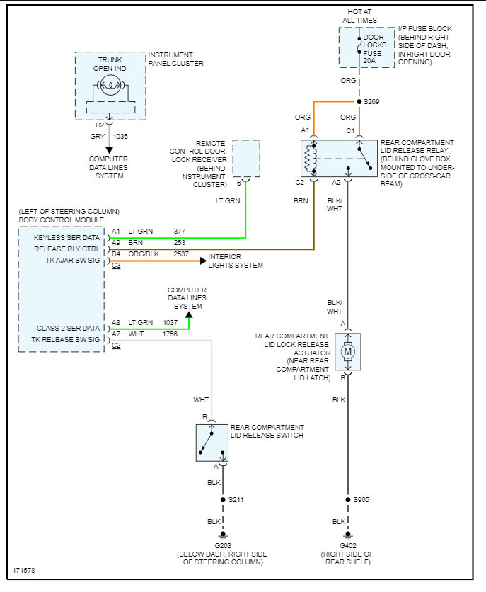
Can you hear the trunk latch actuator working? If so then lube/adjust the latch so the trunk will open when the latch is activated, if you can't hear the latch operated here is the latch wiring diagrams so you can check for power and see where you are losing it.

https://www.2carpros.com/articles/how-to-use-a-test-light-circuit-tester

and

https://www.2carpros.com/articles/how-to-fix-a-car-trunk-open-button-that-doesnt-work-a

Check the fuse for power and see where you are losing it to find the problem. Check out the images (below). Please let us know how it goes.
Aug 10, 2023 at 3:04 PM
Advertisement