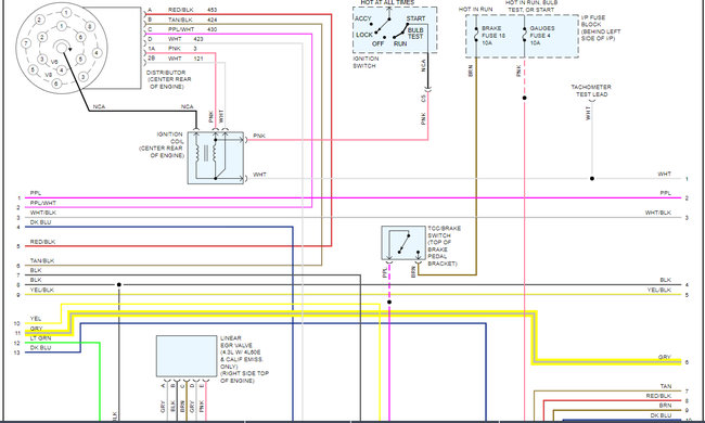
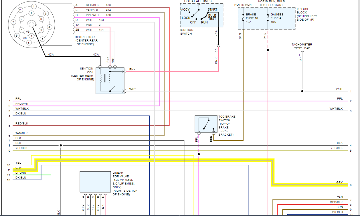
Truck is turning over, wants to start, no fuel coming from injectors and no spark at plugs. Changed distributor cap and rotor along with coil pack. No change. Fuel does come through filter under drivers door side, not sure on PSI.
Had a hard freeze since the last time it was started only thing I can think of that is different since last start.
Last time I started it, 1-2 months ago, there was a backfire in the engine compartment but kept running. Has exhaust leak and a bit of white smoke when first started.
Truck has been sitting up for several years but always starts. Sometimes has needed a jump or new battery.
Sitting up due to transmission problem.
Had a hard freeze since the last time it was started only thing I can think of that is different since last start.
Last time I started it, 1-2 months ago, there was a backfire in the engine compartment but kept running. Has exhaust leak and a bit of white smoke when first started.
Truck has been sitting up for several years but always starts. Sometimes has needed a jump or new battery.
Sitting up due to transmission problem.
Mar 15, 2021 at 7:30 PM








