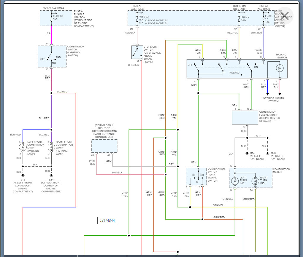
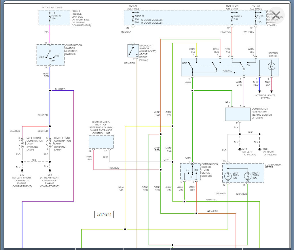
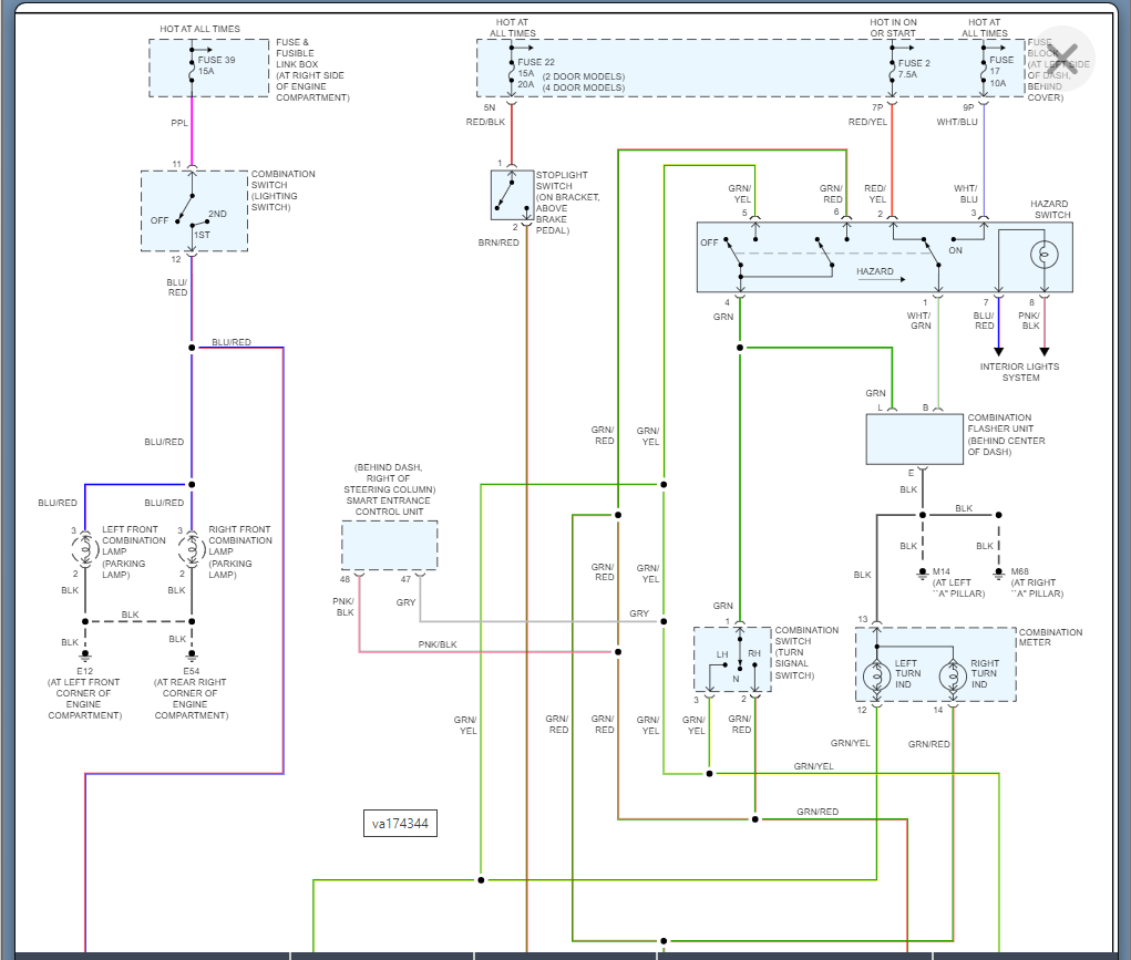
My vehicle listed above is still dinging and the side parking lights (Front and Back) won't turn off even after i turn the truck off and remove the keys? Last night i had to unhook the negative cable just so the battery would not drain. Why is this?
Jan 19, 2022 at 10:59 AM

