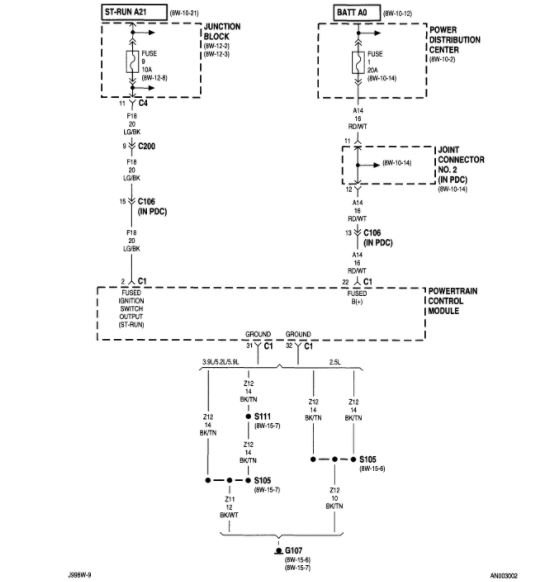
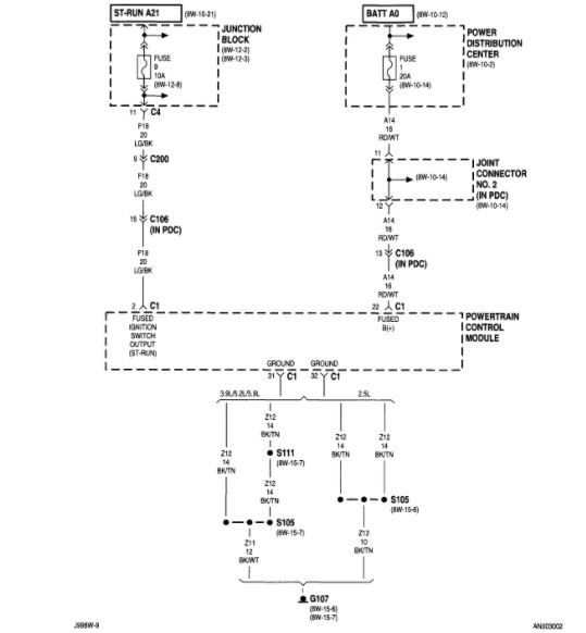
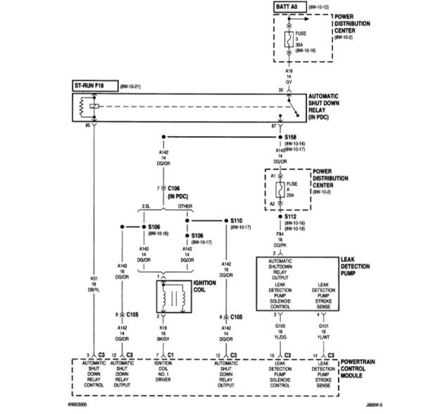
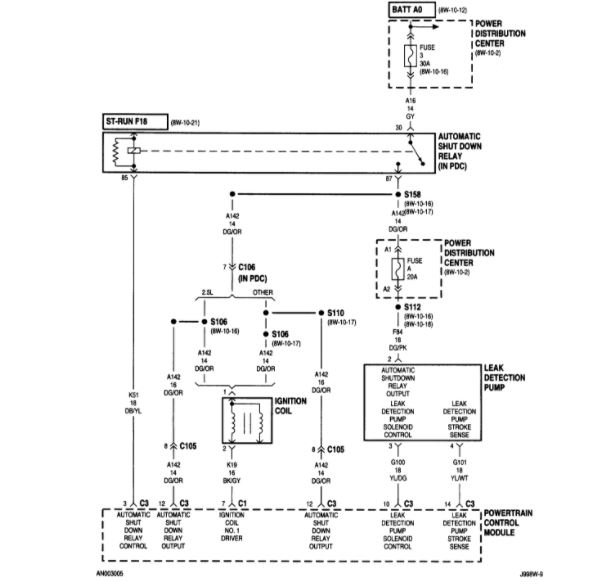
The truck is in limp mode for some reason and turns but will not fire. I replaced fuel pump,the pickup coil and the ignition coil. None of these things have worked and relays are all good.
Feb 17, 2018 at 7:24 AM

