truck shut off while driving

1998 CHEVROLET S-10
186,000 MILES • 2.2L • 4 CYL • MANUAL
Avatar
JOHNSONAPE
  • MEMBER
  • 22 POSTS
truck was running fine then turned a hard left to go up a hill and just shut off. Tried to restart and it tried to idle very poorly. Engine was shaking everything. then it was not even trying to fire. I don't believe it is a fuel problem as I have recently changed the fuel pump, filter, and pressure regulator. I recently contacted you guys about that fuel problem and after finding that my snap ring that holds the fuel pump had rusted out completely I got that resolved. ultimately it was actually a wire that was grounding out against the oil fill tube and cutting power off to the fuel pump. I don't believe it is the timing belt because I know what that sounds like from past experience. could a crankshaft or camshaft sensor just randomly quit working? I did let the clutch out fast shifting into 2nd gear because of the people tailgating me. any thoughts appreciated.
Jul 19, 2020 at 4:45 PM
Advertisement
Avatar
JACOBANDNICKOLAS
  • CERTIFIED EXPERT
  • 110,175 POSTS
Hi,

A bad crankshaft position sensor will cause you to lose spark, so the engine won't run. Take a look through this link. It describes common symptoms of a bad crankshaft position sensor.

https://www.2carpros.com/articles/symptoms-of-a-bad-crankshaft-sensor

Also, here is a link that explains the most common causes of a crank no start condition. Take a look through this as well.

https://www.2carpros.com/articles/car-cranks-but-wont-start

Let me know what you find. Also, if you feel comfortable doing it, see if it starts for a couple seconds using starting fluid. If it starts and then stalls, we'll know it's fuel related. If it does nothing different (doesn't try to start at all), then it is likely ignition related.

Let me know what you find.

Joe
Jul 19, 2020 at 7:17 PM
Avatar
JOHNSONAPE
  • MEMBER
  • 22 POSTS
Hi Joe,

Okay, so I am not hearing the fuel pump when I key the ignition. I had a similar problem a few months back. Thinking it was the fuel pump I replaced it, the fuel filter and also the pressure regulator and fuel pump relay. I still had the same problem and replaced the control module. Eventually I found a wire was grounding out on the bracket for the oil fill tube and it has been running great since. I replaced the orifice tube and accumulator Sunday and recharged my A/C. drove to my fathers house and back about 35 miles and when I turned left to go up the hill to my house it suddenly just shut off and had to have it pulled to the house. It will run for a few seconds with starting fluid so I know it's fuel related but thinking electrical. Where should I start? I took out the bolt on the left rear frame and cleaned everything for the ground there when I first had this problem a few months ago.
Jul 20, 2020 at 5:15 PM
Advertisement
Avatar
JACOBANDNICKOLAS
  • CERTIFIED EXPERT
  • 110,175 POSTS
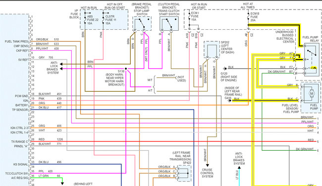
Okay, lets start at the beginning. First, confirm there is power at ECM B fuse which is hot at all times and sends power to the relay at all times. If the fuse is good and has power, confirm power to the relay. See the attached pic.

Now, if you look at the pic, you see a gray wire that feeds power to the pump and injectors. I need you to jump the power wire to the relay with the gray wire to the pump. Do this and see if the pump turns on.



Let me know.

Joe
Jul 20, 2020 at 6:32 PM
Avatar
JOHNSONAPE
  • MEMBER
  • 22 POSTS
Okay, had power at ECM B and relay jumped it and no fuel pump. If I was just checking the ECM fuse and fuel pump relay I had already swapped out other relays to no avail. Next?
Jul 21, 2020 at 4:33 PM
Avatar
JACOBANDNICKOLAS
  • CERTIFIED EXPERT
  • 110,175 POSTS
Hi,

By jumping that, you sent power direct to the fuel pump. If it didn't turn on, either the wire between the relay and pump is broken, the pump is bad, or there is no ground.

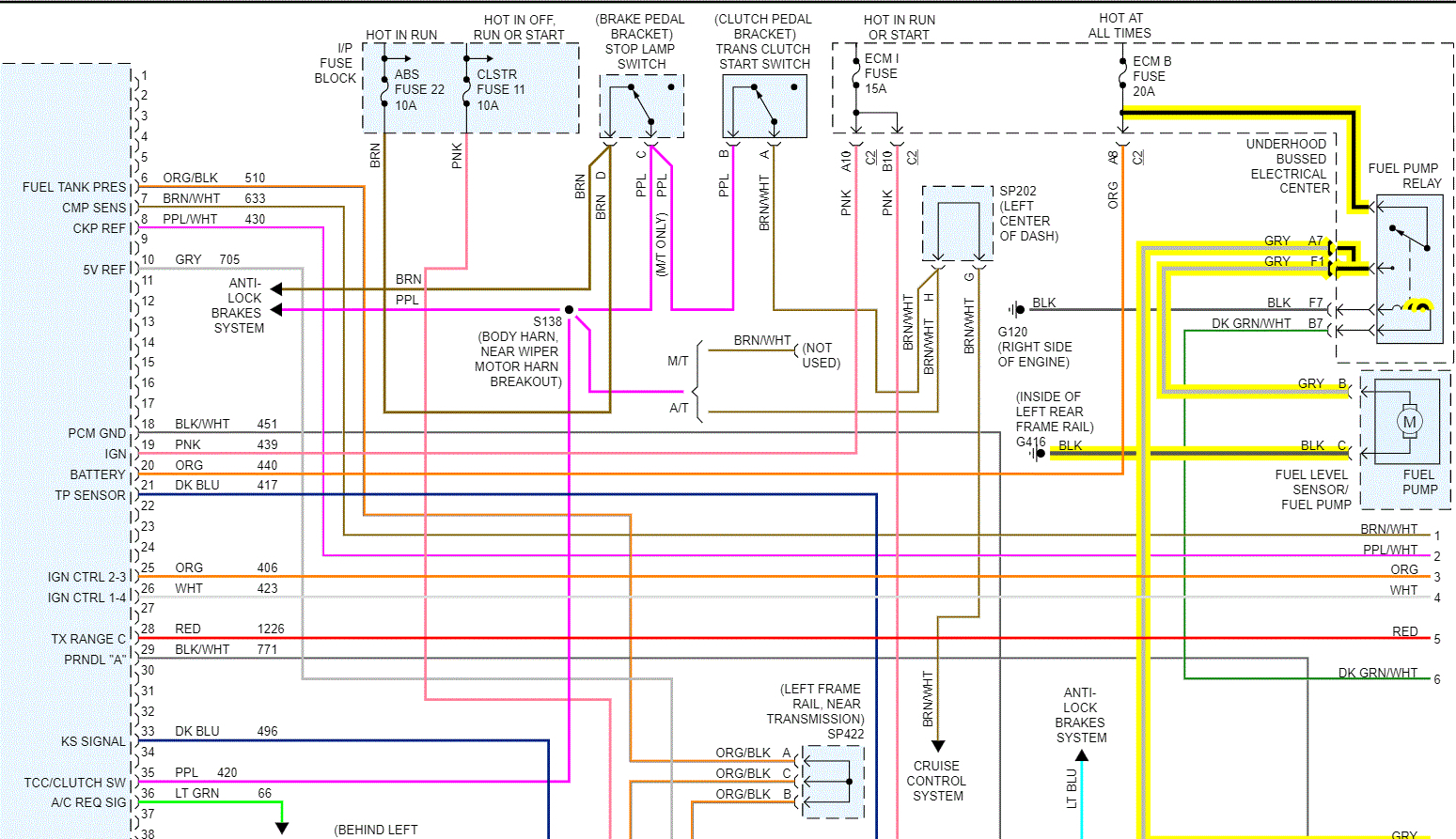
What needs done now is to check at the pump to see if power is available for it. Even if it was a sensor, the PCM would power the pump for 2 seconds to prime the system. Then, if there was no ignition reference, it would shut it down. However, you ran power to it and it didn't turn on.

I attached and highlighted the grounds and the power wire at the pump. Check the grounds and see if there is power to the pump. Note that there will only be power for a couple seconds when the key is first turned on. Or, if you jump the relay again, it will have constant power.

Check these things and let me know what you find. If you have power and the grounds are good, the pump is bad.

Let me know.
Joe
Jul 21, 2020 at 10:01 PM
Avatar
JOHNSONAPE
  • MEMBER
  • 22 POSTS
Well Joe,

Looks like the pump has gone bad. I raised the bed and hooked a wire up directly to the battery and when I touched it to the gray wire I could hear the pump try to start. I guess you get what you pay for, this pump is only a couple of months old which I bought new on Amazon. I may have to bite the bullet and get an AC Delco one. Thanks for your help!
Jul 22, 2020 at 12:31 PM
Avatar
JACOBANDNICKOLAS
  • CERTIFIED EXPERT
  • 110,175 POSTS
I had a feeling that was the issue after you told me nothing happened when you jumped the relay. Isn't it under warranty? I would send it back of that is all the longer it lasted.

When you replace this, make sure to replace the strainer as well. Here are those directions and the attached pics correlate with them:

____________________________________

1998 Chevy Truck S10/T10 P/U 2WD L4-2.2L VIN 4
Fuel Pump Strainer
Vehicle Power-train Management Fuel Delivery and Air Induction Fuel Pump Pickup Filter Service and Repair Procedures Fuel Pump Strainer
FUEL PUMP STRAINER

pic 1


pic 2



Removal Procedure
1. Relieve fuel system pressure. Refer to Fuel Pressure Release Procedure.
2. Drain fuel tank. Refer to Draining Fuel Tank.
3. Remove the fuel tank. Refer to Fuel Tank.
4. Remove the fuel sender assembly. Refer to Fuel Sender Assembly.
5. Note strainer position for future reference.
6. Support the reservoir with one hand and grasp the strainer with the other hand.
7. Using a screwdriver to pry the strainer ferrule off the reservoir.
8. Discard the strainer.

Installation Procedure
1. Install the new strainer to reservoir.
2. Support the reservoir with one hand and grasp the strainer with the other hand twisting the strainer into position.
3. Install the fuel sender assembly. Refer to Fuel Sender Assembly.
4. Install the fuel tank. Refer to Fuel Tank.
5. Refill tank.
6. Inspect for fuel leaks:

6.1.Turn the ignition switch to the ON position for 2 seconds.
6.2.Turn the ignition switch OFF position for 10 seconds.
6.3.Turn the ignition switch to the ON position.
6.4.Check for fuel leaks.

_______________________________________

Let me know if this takes care of the issue.

Take care,
Joe
Jul 22, 2020 at 4:57 PM
Avatar
JOHNSONAPE
  • MEMBER
  • 22 POSTS
LOL, the pump was only $56.00 with a thirty day warranty. It lasted 3 more weeks. I wrote a bad review for it and ordered an Ac/Delco with a limited lifetime warranty for $175.00 on Amazon. the parts stores wanted $295.00. I'll probably just use the strainer off of the new pump I am taking out since it came with one. For everyone's info it was a DWVO pump that went bad.
Jul 23, 2020 at 4:37 PM
Avatar
JACOBANDNICKOLAS
  • CERTIFIED EXPERT
  • 110,175 POSTS
Wow! three weeks isn't too encouraging. LOL

If you have a chance, let me know if this takes care of the problem. Also, feel free to come back if you need anything.

Take care,
Joe
Jul 23, 2020 at 9:22 PM
Avatar
JOHNSONAPE
  • MEMBER
  • 22 POSTS
Hey Joe,

I ordered an AC Delco pump but realized it's for a Chevrolet 1500. Do you think that I can just swap out the pump itself and put it into my old assembly? looks like its about 2 inches taller. ( the whole assembly) Let me know what you think.
Thanks
Jul 25, 2020 at 10:27 AM
Avatar
JACOBANDNICKOLAS
  • CERTIFIED EXPERT
  • 110,175 POSTS
Hi,

It won't work. I believe the pressure output is different, and in all honesty, I don't think it will fit. Can you return it and get the correct one?

Let me know.
Joe
Jul 25, 2020 at 9:49 PM