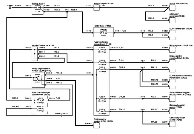
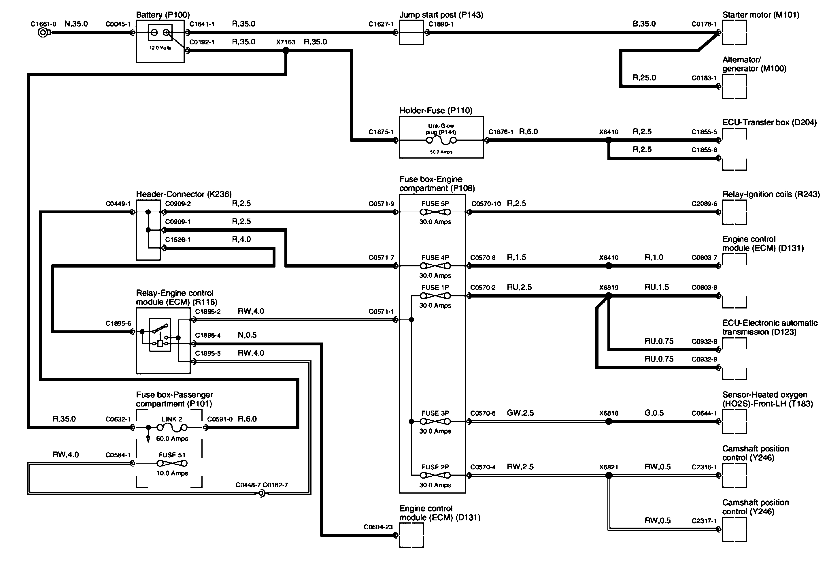
Changed the ignition coil relay, crank shaft sensor, changed timing guides, chain, and tensioners. Changed the spark plugs as well as the coil packs. Truck will not start. It is getting fuel at the rail line and the starter is engaging. Replaced all of my fuses in the ebox, glove box and in the rear of truck with no resolution.
Codes are:
P0102
P0370
p0335
p0347
Codes are:
P0102
P0370
p0335
p0347
Oct 8, 2018 at 12:48 PM



