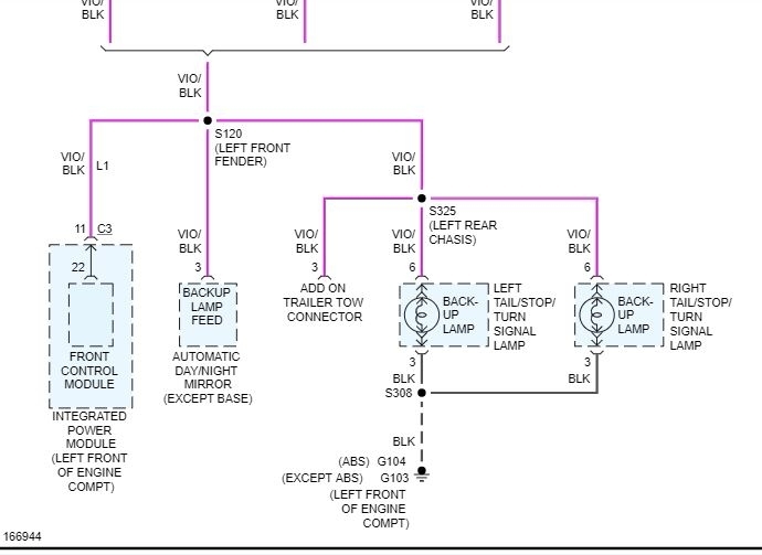
A snow bank ripped the wire harness apart under the truck bed near the rear bumper including seven way towing harness, tail/brake/reverse lights. Do you have a diagram showing wire colors and what they do?
Dec 10, 2018 at 4:46 PM



