Troubleshooting wiper motor?

2007 BUICK RENDEZVOUS
100,000 MILES • 2WD • AUTOMATIC
Avatar
MARK CAVINEE
  • MEMBER
  • 36 POSTS
Hi again Ken: Here is the latest problem with my son's vehicle. The wiper went slow and then just quit. I checked the diode and the fuse and the power connector going to the motor. It appears that the motor is the culprit, but I am not sure.
Oct 13, 2022 at 7:52 AM
Advertisement
Avatar
STRAILER
  • CERTIFIED EXPERT
  • 53,855 POSTS
Hi Mark,

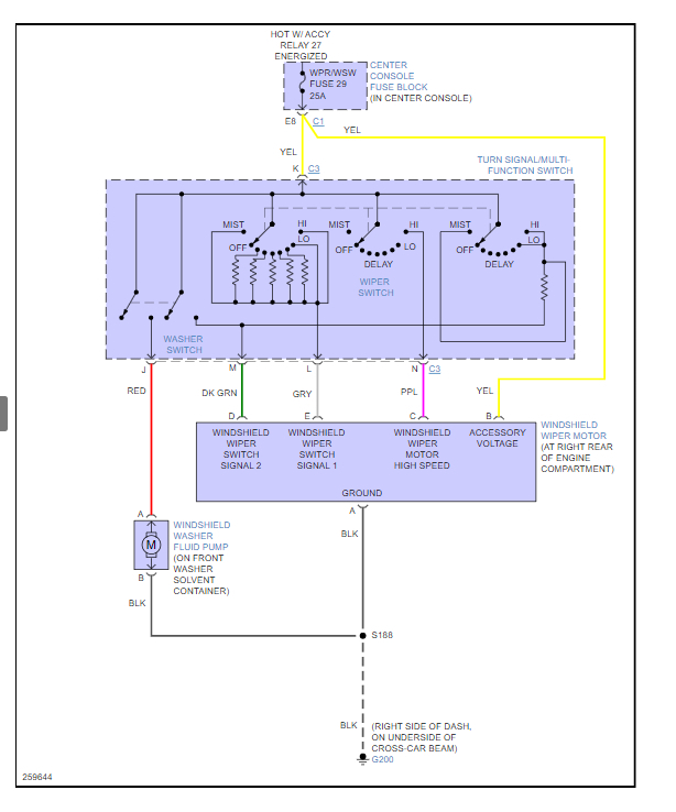
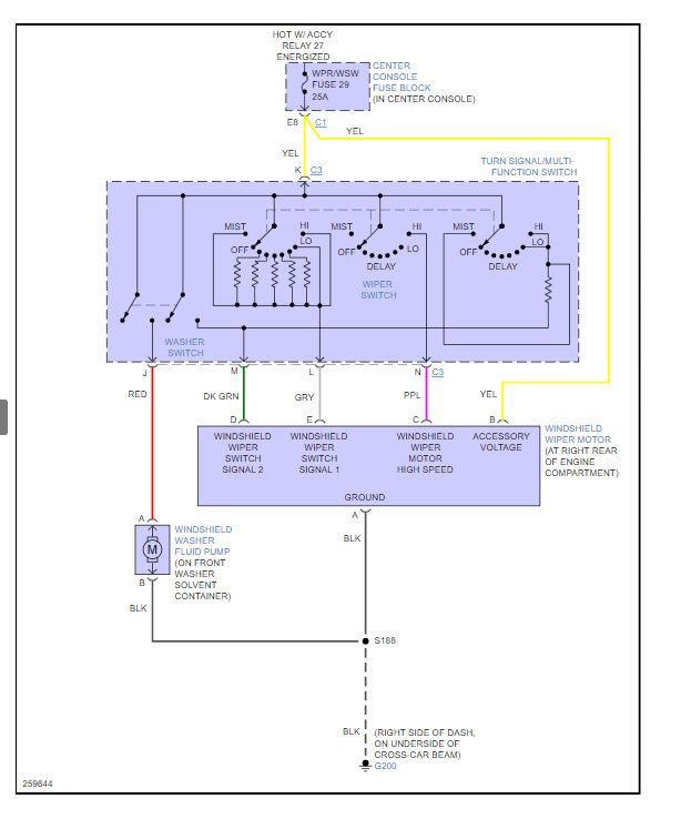
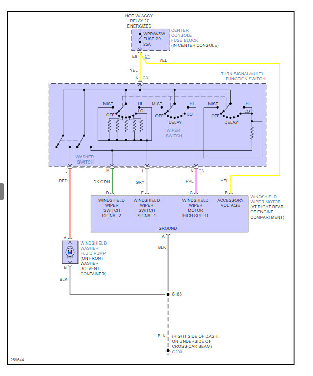
One thing after the other huh? lol it happens. it sounds like the wiper motor is going out which is common in heavy weather areas here is how to change the wiper motor out and the wiring diagrams so you can confirm the failure by checking for twelve volts and ground at the motor. With the switch on high the grey wire should have 12 volts (key on).

https://www.2carpros.com/articles/how-to-use-a-voltmeter

Check out the images (below). Please let us know if you need anything else to get the problem fixed.
Oct 13, 2022 at 11:46 AM