marker and taillights stay on continuously

2011 NISSAN ARMADA
172,000 MILES • 5.6L • 4WD • AUTOMATIC
Avatar
MICHELLE DIAZ
  • MEMBER
  • 1 POST
which drains my battery completely. I have to unhook the battery every time I shut the vehicle off. When j hook battery back up the marker lights and taillights come right back on. How do I fix this problem?
Nov 12, 2021 at 4:48 PM
Advertisement
Avatar
JACOBANDNICKOLAS
  • CERTIFIED EXPERT
  • 110,175 POSTS
Hi,

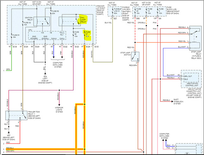
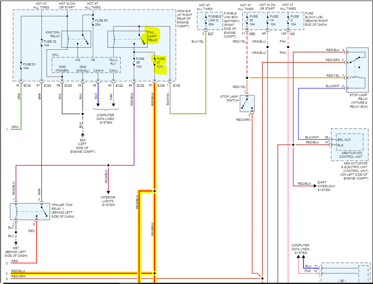
It could be the switch, a wiring issue, or the body control module. However, let's check something first. I attached the wiring schematic below for the lights. First, there is a park lamp relay in the under-hood fuse box. Switch it with a different one having the same part number.

Next, there are two fuses I want you to check. Fuse 37 in the fuse box (under hood) is for the taillights. Remove it and see if the lights turn off. If they don't, then we have a short to power after the light switch.

Here is a link you may find helpful:

https://www.2carpros.com/articles/how-to-check-wiring

Let me know what you find. Also, the last pic shows the location of fuse 37 in the fuse box.

Take care,

Joe

See pics below. Note: The wiring schematics were cut in half to make them readable. I did overlap them so you can follow from one to the next.
Nov 12, 2021 at 5:53 PM