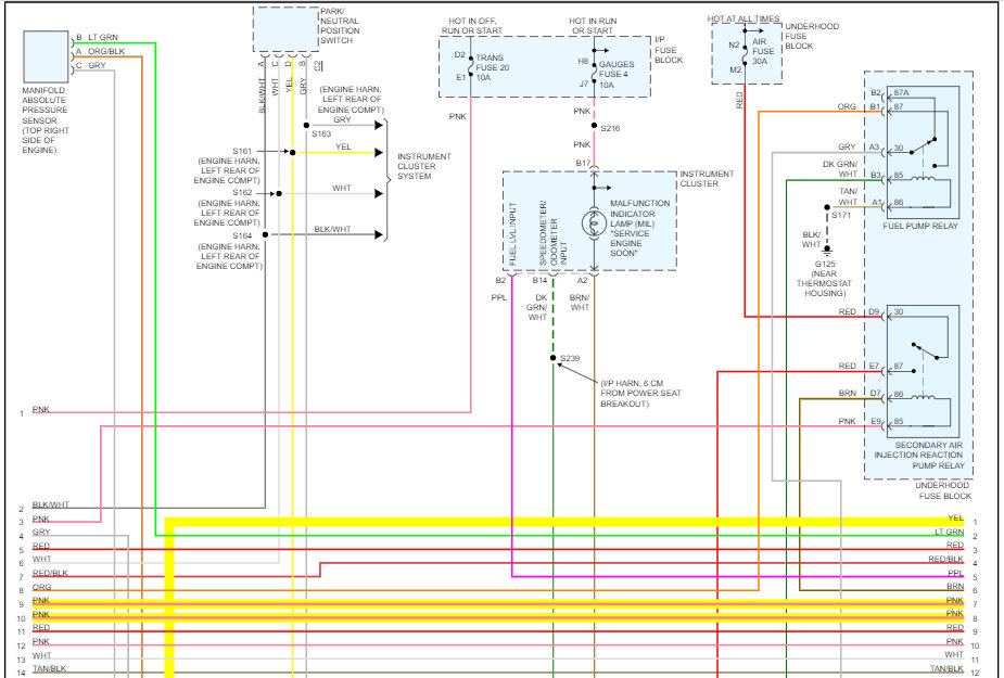
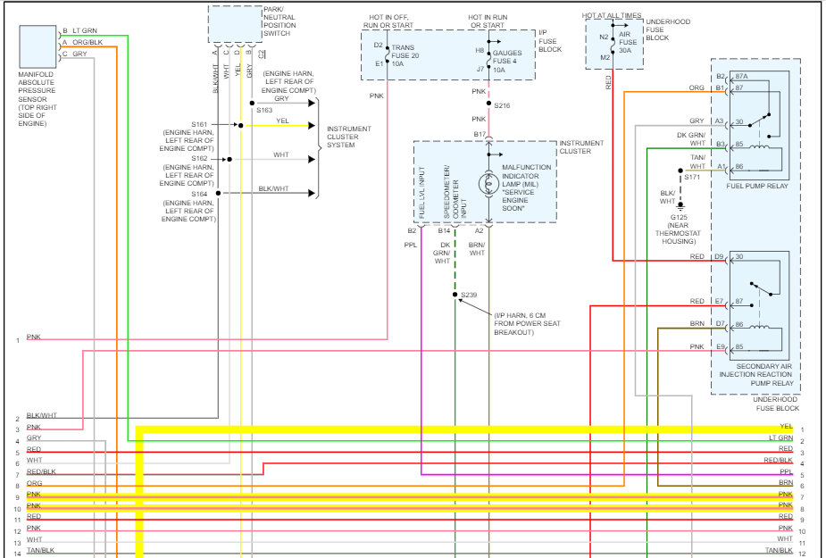
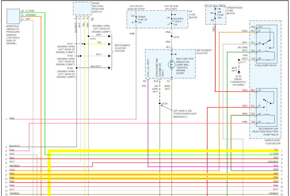
I have a p0102 code, engine stumbles a bit. I checked the connector for voltage, and it had no power. The control wire had 5 volts. I'm looking for a wiring diagram as well as steps going forward to solve.
Sep 30, 2022 at 4:26 PM














