TROUBLE CODES

2000 CHEVROLET TAHOE
220,000 MILES • 5.7L • V8 • 4WD • AUTOMATIC
Avatar
EARL91
  • MEMBER
  • 89 POSTS
I have a 2000 Chevy Tahoe z71. I have installed a new create motor. I put in a new camshaft positioning sensor, crank shaft positioning sensor. I have checked timing to the best of my ability without a scan tool. double checked the valve lash. trucks was running, when I went to take it out for a test drive, as I was backing out it died and will not start again. now its is throwing a p0107, p0339, p0340, p1345, p0155, p0336. I desperately need help. is my timing still not correct or do i need a whole new distributer.
Feb 7, 2023 at 8:40 AM
Advertisement
Avatar
AL514
  • CERTIFIED EXPERT
  • 5,465 POSTS
Hello, after going through all the listed codes, it looks like you have a potential wiring issue, there are a lot of circuit codes here, and if there's a circuit issue, you're going to get sensor performance codes. Do you have a basic multimeter to check some reference circuits and dc voltage levels, You don't need a scan tool yet to do some checks on circuit voltage levels. We can do this by following some basic circuit testing to begin with.
Some of these codes, such as the p0339 crank sensor pos A circuit intermittent points to either a bad ground or loose connections, pin fitment (loose pins in connectors), etc.
A lot of things get moved around when doing an engine swap. The fact that it started and was running then died out, seems like it was ok and then normal engine vibrations, and the movement of the vehicle may have caused some wiring issues. I wouldn't start changing out parts until we can do some testing first.
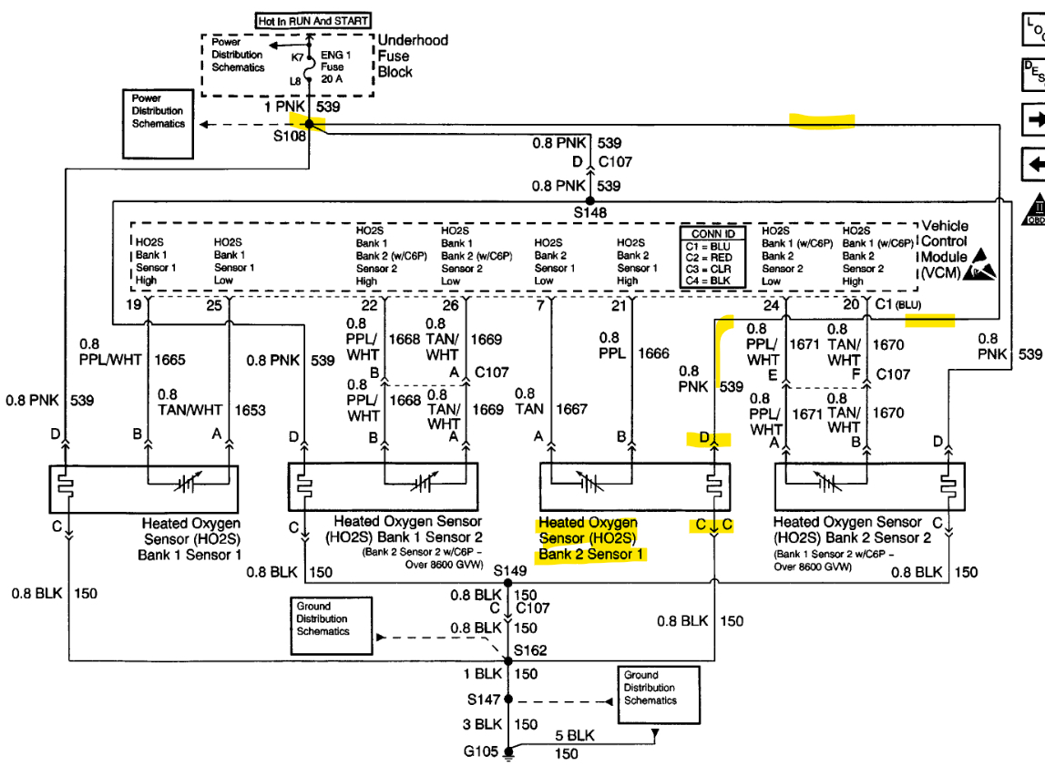
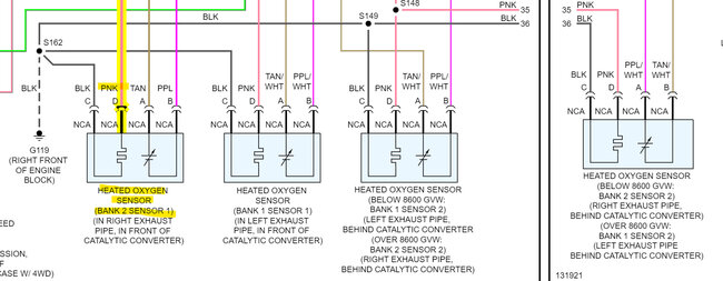
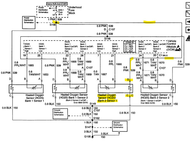
The p0155 02 Heater circuit Bank 2 sensor 1 also points to a wiring issue,
Okay, I see the cam sensor is internal to the Distributor.
I see you had a previous post as well; did you get things resolved?

https://www.2carpros.com/articles/how-to-use-a-voltmeter
Feb 14, 2023 at 8:30 AM
Avatar
EARL91
  • MEMBER
  • 89 POSTS
Yes, I got everything fixed up to this point. The vehicle has all these codes. It will still start. But as soon as I put it in gear it shuts off and won't start back up for a while.
Feb 15, 2023 at 5:29 AM
Advertisement
Avatar
EARL91
  • MEMBER
  • 89 POSTS
And yes, i have a multimeter.
Feb 15, 2023 at 6:32 AM
Avatar
AL514
  • CERTIFIED EXPERT
  • 5,465 POSTS
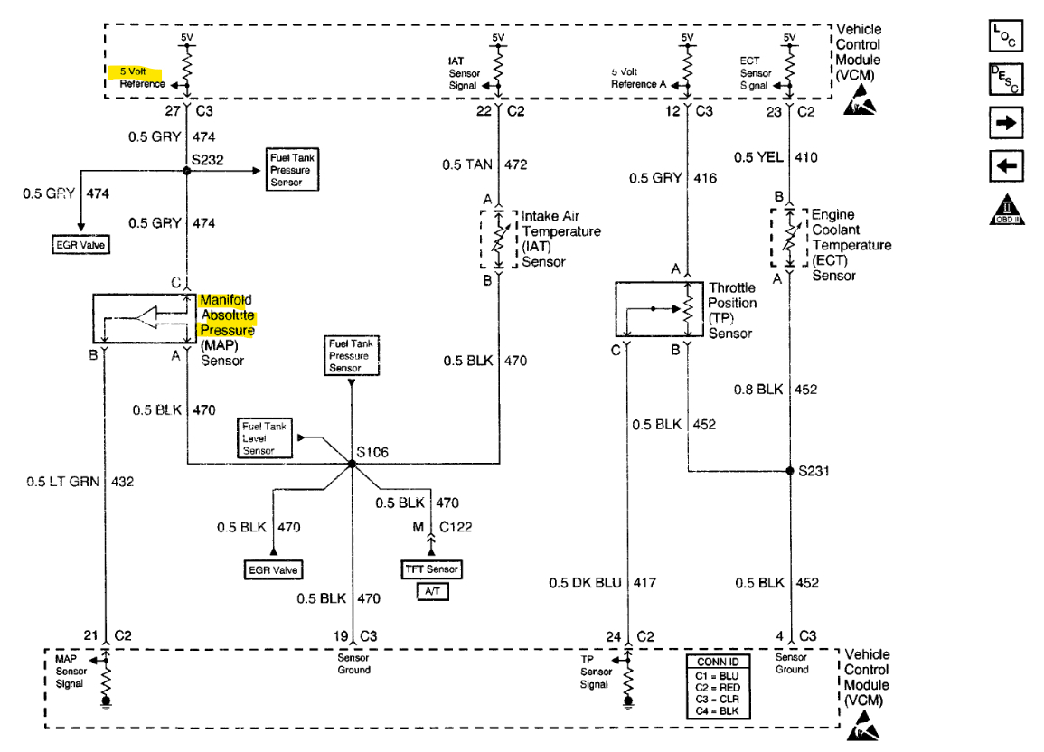
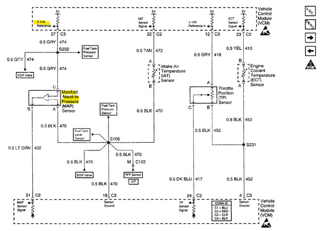
Is it idling okay, it's not higher or lower than it should be? and was the timing messed with at all? I assume you had the distributor out at some point, although ignition timing is not adjustable for this vehicle, the distributor is adjustable somewhat for what they call "Cam Retard Offset". It is done at 1000rpm by monitoring the Cam Retard Offset data pid on a scan tool. and adjusted to 0 degrees. So that might be what is setting the camshaft code. So, if you don't have a scan tool that has live data pids, you'll have to have someone come and do this section. It might be setting the crankshaft position sensor codes as well since they seem to be intermittent. The Map sensor code may also be setting due to this, but we can check the 5volt reference and ground to the sensor to make sure it has what it needs to function.
The 3rd and 4th diagrams are for the map sensor circuit. On the 4th which is the OEM diagram you can see, with the key on engine off you should have 5volts on the grey wire, and since it's a shared 5volt feed with other sensors, I think you'll find its ok unless there's a wiring issue going to the sensor. The Green wire at the map sensor is the Ground, so you can use that and the grey wire to verify the 5-volts is there, just check across those 2 pins in the map sensor connector with your meter set to dc volts. Just touch the pins, dont shove the meter leads into the map sensor harness plug because it will spread the pins. If all is good, there.
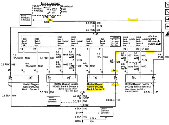
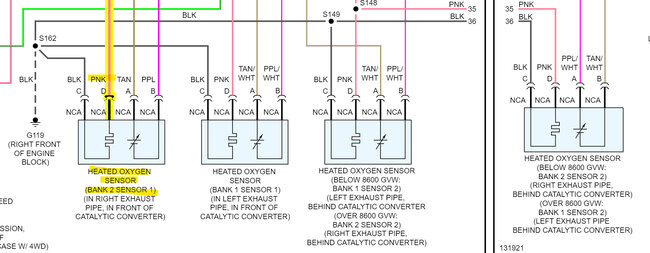
Next, you'll need to check the Oxygen sensor heater circuit for the Bank 2 Sensor 1. So, Bank 2 is going to be the passenger side and the front oxygen sensor, with the key On, the pink wire should have 12volts and the black wire is the Ground for the heater. If you unplug the Bank 2 sensor 1 oxygen sensor and have 12volts across the Pink and Black wire, then you'll need to check the resistance of those same wires, but across the sensor. If there is 12volts on the pink and black, then most likely the sensor has an open circuit inside it. And the resistance check across the sensor plug with show OL on the meter. Meaning it's an open circuit inside and the sensor needs to be replaced.
If you have any questions on these tests, just ask, I think the MAP sensor code, if the voltage feed is ok, is being caused by the timing being off. When you go to take off and it stalls out, that Cam Offset may be the issue. The map sensor measures the intake manifold pressure/vacuum and if timing is off the manifold vacuum will be off. But I will post the wiring diagrams for the crank and cam sensors so you can check the voltage to them as well.
The Crankshaft sensor is a 12volt feed on the pink wire as well, it's the same one that feeds the oxygen sensor, it feeds many components on the engine. You can check the 12volt feed on the pink wire and use the purple wire as Ground.
The cam sensor, same thing, the pink wire is 12v and the pink/black wire is the Ground, with key on both should read 12-volts.
If any feed voltages are missing, those will have to be traced down to find where the bad connection is.

https://www.2carpros.com/articles/how-to-use-a-voltmeter

https://www.2carpros.com/articles/how-to-test-an-oxygen-sensor-02-sensor

https://www.2carpros.com/articles/how-to-replace-an-oxygen-sensor
Feb 15, 2023 at 7:40 AM
Avatar
EARL91
  • MEMBER
  • 89 POSTS
Yes, it idles right where it should. i took the distributor off the old block and put it in the new. made sure i was TDC on compression stroke. So basically, i need to get the proper scan tool to make sure the timing is 0. i will run through all voltage testing and get back with you.
Feb 15, 2023 at 9:14 AM
Avatar
AL514
  • CERTIFIED EXPERT
  • 5,465 POSTS
Yeah, that's something I should be done with the distributor just to be sure that it's in the correct place, and if it is, then we can move on to other testing and see what's happening at the stall out time, whether you're losing fuel pressure/volume, or if there's something else going on. It should be pretty noticeable if it's completely stalling out. The engine is not able to handle any load right now. Did you get a chance to check the Catalytic Converters before it was all reassembled? And have you pulled a few spark plugs after the stall to see if they're wet with fuel? Maybe its flooding out and that's why it won't start right back up. One other thing is that the Bank2 front oxygen sensor that's setting that code is not getting up to temperature so it's not functioning. If the ECM is ignoring that sensor because of the code, then the ECM is never going out of open loop. And if it is calculating the fuel strategy off of that oxygen sensor and its voltage is low, for example 0.100mv, that's a full lean reading, and it might be flooding bank 2 because of that. Scan tool data would tell you if it staying in an open loop or not. If it is that means it's because of the oxygen sensor code.
I think if you pull a couple spark plugs after the stall out, they might be covered in wet fuel and fouled out or covered in black soot. Or check for spark after the stall out, find out why it wont start right back up.
Feb 15, 2023 at 10:07 AM
Avatar
EARL91
  • MEMBER
  • 89 POSTS
The plugs were covered in black soot and smelled of gas. the cats are good. when i get a chance I'm going to run through everything here. will let you know what happens. i have been struggling with this vehicle for too long now. i appreciate the help.
Feb 15, 2023 at 10:19 AM
Avatar
AL514
  • CERTIFIED EXPERT
  • 5,465 POSTS
Yes, it is getting flooded out then, either by that oxygen sensor not working, or one of the cats has failed. I know you said they were okay, but they can look ok and not pass a back pressure test. Cats fail especially when an engine is having a rich running issue. The extra fuel going into them causes them to overheat. If you get everything else settled here and are still having this issue, most vacuum gauges have a 0 to 10 psi positive side to them as well. Thats what you would use at the front oxygen sensor opening (sensor removed) to test the exhaust back pressure, anything over 1-2 PSI is no good. If it fails the back pressure test, try leaving the front oxygen sensor out for a couple minutes and see if the vehicle will do better. Because all that excessive pressure will have a place to escape. Or drop the front of the cat. Just FYI. This type of issue with the oxygen sensor not working and everything being so rich, by now you may have a failed cat. I see it a lot.
This is why manufacturers have intentional shutdown of fuel injectors now if there are certain level misfires occurring. Jeep even is starting to shut down Ignition coils to prevent ECM driver burn out.

https://www.2carpros.com/articles/bad-catalytic-converter-symptoms
Feb 16, 2023 at 6:27 AM