Hi,
As far as the 172, check the engine coolant temperature sensor. If you have a live data scan tool, confirm the sensor's signal is accurate. If it is telling the computer it is colder than it is, the fuel mixture will be rich.
If you look at the attachments below, they provide the diagnostics or a P0172.
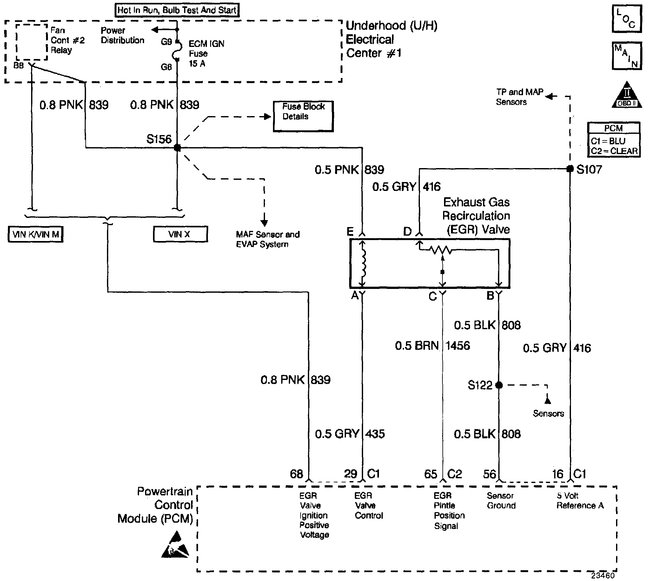
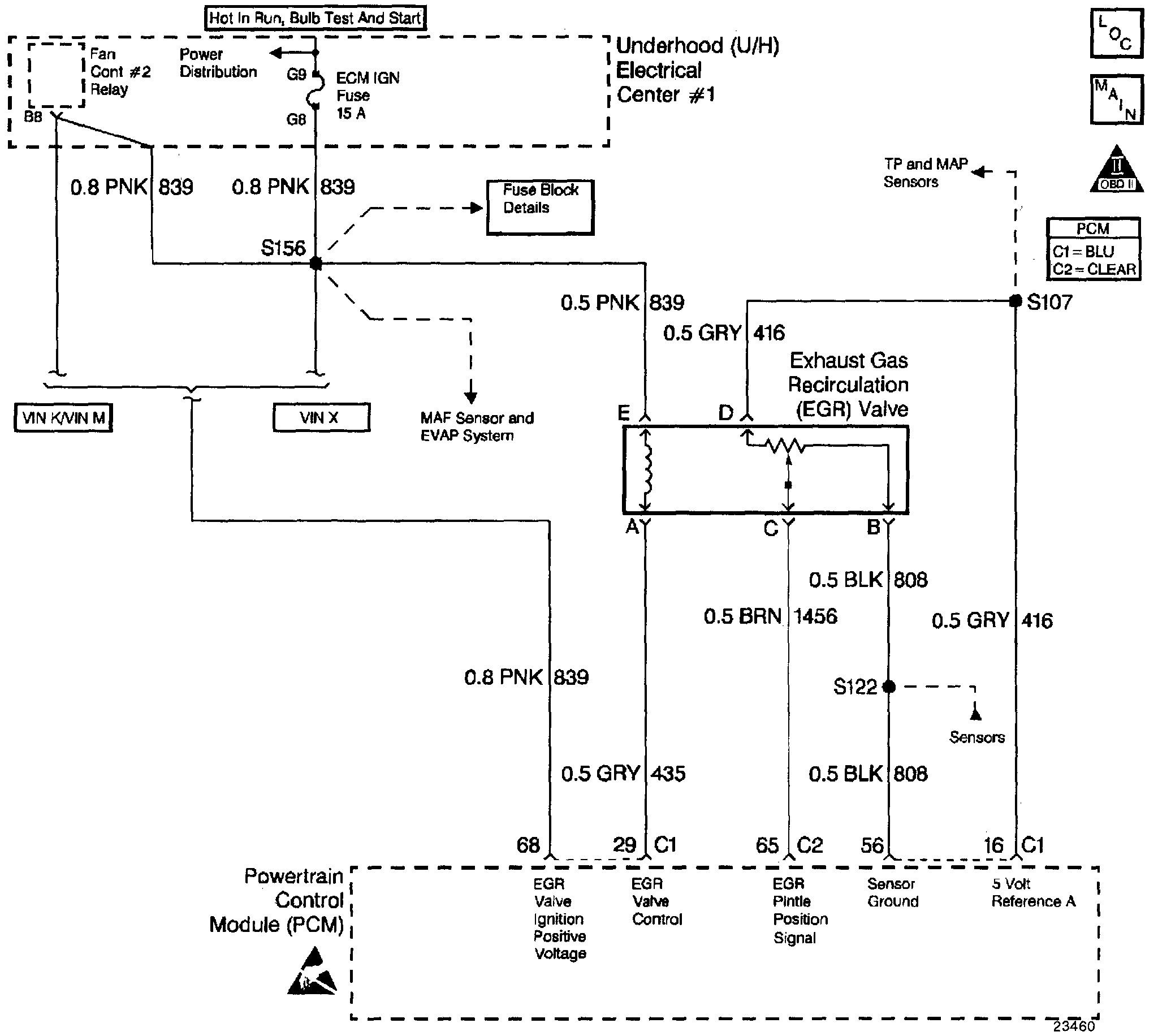
Now, 1406 is related to the EGR. You could have a stuck pintel. Interestingly, the 172 could be caused by the computer trying to fix a lean condition. DTCs other than P0172 may (in this case 1406) indicate a condition present that may cause a lean condition. If this is the case, repairing the condition which caused the other DTC will most likely correct the DTC P0172. I'm wondering if the EGR is causing the issue.
Do me a favor. The EGR is in the rear of the engine. See the last pic below. Pull it and check for carbon build-up in the intake and check the pintel on the EGR to make sure it isn't stuck or corroded.
Let me know what you find or if you have other questions.
Take care,
Joe
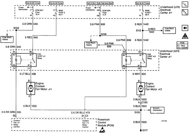
See pics below.
Images (Click to enlarge)
Apr 6, 2021 at 7:57 PM