How to fix code P0537?

2007 MERCURY MILAN
160,000 MILES • 2.3L • V6 • 2WD • AUTOMATIC
Avatar
LIONELL8732
  • MEMBER
  • 148 POSTS
have a code P0537 and would like to know what it is and how to fix it.
Jul 17, 2022 at 9:24 PM
Advertisement
Avatar
JACOBANDNICKOLAS
  • CERTIFIED EXPERT
  • 110,175 POSTS
Hi,

The code is related to the A/C evap temperature sensor (ACET). See pic 1 for description.

I'm not sure if you are having issues related to the A/C system, but starting with pic 2, I included the pinpoint diagnostic procedure related to the code.

Take a look through the diagnostics and let me know if you are comfortable performing them.

Take care,

Joe

See pics below.
Jul 17, 2022 at 11:31 PM
Avatar
LIONELL8732
  • MEMBER
  • 148 POSTS
Where is the low pressure switch located at?
Jul 18, 2022 at 12:07 AM
Advertisement
Avatar
JACOBANDNICKOLAS
  • CERTIFIED EXPERT
  • 110,175 POSTS
Hi,

There is only one pressure sensor referred to as the ACP transducer sensor. It's near the firewall a little to the left of the center. Keep in mind, the code provided is related to the evaporator temperature sensor. It's behind the IP. See pic 2.

Let me know if you find it.

Joe

See pic below.
Jul 18, 2022 at 12:55 PM
Avatar
LIONELL8732
  • MEMBER
  • 148 POSTS
I am only asking where the other part is because I already changed out the one that's inside the dash... Took for forever just for a small part and now I'm getting the code I mentioned which says I have low pressure.
Jul 21, 2022 at 7:41 AM
Avatar
JACOBANDNICKOLAS
  • CERTIFIED EXPERT
  • 110,175 POSTS
Hi,

There isn't much room to work under the dash. I can only imagine what it was like. So, reading your last post, you indicated you replaced the ACET sensor and then the code for it appeared. Am I reading that correctly?

Joe
Jul 21, 2022 at 6:18 PM
Avatar
LIONELL8732
  • MEMBER
  • 148 POSTS
I replaced the sensor in the dash already and now I'm getting a code P0537 which is saying the low pressure which is making me want to change the sensor on the firewall.
Jul 22, 2022 at 1:26 PM
Avatar
JACOBANDNICKOLAS
  • CERTIFIED EXPERT
  • 110,175 POSTS
Okay, I was curious. However, if the P0537 set after you replaced the ACET sensor, you may have gotten a bad one or something happened at the connector or wiring.

Take care. Let me know what you find.

Joe
Jul 22, 2022 at 7:55 PM
Avatar
LIONELL8732
  • MEMBER
  • 148 POSTS
I have to take a jumper wire to the fuse box under the hood just to kick on the ac compressor.. is there a ground wire diagram that will show us the wires from the fuse box under the hood to the compressor ?
Jul 29, 2022 at 1:54 PM
Avatar
JACOBANDNICKOLAS
  • CERTIFIED EXPERT
  • 110,175 POSTS
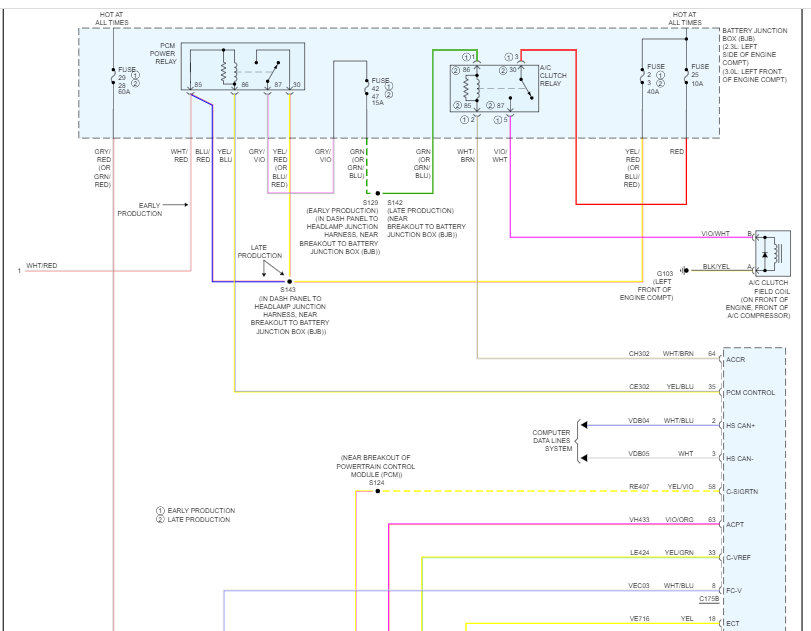
Hi,

I attached the wiring schematics for the AC circuits below. They are two pages long, but I had to cut them in half to make them readable for you. I did overlap them so you can follow from one to the next.

Note: I am basing this on a 2.3L 4 cylinder with manual climate control. You listed 2.3 above, but also v6. A V6 is an option on this vehicle, so please confirm.

Let me know if this helps or if you have questions.

Take care,

Joe

See pics below.
Jul 29, 2022 at 9:15 PM
Avatar
LIONELL8732
  • MEMBER
  • 148 POSTS
Yes, it's a 2.3L 4 cylinder.
Jul 30, 2022 at 6:21 AM
Avatar
LIONELL8732
  • MEMBER
  • 148 POSTS
I had forgotten to correct it when asking a question.
Jul 30, 2022 at 6:21 AM
Avatar
LIONELL8732
  • MEMBER
  • 148 POSTS
it's weird because i went and bought a brand-new A/C clutch relay and ACP transducer sensor from advance auto part... pop that in when i got home and still the A/C did not engage but like i said before when i use a jumper wire the A/C compressor kicks on and the air front the vents is blowing cold air.
Jul 30, 2022 at 7:00 AM
Avatar
LIONELL8732
  • MEMBER
  • 148 POSTS
So, every time I need to engage the compressor I have to use a jumper wire for relay 43.
Jul 30, 2022 at 9:57 AM
Avatar
JACOBANDNICKOLAS
  • CERTIFIED EXPERT
  • 110,175 POSTS
Okay, take a look below. I need you to check the two wires I circled for power with the key on and the ac turned on. If you have power, We know the wire to the compressor is good, so the brown wire with a white tracer is the last possibility. That wire is grounded at the PCM. If we have power at both of the ones I mentioned, then the ground path must not be working.

Let me know.

Joe
Jul 30, 2022 at 8:13 PM
Avatar
LIONELL8732
  • MEMBER
  • 148 POSTS
Help.
Aug 4, 2022 at 10:23 PM
Avatar
JACOBANDNICKOLAS
  • CERTIFIED EXPERT
  • 110,175 POSTS
Hi,

The idea that two of the relay pins have power is good. That means the ground path isn't being provided or the compressor clutch is bad, but that isn't the case because it does engage when you jump it at the relay.

I need you to check for continuity to ground on pin 85. That is the brown wire with a white tracer. That is where I suspect the problem is. A ground path has to be provided for the relay to energize, close the switch in the relay, and power the clutch.

Let me know if you can do that or if you have questions.

Take care,

Joe

Aug 4, 2022 at 10:46 PM
Avatar
LIONELL8732
  • MEMBER
  • 148 POSTS
i can jump it with a jumper wire but when i put a fuse in it i get nothing. Also, how do i check out pin 85 do i have to pull box up?
Aug 4, 2022 at 10:52 PM
Avatar
JACOBANDNICKOLAS
  • CERTIFIED EXPERT
  • 110,175 POSTS
Hi,

Pin 85 receives a ground path when the system is requested on. You don't need to remove the box. What you could do is this. If you have a test light, connect one side to the battery positive. Place the opposite side of the test light on the connector where pin 85 goes. Have a helper turn the system on. If a ground path is provided, the light will turn on.

Take a look through this link and let me know if it helps.

https://www.2carpros.com/articles/how-to-use-a-test-light-circuit-tester

Let me know.

Joe
Aug 5, 2022 at 4:46 PM
Avatar
LIONELL8732
  • MEMBER
  • 148 POSTS
Blows cold but the air flow is weak. Any ideas?
Aug 26, 2022 at 3:24 PM
Avatar
JACOBANDNICKOLAS
  • CERTIFIED EXPERT
  • 110,175 POSTS
Hi,

Is the air blowing out from a different location? For example, is it coming out the floor vent or defroster?

Let me know. Also, let me know if the fan sounds like it is working properly.

Take care,

Joe
Aug 26, 2022 at 7:17 PM
Avatar
LIONELL8732
  • MEMBER
  • 148 POSTS
I always keep it on max A/C and when it goes soft, I hear air flow coming from the passenger side like something is stuck.
Aug 28, 2022 at 11:12 AM
Avatar
LIONELL8732
  • MEMBER
  • 148 POSTS
Then I start turning the knob back and forth until it blows strong again.
Aug 28, 2022 at 11:13 AM
Avatar
JACOBANDNICKOLAS
  • CERTIFIED EXPERT
  • 110,175 POSTS
At this point, my first suspect is the mode door actuator. It is mounted on the HVAC box. Check to see if it is loose.

This is the actuator/door that controls the airflow direction. Check it and let me know if everything is secure.

If you look below, I attached a pic of it. I circled it in the pic. The other actuator is the blend door actuator. Confirm both are tight.

Take care and let me know what you find.

Joe

See pic below.
Aug 28, 2022 at 7:45 PM