Installing a backup camera, wiring diagram needed?
2013 HYUNDAI ELANTRA
57,000 MILES
KIM COONS
MEMBER
1 POST
FOLLOW
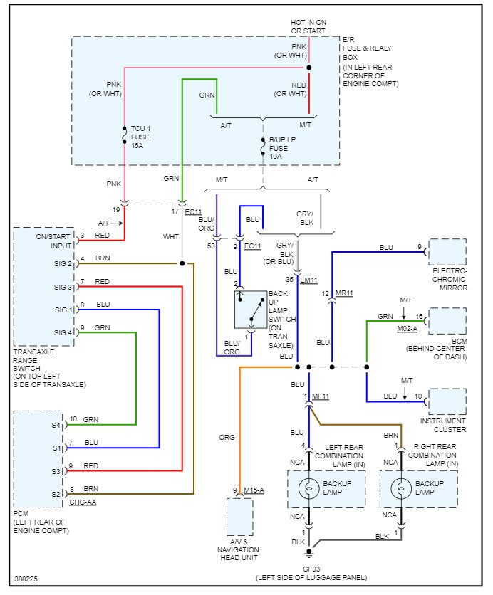
I'm trying to install a backup camera; what color is the trigger/reverse wire in the taillight?
May 8, 2023 at 12:25 PM
Advertisement
STRAILER
CERTIFIED EXPERT
53,854 POSTS
It looks like it changes color depending on where you will intercept the wiring at. here are the reverse light wiring diagrams so you can see what color the wires are in a particular location. Check out the images (below). Please let us know if you need anything else to get the problem fixed.