Transmission will not shift out of first gear

1998 MERCEDES BENZ C280
160,000 MILES
Avatar
CARLTON B.
  • MEMBER
  • 2 POSTS
I changed out my conductor plate, shift solenoids, TCM, and transmission oil. My car is still in limp mode.
Dec 8, 2017 at 5:02 PM
Advertisement
Avatar
STRAILER
  • CERTIFIED EXPERT
  • 53,855 POSTS
Limp mode can have nothing to do with the transmission. Can we run the codes to see whats comes up?

Here is a guide to help if you need it:

https://www.2carpros.com/articles/checking-a-service-engine-soon-or-check-engine-light-on-or-flashing

Please let us know what happens.

Cheers, Ken

Dec 10, 2017 at 1:37 PM
Avatar
CARLTON B.
  • MEMBER
  • 2 POSTS
An error code popped up P0715. I cleared it then took the car on the road to reset the monitors on the scan tool. No code as of yet popped up
. Car not shifting. Checked trainee fld. good. Ran scan again no code or DTC popped up and pendinding error cleared. That's where I'm at so far. Oh but I do have a dip stick that rums down and shows the bottom tip under the valve body. Its not store bought(Mercedes dealer) I'll check more into that. So what now, Ken?
Dec 13, 2017 at 3:09 PM
Advertisement
Avatar
STRAILER
  • CERTIFIED EXPERT
  • 53,855 POSTS
Hello,

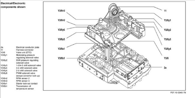
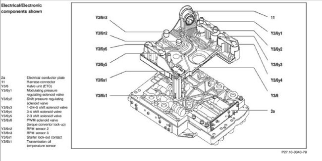
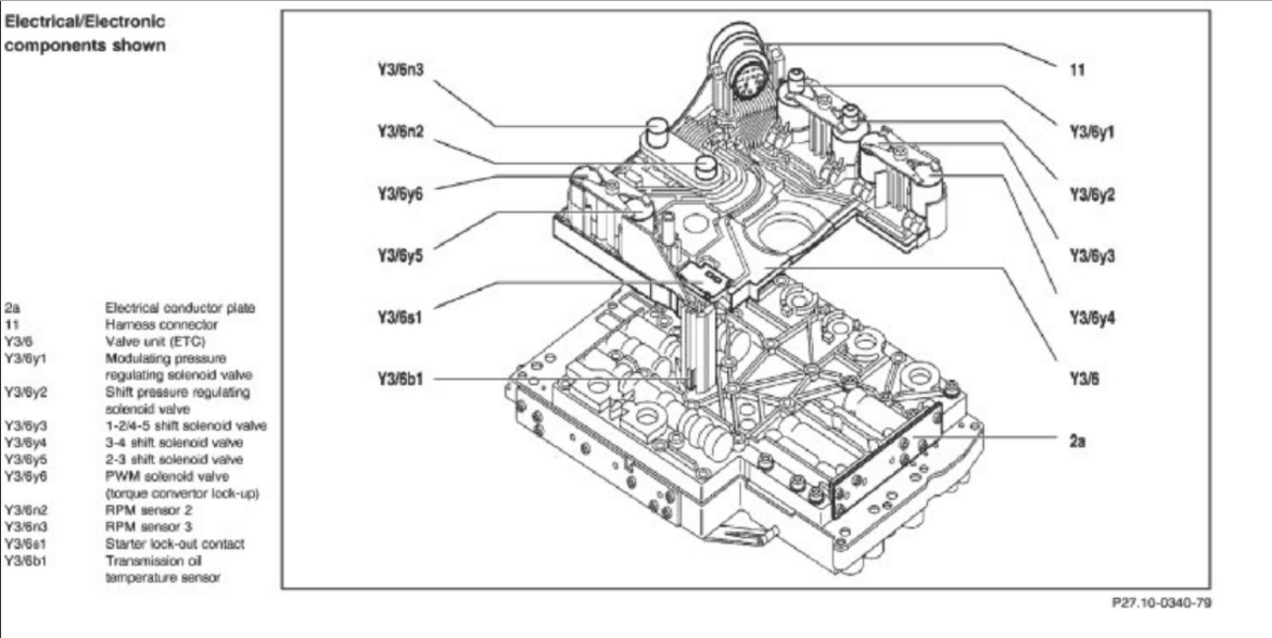
The codes you gave is a turbine speed sensor which if bad will not let the transmission shift. Here is a video that will give you an idea of what you are in for when changing the sensor. They call is an RPM sensor

https://youtu.be/f3bETtCIdxM

and diagram below for you car

Check out the diagrams (Below)

Let us know what happens and please upload pictures or videos of the problem.

Cheers, Ken
Dec 17, 2017 at 3:59 PM