Transmission will not engage before it happened it ran and shifted like a dream

2003 NISSAN ALTIMA
216,000 MILES • 2.5L • 4 CYL • 2WD • AUTOMATIC
Avatar
DIMBONZ
  • MEMBER
  • 4 POSTS
I know these cars are prone to have transmission problems, but I am curious what part specifically in the transmission most likely failed? Car listed above SL. Before it happened it ran and shifted like a dream. I backed up the put it in dr3 and it will not engage. Not in any gear but park. It will lock in part, but in all other gears it is like it is in neutral. Yes, I checked the fluid.
Nov 28, 2018 at 7:42 PM
Advertisement
Avatar
STRAILER
  • CERTIFIED EXPERT
  • 53,855 POSTS
Hello,

This sounds like the gear range sensor has gone out. But to be sure here is the wiring diagrams and the sensor location so you can do some testing we should runt he codes as well:

https://www.2carpros.com/articles/checking-a-service-engine-soon-or-check-engine-light-on-or-flashing

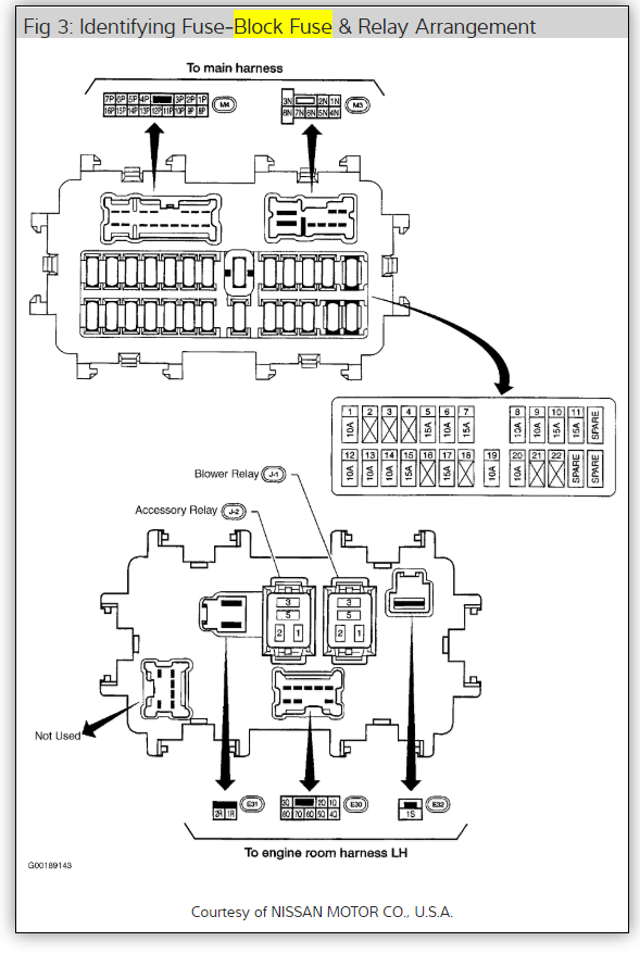
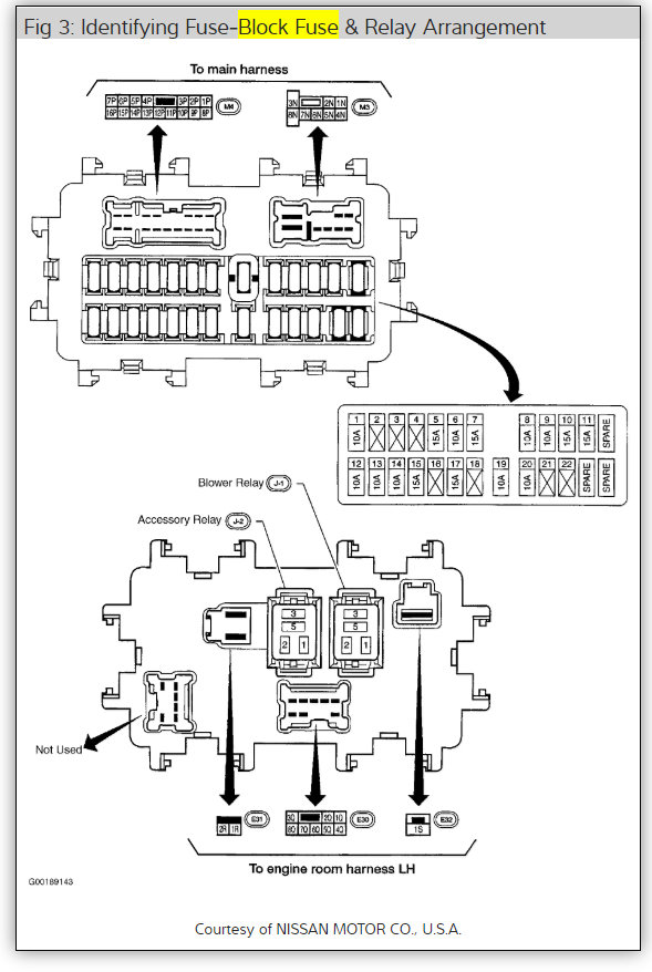
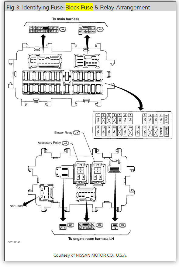
Also check fuses # 14, 19, 42. Check out the diagrams (below). Please let us know what you find. We are interested to see what it is.

Cheers, Ken
May 1, 2021 at 1:40 PM
Avatar
DIMBONZ
  • MEMBER
  • 4 POSTS
Thank you. I will scan the codes on Monday or Tuesday when I am off work and let you know. I will check those other things. I really appreciate it Ken. I know before it happened it would go into drive from reverse hard.
May 1, 2021 at 1:40 PM
Advertisement
Avatar
STRAILER
  • CERTIFIED EXPERT
  • 53,855 POSTS
Yep lets run the codes see what comes up, please let me know.
May 1, 2021 at 1:40 PM
Avatar
DIMBONZ
  • MEMBER
  • 4 POSTS
Hi Ken, all fuses checked good. There is no check engine light so no trouble codes stored or pending.
Jeff
May 1, 2021 at 1:40 PM
Avatar
STRAILER
  • CERTIFIED EXPERT
  • 53,855 POSTS
Let's check the fluid level and condition, also can you tell me if the reverse lights work? A bad gear range sensor can cause this problem. Here is the location as you can check it out.

Check out the diagrams (below). Please let us know what you find.
May 1, 2021 at 1:40 PM
Avatar
DIMBONZ
  • MEMBER
  • 4 POSTS
Ken, the fluid level is good and the reverse lights do work.
May 1, 2021 at 1:40 PM
Avatar
STRAILER
  • CERTIFIED EXPERT
  • 53,855 POSTS
You can try the gear position sensor but it sounds like the transmission let go. You might need a rebuilt unit. Here is a video that shows a front wheel drive transmission removal:

https://youtu.be/6N6b5F2ChyE

It is a standard transmission but many of the steps are the same.
May 1, 2021 at 1:40 PM