Transmission wiring issue

2008 DODGE DAKOTA
180,000 MILES • 3.7L • V6 • 4WD • AUTOMATIC
Avatar
CARLSP
  • MEMBER
  • 36 POSTS
Hello. I have a bit of a weird question so I hope it is okay to ask here. I actually do not have any vehicle issues but I am looking for what the symptoms would be for a specific given scenario. I currently do not have access to a vehicle to test it myself so that is why I am here asking. The vehicle would be the one listed above with a 42RLE-VLP transmission and a NV233 transfer case. Okay, what would happen if you unplugged the external connectors to the VLP solenoid on the transmission and the Assembly Shift Motor/Mode sensor on the transfer case? Would you be able to still drive it and just not have 4x4 and bad gas mileage? Or would it default to limp mode or just be inoperable? How would the vehicle respond to having those two connectors disconnected? Any information would be greatly appreciated. Thank you.
Mar 26, 2021 at 1:31 AM
Advertisement
Avatar
ASEMASTER6371
  • CERTIFIED EXPERT
  • 52,796 POSTS
Good morning,

The connectors are different configurations and cannot be attached to the wrong areas.

If you did get them to connect, you could damage the ECM if power was supplied to a ground circuit and caused a fuse to fail.

The truck would most likely only have the low gear to move if this could happen.

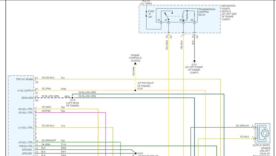
I attached the wiring diagrams for the transmission and the transfer case below for you.

https://www.2carpros.com/articles/how-to-check-wiring

https://www.2carpros.com/articles/how-to-use-a-voltmeter

https://www.2carpros.com/articles/how-to-check-a-car-fuse

Roy
Mar 26, 2021 at 4:29 AM
Avatar
CARLSP
  • MEMBER
  • 36 POSTS
Good Morning,

Thank you for such a prompt response and I appreciate the schematics. But my question was not about connecting them. What I am trying to find out is if you physically unplug the two connectors, the VLP connector on the left side of the transmission right next to the Transmission Range Sensor (TRS) connector and the Shift Motor/Mode sensor on the frontside of the transfer case. If you unplugged them would you still be able to drive the vehicle or would it go into "limp mode" or just not be drivable at all, dead in the water so to speak? I am compiling an analysis of al kinds of failure scenarios for a project and am trying find out what the vehicle would do in this case. I do not have access to the vehicle at the moment so I cannot go and unplug them myself to see what would happen. So I was hoping that maybe you could provide some insight in this case. Thank you.
Mar 26, 2021 at 4:57 AM
Advertisement
Avatar
ASEMASTER6371
  • CERTIFIED EXPERT
  • 52,796 POSTS
It would still move and would have low gear only and no shifting at all. Low gear is mechanical, not electronic so it will engage reverse and low gear.

Roy
Mar 26, 2021 at 5:14 AM
Avatar
CARLSP
  • MEMBER
  • 36 POSTS
Awesome. Thanks very much for that info, I really appreciate it. You sir have a blessed and wonderful day.
Mar 26, 2021 at 5:42 AM
Avatar
ASEMASTER6371
  • CERTIFIED EXPERT
  • 52,796 POSTS
You are welcome.

Always glad to help.

Roy
Mar 26, 2021 at 5:56 AM