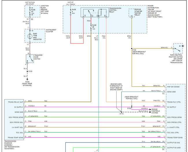
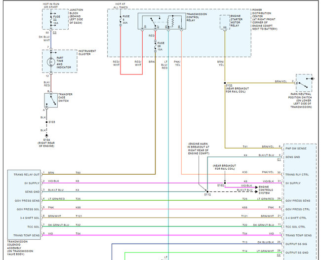
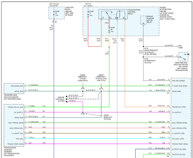
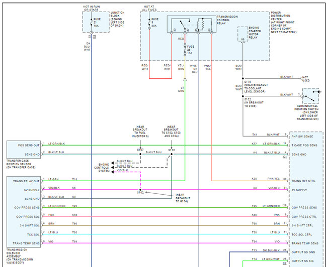
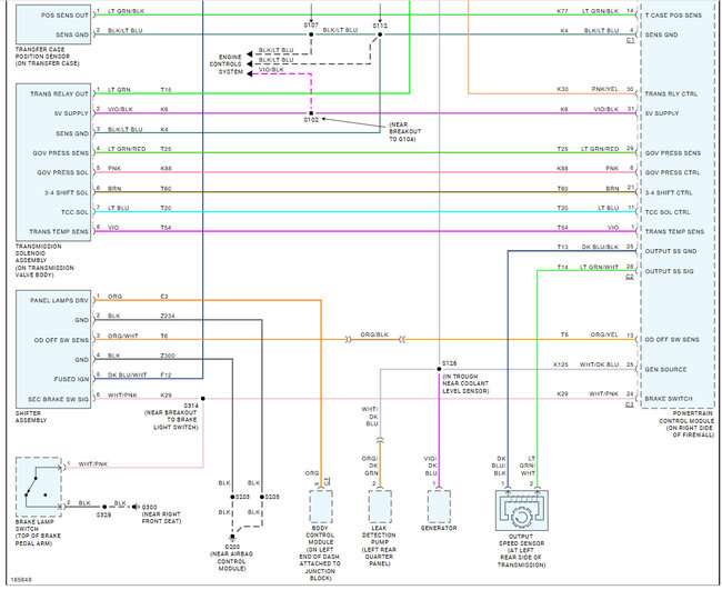
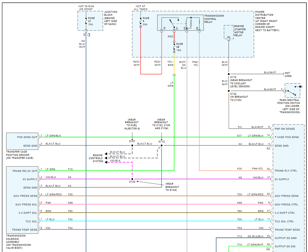
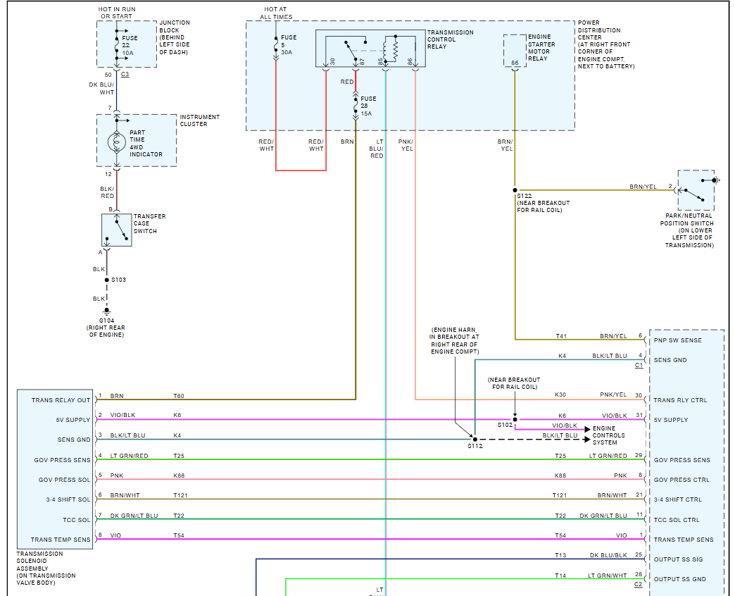
Need help identifying the transmission wiring harness connections what goes where and what does what on my 2001 Jeep grand Cherokee wj Laredo 4.0 L that I recently did a drive train swap with a 2003 Jeep gc lrdo 4.0 and it has been almost a complete success except my help responsible for reconnecting the transmission harness didn't have connection right and have a connection not connected that goes onto the bottom of the 42RE driver's side past the transmission oil pan that smaller looking pan on the corner where there is a empty spot is a plastic bolt with the size say an 18mm socket empty where the loose connection goes into it. Well, I'm thinking it's different from the 2001 wiring harness then 2003 transmission female connection because it doesn't match I'm try to knock for before buy a pig tail connection off a 2003 all the way to my local wreckers please really need answer to my dilemma so frustrated ATM.
Jan 10, 2025 at 11:36 AM



