Can I get a picture of 4l60e transmission wires and connectors plugged into truck after a reinstall?

2007 CHEVROLET SILVERADO
250,000 MILES • 5.3L • V8 • 4WD • AUTOMATIC
Avatar
WANDAANDBUDDY
  • MEMBER
  • 14 POSTS
I need a picture of 4l60e transmission wires and connectors plugged into truck after a reinstall. Want to make sure I have them all plugged in correct. The speed sensor, oxygen sensors and other plugs.
Feb 18, 2025 at 6:57 PM
Advertisement
Avatar
STRAILER
  • CERTIFIED EXPERT
  • 53,854 POSTS
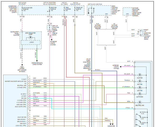
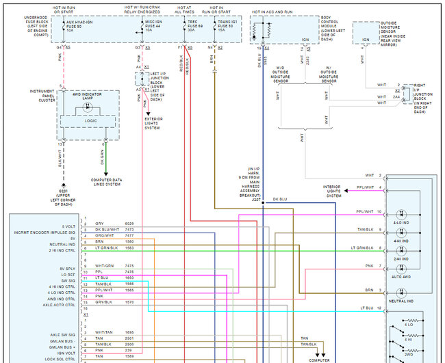
Sure, here is a guide to help you with the testing and the transmission wiring diagrams in the images below.

https://www.2carpros.com/articles/how-to-check-wiring

Check out the images (below). Let us know if you need anything else.



Feb 19, 2025 at 11:18 AM
Avatar
WANDAANDBUDDY
  • MEMBER
  • 14 POSTS
Can I get pictures of where each wire runs to VSS and other sensors on transfer case and transmission from the main harness?
Feb 19, 2025 at 9:15 PM
Advertisement
Avatar
STRAILER
  • CERTIFIED EXPERT
  • 53,854 POSTS
Did you see the wiring diagrams above? It shows the VSS wiring diagrams. Here is the wiring for the transferase. Check out the images (below). Let us know if you need anything else.

Feb 20, 2025 at 10:02 AM