Hi,
The letter indicated, E. This code (E) indicates the transmission gear position sensor has developed a fault.
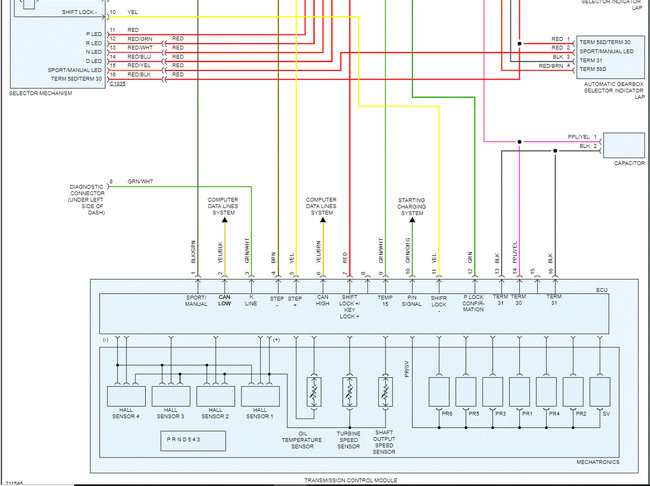
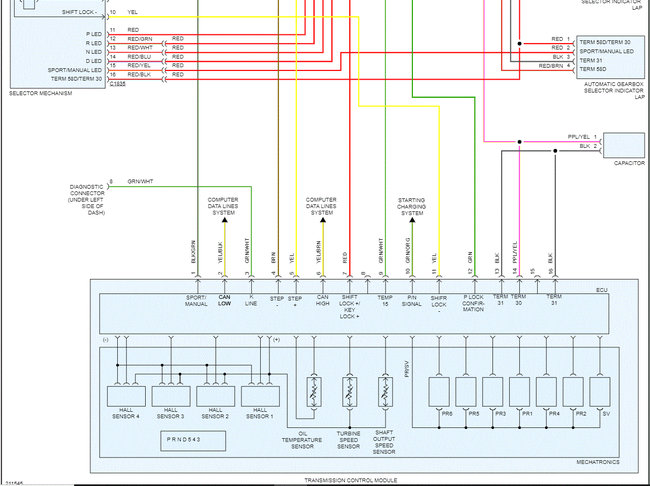
Looking at the codes you have, the primary problem is a breakdown in communication via the CAN-bus system. CAN stands for controller area network. Basically, all the computers/modules are tied together via a few wires.
I attached a wiring schematic below showing the CAN circuit. Note that all of the things listed on the scan tool contain the same color wiring. If you look at pic 1, I included a picture of how things are tied together. The next pics are the schematic. I had to cut the pic in half to make it readable, but I did overlap them so you can follow from one to the next and highlighted related wiring.
First, confirm fuse 63 in the fuse box behind the right side of the dash is good. In addition to checking the fuse, confirm there is power to and from it. That is power to the diagnostic socket. If it's bad, things won't properly work.
Next, check the yellow /black wire and the yellow/brown wires at the TCM and ECM.
Here is a link you may find helpful:
https://www.2carpros.com/articles/how-to-check-wiring
Let me know what you find or if you have other questions.
Take care,
Joe
See pics below.
Images (Click to enlarge)
Nov 12, 2021 at 6:18 PM