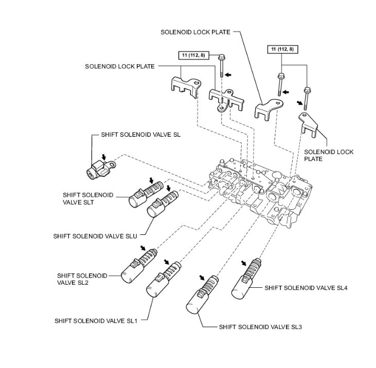
I am having a harsh shifting issue i took the car to a transmission specialist and he recommends it try replacing the third gear solenoid before replacing the valve body assembly.
I am requesting instructions on how to remove the solenoid without disassembling the entire valve body if possible. Otherwise, any write-ups that would be available please. On the valve body as well. This is a V6.
Transmission code : U660E
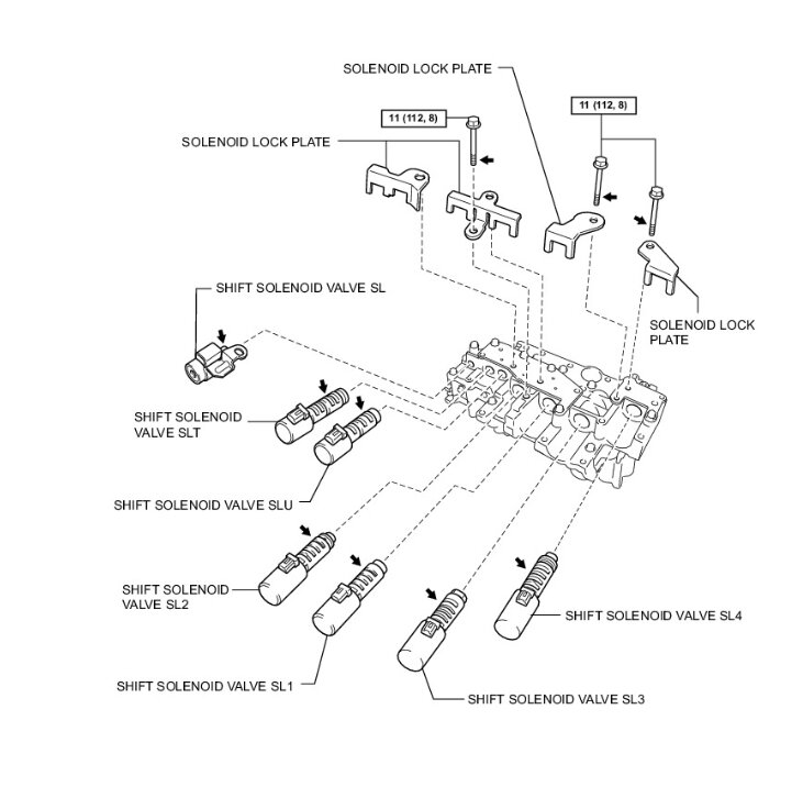
I am requesting instructions on how to remove the solenoid without disassembling the entire valve body if possible. Otherwise, any write-ups that would be available please. On the valve body as well. This is a V6.
Transmission code : U660E
Oct 20, 2024 at 9:00 AM

