Code P2714, transmission when shifting from park to drive or reverse the transmission will slip and not engage?

2019 CHEVROLET MALIBU
100,000 MILES • 1.5L • 4 CYL • 2WD • AUTOMATIC
Avatar
JEFF HERMAN
  • MEMBER
  • 486 POSTS
If you shift it back into park and shut the car off, then restart and shift it's fine. P2714 power train code. Calling for transmission control solenoid and filter. Fluid has not been changed regularly only topped off at last oil change. Is this your basic filter or do you have to remove the transmission and open it up to change it? At this point would it be worth just doing a drain and refill or would a complete flush be in order? I've seen three different types of filters for this car in addition to a screw in one from the side.
Aug 2, 2023 at 3:21 PM
Advertisement
Avatar
STRAILER
  • CERTIFIED EXPERT
  • 53,854 POSTS
A flush would be a good idea, but I would also swap out the Pressure Control Solenoid.

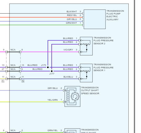
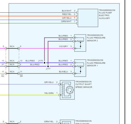
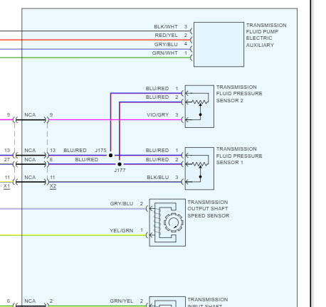
The P2714 OBD-II Trouble Code on your 2019 Chevrolet Malibu refers to "Pressure Control Solenoid 'D' Performance or Stuck Off." This code indicates that the Transmission Control Module (TCM) has detected a problem with the Pressure Control Solenoid 'D' in your transmission.

Here is a generic guide to help you step by step with instructions in the diagrams below to show you how on your car:

https://www.2carpros.com/articles/how-to-service-an-automatic-transmission

The Pressure Control Solenoids will have wires on them, check the colors in the images as well. Check out the images (below). Let us know what happens and please upload pictures or videos of the problem so we can see what's going on.
Aug 3, 2023 at 11:16 AM
Avatar
STRAILER
  • CERTIFIED EXPERT
  • 53,854 POSTS
Anything?
May 6, 2024 at 11:59 AM
Advertisement
Avatar
JEFF HERMAN
  • MEMBER
  • 486 POSTS
I was trying to help someone and I never heard back from them so I'm not sure what they did.
May 6, 2024 at 12:04 PM
Avatar
STRAILER
  • CERTIFIED EXPERT
  • 53,854 POSTS
Okay, thanks for letting me know :)
May 6, 2024 at 8:00 PM