Transmission replacement instructions

1999 JEEP CHEROKEE
300,000 MILES • 4.0L • 6 CYL • 4WD • AUTOMATIC
Avatar
CUDABOB
  • MEMBER
  • 2 POSTS
I need to know if I can replace the transmission?
Feb 26, 2017 at 6:25 PM
Advertisement
Avatar
DANNY L
  • CERTIFIED EXPERT
  • 5,648 POSTS
Hello, I'm Danny.

Here is the transmission replacement information you requested. Here is a manual transmission tutorial for you to view. Removing an automatic transmission is similar:

https://www.2carpros.com/articles/transmission-replacement-removal-manual

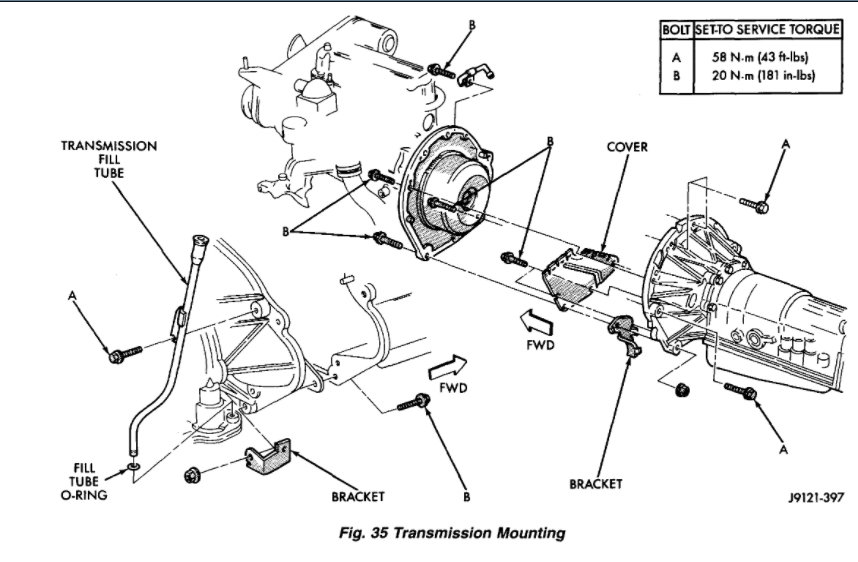
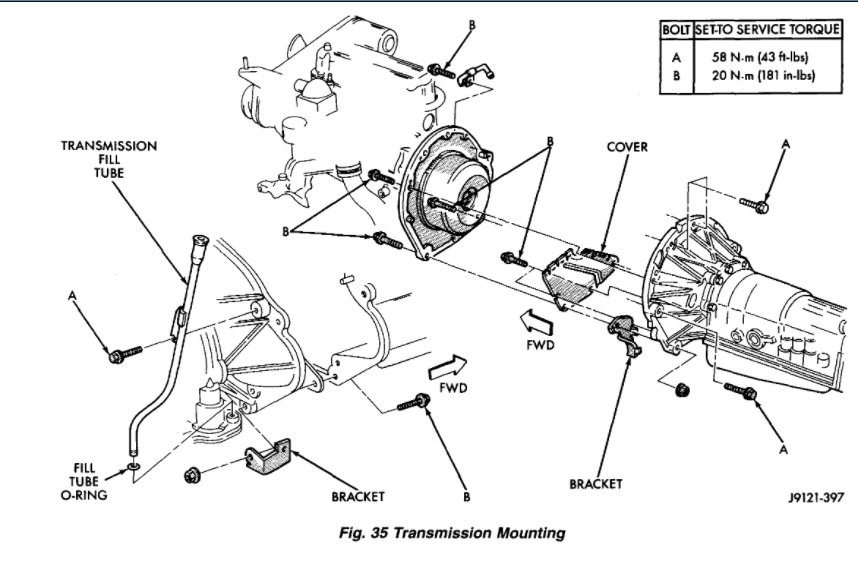
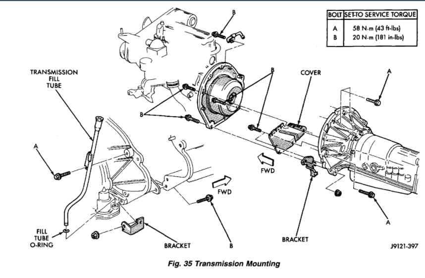
I've attached picture steps below showing how to remove and replace the automatic transmission in your vehicle. Hope this helps and thanks for using 2CarPros.
Jan 27, 2021 at 5:41 PM