Transmission Range Sensor wiring diagram needed?

2010 FORD ESCAPE
230,000 MILES • 2.5L • 4 CYL • 2WD • AUTOMATIC
Avatar
MCFLY_134
  • MEMBER
  • 2 POSTS
My car won't start with the key. I am able to jumper the relay to start the car and replace the ignition switch. I think the transmission range sensor is bad, but before going through all the effort to tear into the transmission I'd like to test for any electrical issues first. Does anyone have a detailed diagram of the starting system?
Aug 12, 2023 at 9:36 PM
Advertisement
Avatar
JACOBANDNICKOLAS
  • CERTIFIED EXPERT
  • 110,175 POSTS
Hi,

I have both trans and starting system circuits. I'm not sure which one you want first, so I started with the transmission.

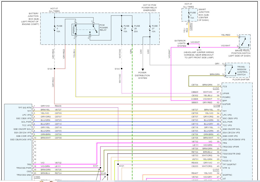
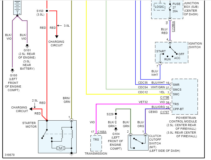
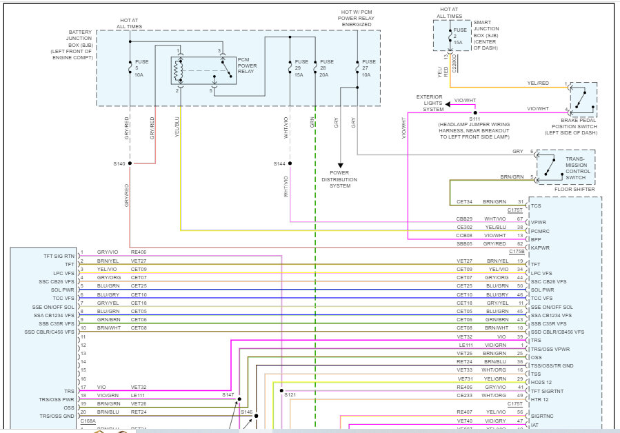
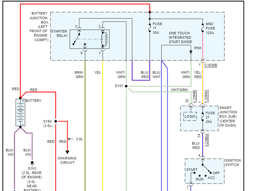
The first two pics are the wiring schematic for the transmission circuit. I had to cut the schematic in half to make it readable, but I did overlap the two so you can follow from one to the next.

Additionally, the next 15 pics are all of the connector pinouts for related to the transmission including the range sensor.

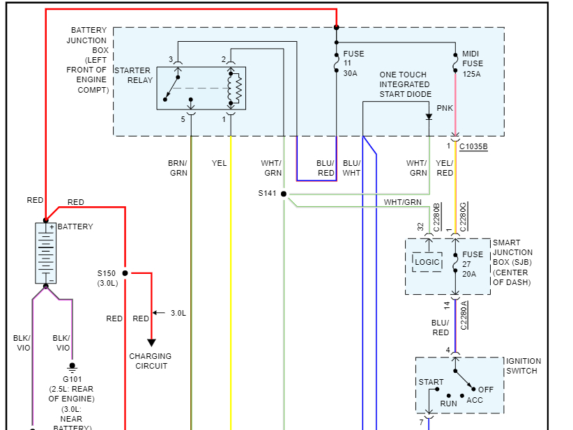
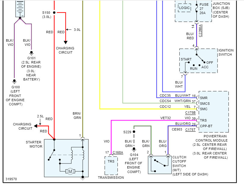
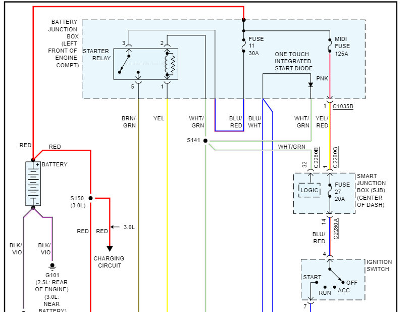
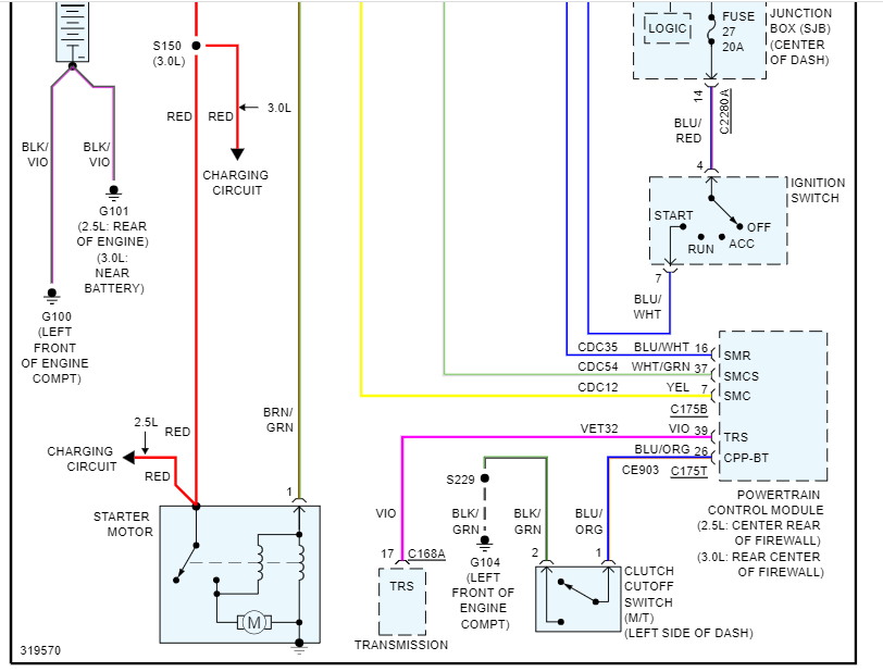
The last two pics are the starter circuit wiring schematic. Again, I had to cut it in half to make it readable.

Let me know if this helps or if you have other questions.

Take care,

Joe

See pics below.
Aug 13, 2023 at 11:47 PM
Avatar
MCFLY_134
  • MEMBER
  • 2 POSTS
Thanks Joe, these were super helpful. It took me a while to find the time to dig back in. I determined my Transaxle harness has power, ground and continuity of the TR sensor terminals. I also confirmed the starter relay power and ground terminals are functioning as expected. A few questions:

What is the signal type on the TR Sensor signal (4-20mA, mV, or just ground)?

What functions does the TR Sensor signal control other than preventing the car to start? I am considering installing a switch to bypass the Sensor, but I'm reluctant to do so if the TR Sensor signal is used for other vehicle functions.

Is there any adjustment external to the transmission that might be causing this issue, maybe something to do with the push rod?

Are there any other reasons my car wouldn't start normally, but does when I jumper around the relay?

Thanks in advance!
Oct 19, 2023 at 9:04 AM
Advertisement
Avatar
JACOBANDNICKOLAS
  • CERTIFIED EXPERT
  • 110,175 POSTS
Hi,

I believe the signal is a ground. As far as other possibilities, yes there are different things. For example, if the relay is good and we have power where it is needed, the PCM may not be providing a ground path to actuate the relay and send power. Have you checked the relay circuit?

Take a look at this link and let me know:

https://www.2carpros.com/articles/how-to-check-an-electrical-relay-and-wiring-control-circuit

Joe
Oct 19, 2023 at 5:35 PM