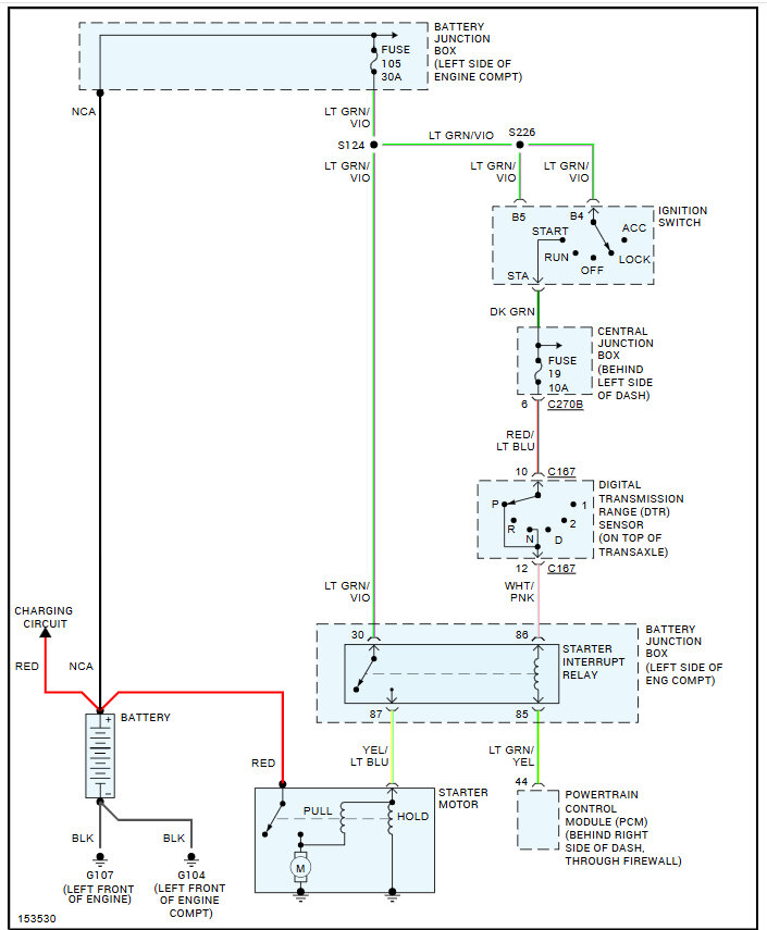
My Transmission Range Sensor wiring harness was all frayed and damaged, so I replaced all the wires and terminal pins understand what but unfortunately, the photo I took for just this reason didn't come out, very clear. So, I don't know the proper order of the wiring connections.
I've looked for wiring diagrams and I thought I found the right one but as I followed it exactly and reverse is now in parks spot it's clear I don't have the correct pinout order.
Any help would be really appreciated as just guessing the right order, I have a 12-pin connector, and though it only uses seven wires, five on the top, two on the bottom, trial and error could take me well into retirement age.
By the way I know the proper spaces just not which goes in said holes.
Thank you so much in advance!
I've looked for wiring diagrams and I thought I found the right one but as I followed it exactly and reverse is now in parks spot it's clear I don't have the correct pinout order.
Any help would be really appreciated as just guessing the right order, I have a 12-pin connector, and though it only uses seven wires, five on the top, two on the bottom, trial and error could take me well into retirement age.
By the way I know the proper spaces just not which goes in said holes.
Thank you so much in advance!
Oct 28, 2024 at 11:34 PM









