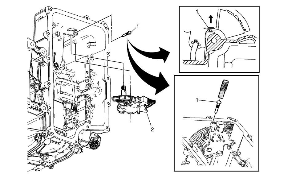
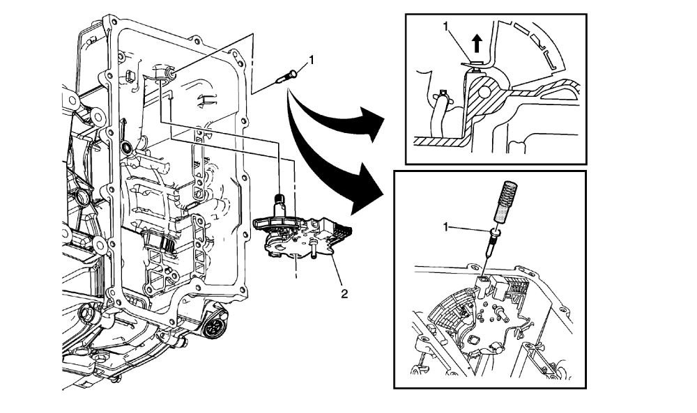
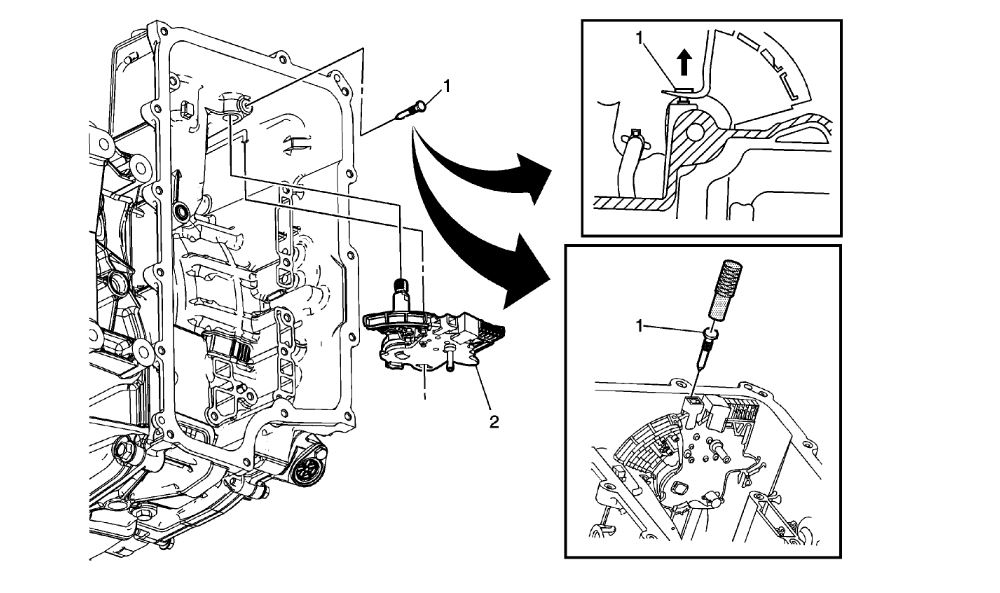
how do you disconnect the mechanical connection/fastener of the transmission range selector lever cable terminal from the transmission manual shift lever pin? I see no nut, screw, pin, or clip holding it on the transmission manual shift lever pin.
Apr 7, 2020 at 2:34 PM




