transmission malfunction

2009 BMW 528
80,000 MILES • 3.0L • 6 CYL • 2WD • AUTOMATIC
Avatar
WALTER2017
  • MEMBER
  • 3 POSTS
Cannot move gears. it is stuck in the parking gear.
Oct 27, 2017 at 6:29 AM
Advertisement
Avatar
KHLOW2008
  • CERTIFIED EXPERT
  • 41,814 POSTS
Hi Walter,

The shift interlock system has malfunctioned resulting in the gear shift being locked. Check if the brake lights are working. If not, it could be a blown fuse or a bad brake switch. Worse of the problem would be a faulty interlock solenoid/module.

K H Low
Oct 27, 2017 at 7:16 AM
Avatar
WALTER2017
  • MEMBER
  • 3 POSTS
This morning when I started the engine I saw a message of transmission malfunction may be resolved with restarting the car, but restarting it did not help. I cannot change gears, just to neutral. Any advice? Thank you
Oct 27, 2017 at 2:44 PM (Merged)
Advertisement
Avatar
MHPAUTOS
  • CERTIFIED EXPERT
  • 31,937 POSTS
You need to first check oil level and see if your transmission will set codes. post any codes here for further assistance.
Oct 27, 2017 at 2:44 PM (Merged)
Avatar
WALTER2017
  • MEMBER
  • 3 POSTS
p2720 pressure control solenoid, control circuit low.
Oct 28, 2017 at 9:36 AM
Avatar
STRAILER
  • CERTIFIED EXPERT
  • 53,855 POSTS
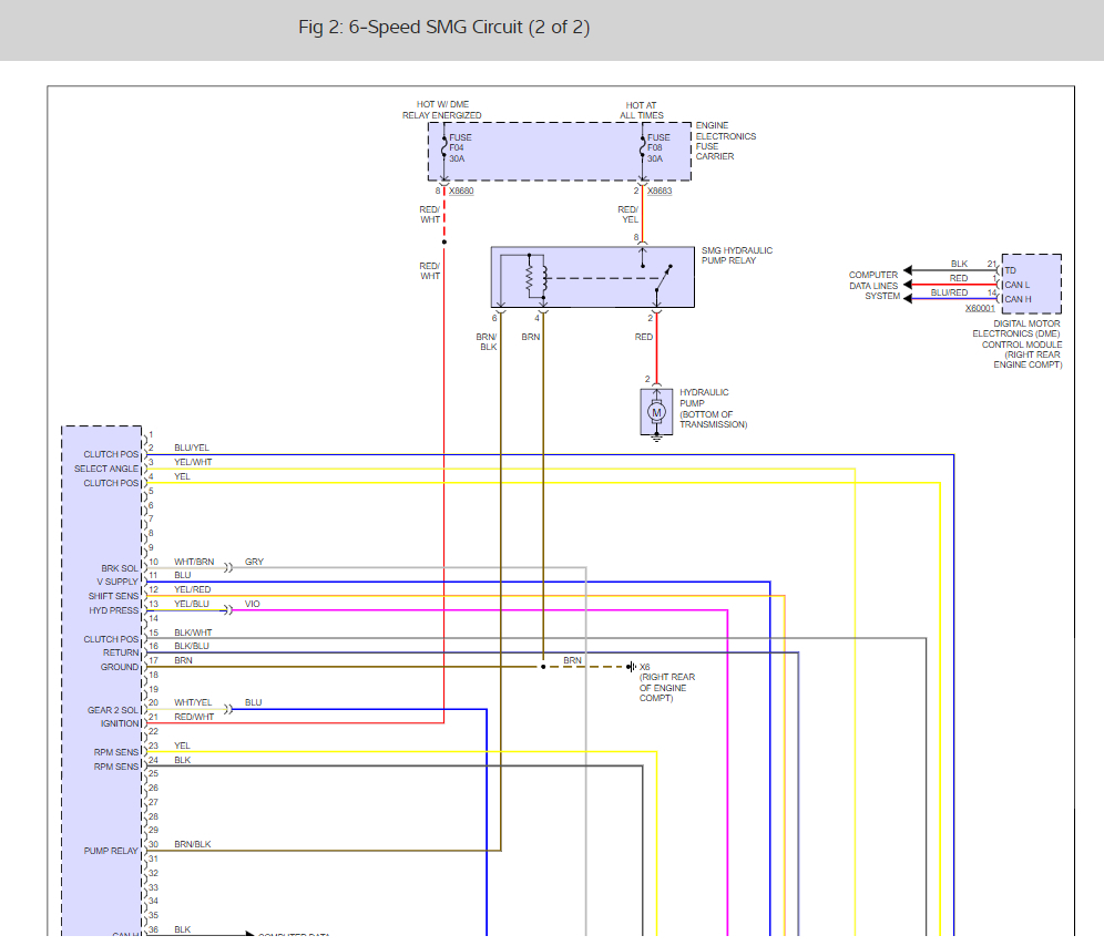
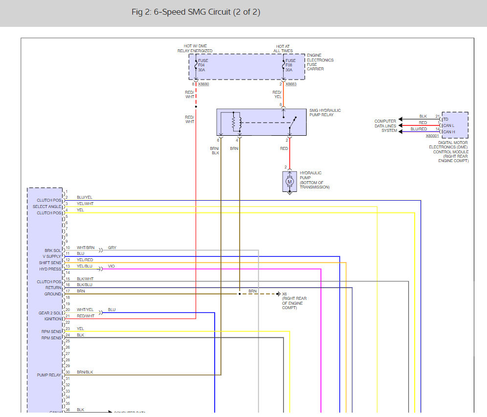
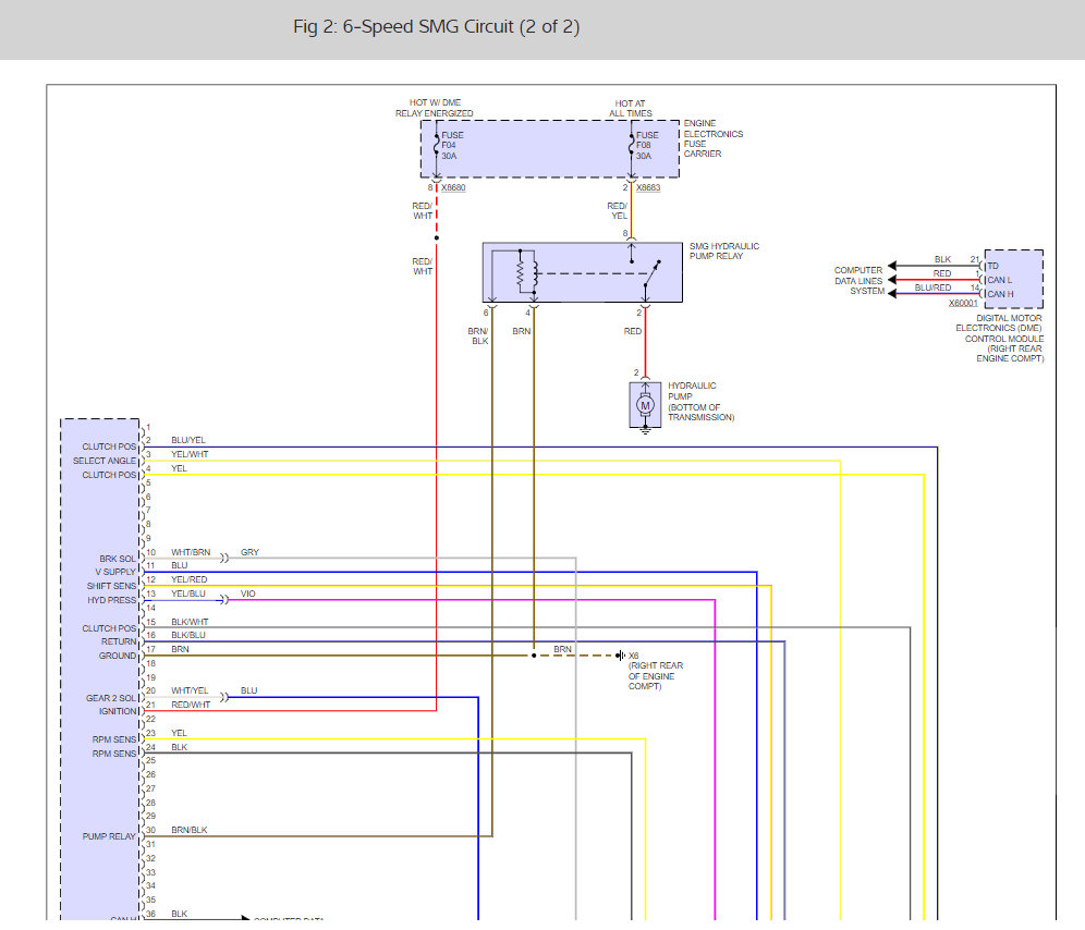
There are several fuses and a hydraulic pump relay that can go out which will cause the problem you are describing.

Here are some guides that will help you get the job done:

https://www.2carpros.com/articles/how-to-check-a-car-fuse

and

https://www.2carpros.com/articles/how-to-check-an-electrical-relay-and-wiring-control-circuit

Check out the diagrams (below).

Please let us know what happens.

Cheers, Ken
Oct 30, 2017 at 12:55 PM