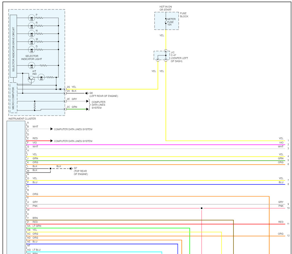
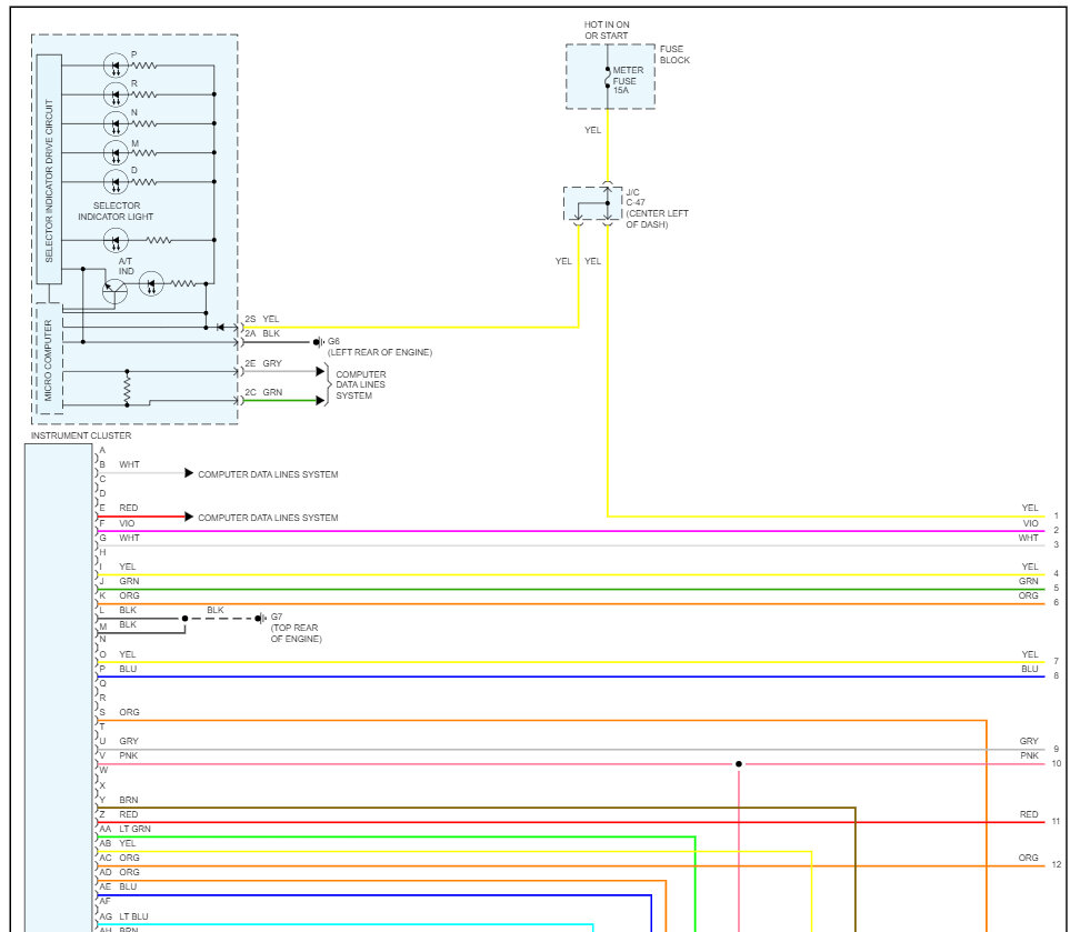
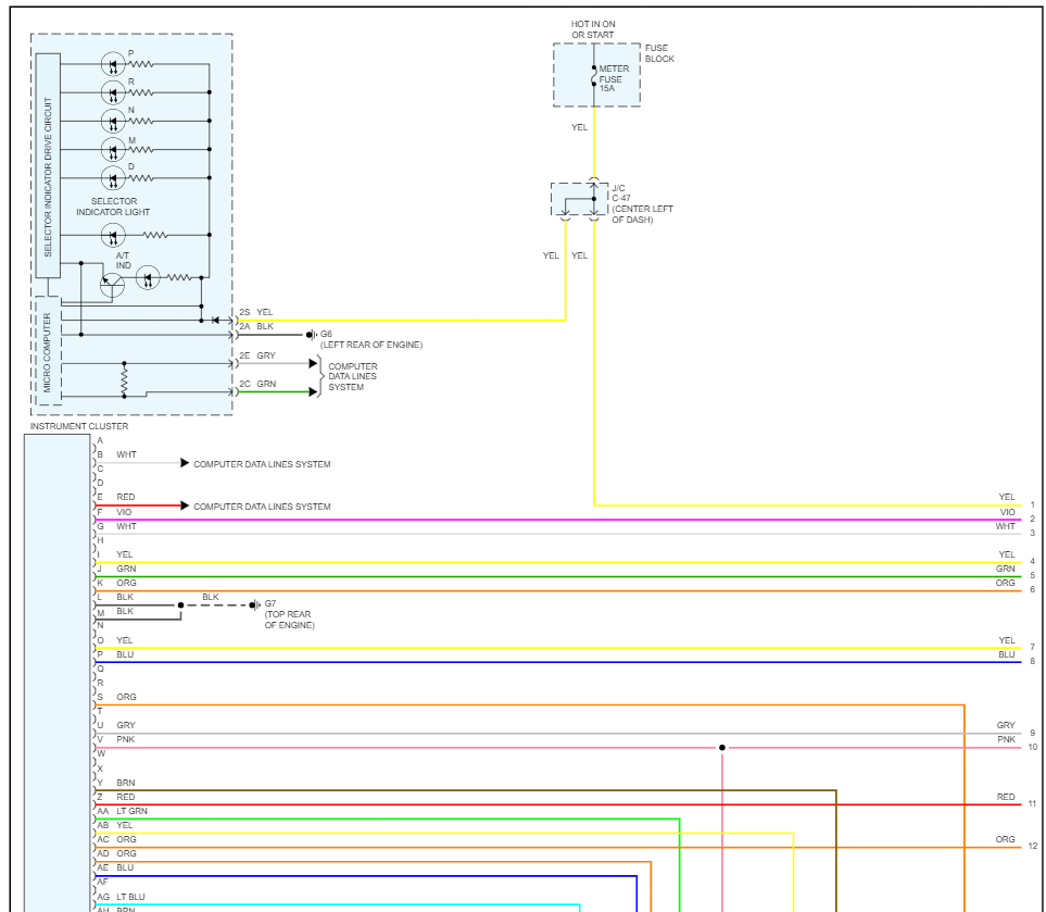
I need the wiring schematics for the PCM going to the TCM going to the shift solenoids. I'm chasing a short and can't find the wiring schematics.
Jul 15, 2023 at 12:33 AM



