Transmission Control Module wiring diagram needed?

2015 CHRYSLER 300
147,000 MILES • 6 CYL • 4WD • AUTOMATIC
Avatar
  • MEMBER
  • 1 POST
Car won’t start, it says it is not in park when it is. It got super cold out and started acting weird and then just stopped working. Brother-in-law has computer he hooked up and Tom is coming up. The plug was in rough shape, so I ordered a new one. Got it hooked up but now says low power. I think we need a wiring diagram for the TCM module if possible.
Jan 19, 2025 at 2:45 PM
Advertisement
Avatar
BORIS K
  • CERTIFIED EXPERT
  • 836 POSTS
Hello,

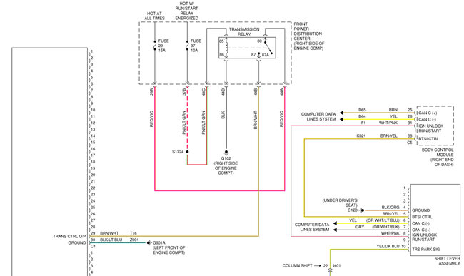
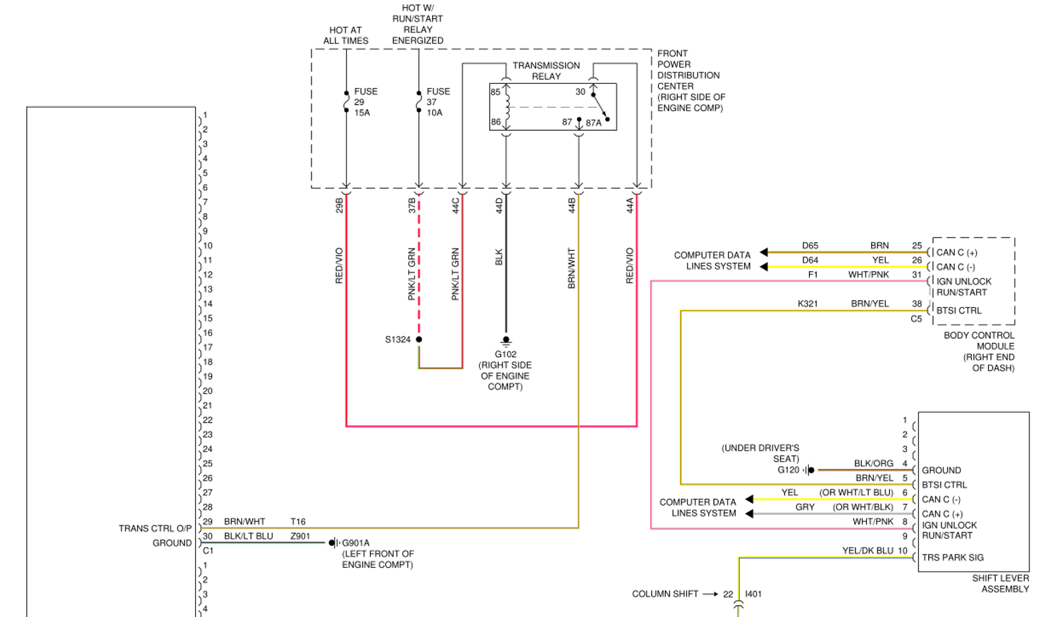
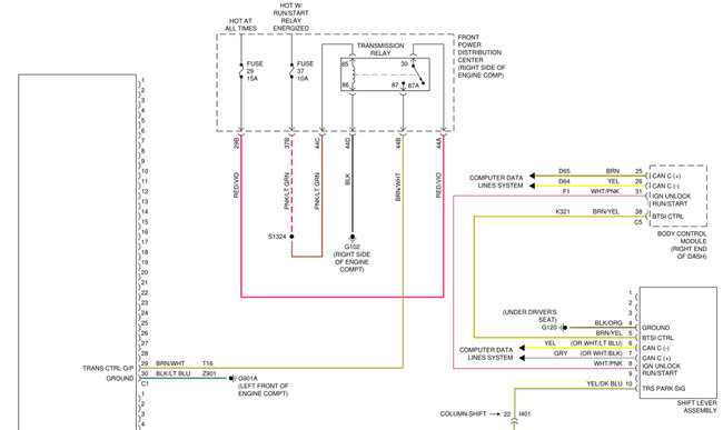
Below is the wiring diagram for the 5speed automatic transmission.

Hope this helps.

Cheers, Boris
Jan 20, 2025 at 9:09 AM