Transmission control module

2007 HYUNDAI SANTA FE
140,000 MILES • AWD • AUTOMATIC
Avatar
TJOHNSON126
  • MEMBER
  • 1 POST
I am getting codes P0890 and P0501. Was told to replace TCM but not sure where it is located.
May 8, 2017 at 1:42 PM
Advertisement
Avatar
STRAILER
  • CERTIFIED EXPERT
  • 53,854 POSTS
Hello,

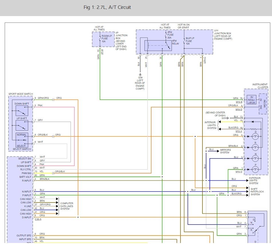
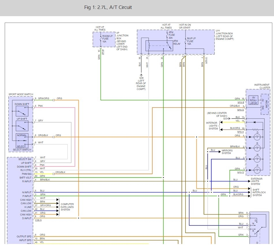
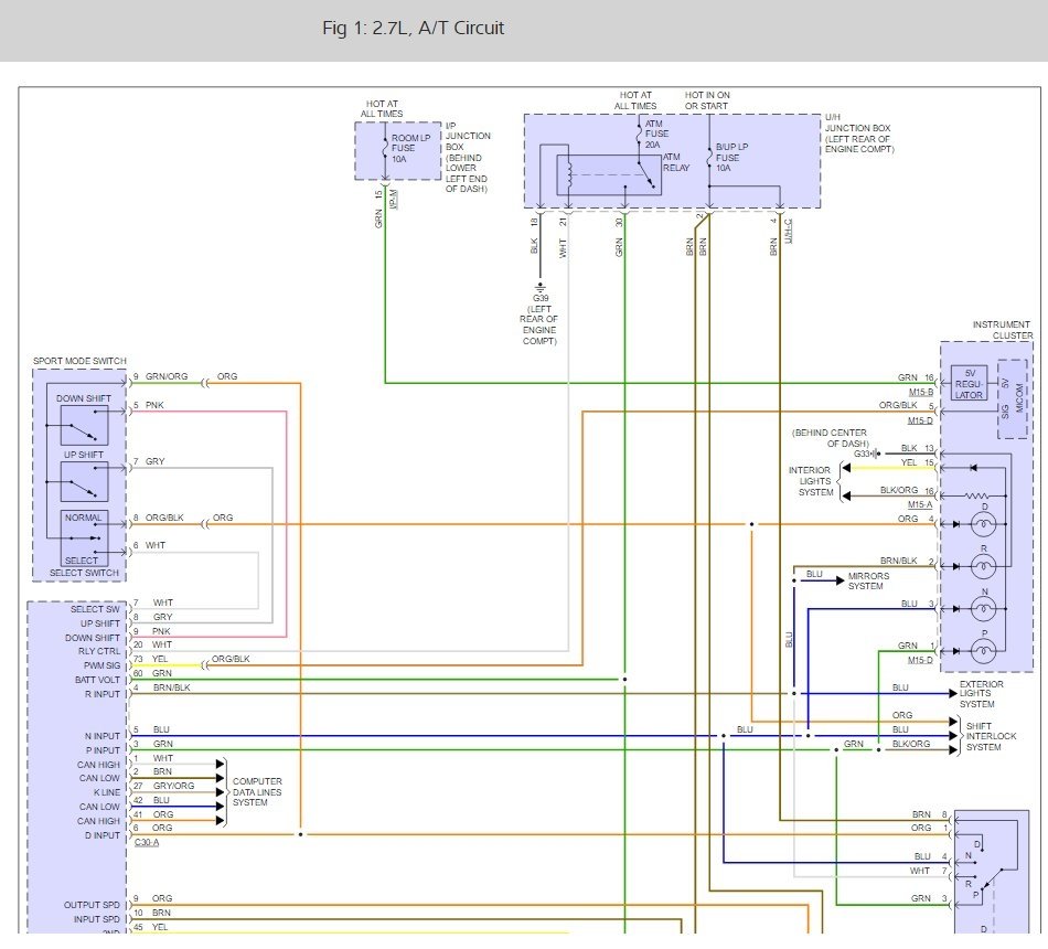
There is no TCM on the car per say. It is integrated into the engines PCM which is normal for this car. But there is a ATM or TCM relay which powers the PCM side of the circuit Here is a wiring diagram (BELOW) so you can see for yourself. It seems like you might have a shift solenoid out. I would use the diagram and drop the pan to check the resistance of each one to see if one is way different from the rest telling you its bad and needs to be replaced. Please run some tests and get back to us so we can continue helping you. Here is the relay location under the hood with a guide to help you test it.

https://www.2carpros.com/articles/how-to-check-an-electrical-relay-and-wiring-control-circuit

Check out the diagrams (Below). Please let us know what happens.
May 10, 2017 at 5:20 PM
Avatar
VICTOR SANTILLANA
  • MEMBER
  • 1 POST
Where is the TCM located and the TCM relay?
Apr 9, 2020 at 6:17 PM (Merged)
Advertisement
Avatar
ASEMASTER6371
  • CERTIFIED EXPERT
  • 52,796 POSTS
Good morning,

The transmission control is part of the engine control module. they are combined into one unit. Do you have any codes? if you do, list them so I can help you narrow the area of failure. Why do you believe the module is defective? This guide can help

https://www.2carpros.com/articles/automatic-transmission-problems

Please run down this guide and report back. Roy
Apr 9, 2020 at 6:17 PM (Merged)