Transmission slipping and code P0963?

2013 GMC ACADIA
130,000 MILES • 3.6L • 6 CYL • 4WD • AUTOMATIC
Avatar
JAMIEMORA
  • MEMBER
  • 18 POSTS
Hello, my vehicle is still slipping and giving the code P0963, I replaced solenoids and flushed and cleaned everything. I have now opened the transmission and noticed that friction plates look burnt to me and as if they have no more friction as if it were worn off. can you zoom in to these pictures and confirm this? could this be the reason for the car to continue slipping when going into certain gears? These pictures include 3, 4, 5, and 6 friction plates I believe. Also, can you zoom into the wave plate picture which is the one with the tape on it to see if it looks too flat or warped? thank you
Oct 15, 2024 at 2:29 PM
Advertisement
Avatar
CANNON1349
  • CERTIFIED EXPERT
  • 861 POSTS
Hello,

P0693 : LINE PRESSURE CONTROL (PC) CONTROL CIRCUIT HIGH VOLTAGE

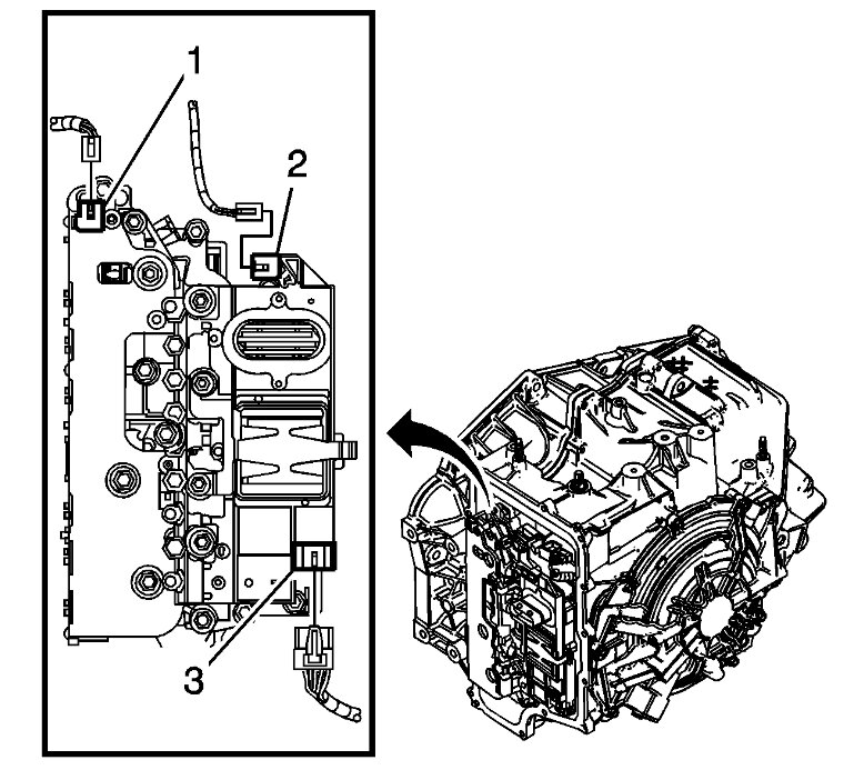
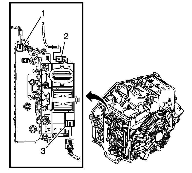
When this code is flagged the transmission will freeze all adaptations and maximize line pressure. Driving this way for a while could possibly lead to issues, and in your pictures the clutches do seem burnt. I bet it also smells burnt. One thing you did not mention was the valve body. This valve body has the TCM made with it as an assembly, and it a prime suspect for this code especially if there is debris in any of the connections. I would say at this point to throw some clutches in it and a valve body assembly. Of course another option is to find a complete transaxle assembly. You can monitor the solenoid voltage with a scan tool and once it goes over 8.2v and the engine rpm stays above a certain speed it will flag a problem. I attached a picture of the valve body location below.

Please let us know if you need anything else.
William
Oct 15, 2024 at 5:47 PM
Avatar
JAMIEMORA
  • MEMBER
  • 18 POSTS
Hi William, thank you for your response, so yes, the valve body assembly was the first thing we changed and were sure that would solve the problem but unfortunately it did not, this has been so hard at guessing, finally decided to open the transmission and that is where I am at now but was not sure how all the disks and friction disks should look, thank you.
Oct 15, 2024 at 7:03 PM
Advertisement
Avatar
CANNON1349
  • CERTIFIED EXPERT
  • 861 POSTS
Hello,

Yes, guessing can sometimes cause more of a headache than the original problem. However, bad clutches will not cause the code but will cause the slippage. At this point I think it may be a better decision to look for a used or rebuilt transaxle and put it all behind you. In any case, thanks for using 2carpros.com.

William
Oct 15, 2024 at 7:28 PM
Avatar
JAMIEMORA
  • MEMBER
  • 18 POSTS
Hello, I changed the disks in the transmissions hoping this would fix the slipping praying it works but I am having trouble getting one of the parts back on I believe it is called the steering wheel knuckle, I can't get them to snap back together, any suggestions, I will upload a few pictures to see if you can see what I mean, my hand may be in the way. thank you
Nov 5, 2024 at 11:43 AM (Merged)
Avatar
STRAILER
  • CERTIFIED EXPERT
  • 53,854 POSTS
I am sorry, I can't see the part you are talking about? Can I ask why you had to mess with the steering to get the transmission out? Please recheck your images.
Nov 5, 2024 at 11:43 AM (Merged)
Avatar
JAMIEMORA
  • MEMBER
  • 18 POSTS
Thank you for your response, I am very sorry, my wife helped me type up that last message, the transmission is in place not removed, I changed the disks only, I was able to get everything put back together, and the problem continues, I accelerate, and the first few seconds is good but then it starts in slipping and then a few minutes later it respondes less and less when I push the gas, I am really confused at this point, after having changed the disks and having the car battery disconnected for days do I need to do anything specific to the car before the slippage goes away, please any advice, this problem is not going away and it seems I have tried everything, one of the other mechanics mentioned the transaxle, could this be the issue, is there any way to test the transaxle to see if it does work before I go and buy a new or used one, thank you so much for your response and patience, one more thing I wanted to ask, is there any way I can call you or you can call me to better explain, thank you.
Nov 5, 2024 at 11:43 AM (Merged)
Avatar
STRAILER
  • CERTIFIED EXPERT
  • 53,854 POSTS
I changed the disks? I am not sure what you mean. The clutch discs? For this the transmission must be removed? I know these cars had problem with the transmission forward drum cracking and the case gets chewed up as well.
Nov 5, 2024 at 11:43 AM (Merged)
Avatar
JAMIEMORA
  • MEMBER
  • 18 POSTS
Thank you for your response, I am very sorry, my wife helped me type up that last message, the transmission is in place not removed, I changed the disks only, I was able to get everything put back together, and the problem continues, I accelerate, and the first few seconds is good but then it starts in slipping and then a few minutes later it respondes less and less when I push the gas, I am really confused at this point, after having changed the disks and having the car battery disconnected for days do I need to do anything specific to the car before the slippage goes away, please any advice, this problem is not going away and it seems I have tried everything, one of the other mechanics mentioned the transaxle, could this be the issue, is there any way to test the transaxle to see if it does work before I go and buy a new or used one, thank you so much for your response and patience
Nov 5, 2024 at 11:43 AM (Merged)
Avatar
JAMIEMORA
  • MEMBER
  • 18 POSTS
Hello, I am in need of assistance with this car, it is very confusing, about a month ago it started to slip when trying to go into 3rd or 4th Gear and the RPMS are the only thing that go sky high, but the car does not go faster than around 35 mph, after everything I have done I just took it for a ride and now it only allows 1st gear to work but when it is time to go to 2nd or anything else it slips and RPMS go sky high, below I will list everything I have done so far, thank you so much for your time.
Changed Solenoids and housing module
Flushed put all new transmission fluid, the old fluid was very dark and looked like there were little pieces of metal or aluminum.
The last thing I just did was change the Friction/Clutch plates.
As far as having to do anything after changing those or having the battery disconnected for days, I have done nothing, such as relearn or reprogram, could this be why it still slips, please help I am really confused at this point, thank you.
Nov 6, 2024 at 9:37 AM (Merged)