Will not start and transmission not working properly

1997 TOYOTA T-100
264,000 MILES • 6 CYL • 4WD • AUTOMATIC
Avatar
DANNY_KESSELS
  • MEMBER
  • 11 POSTS
It started when I shifted my automatic transmission from park to drive, indicator light says it's still in park. I can feel the clunk that it is shifting gears and it would operate and run/start. Now it won't start as I don't think the transmission recognizes that it is in park even though the indicator light says it's in park. The shifter still seems to operate as I can feel it appearing to shift gears once I turn on ignition. But when I put into the park position it will not start or even turn over. Again, I don't think the computer recognizes that it is in park.
Dec 5, 2021 at 1:17 PM
Advertisement
Avatar
JACOBANDNICKOLAS
  • CERTIFIED EXPERT
  • 110,175 POSTS
Hi,

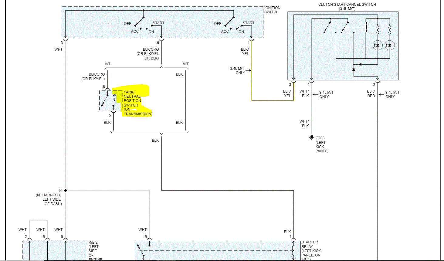
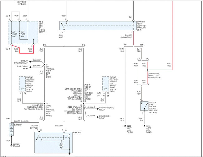
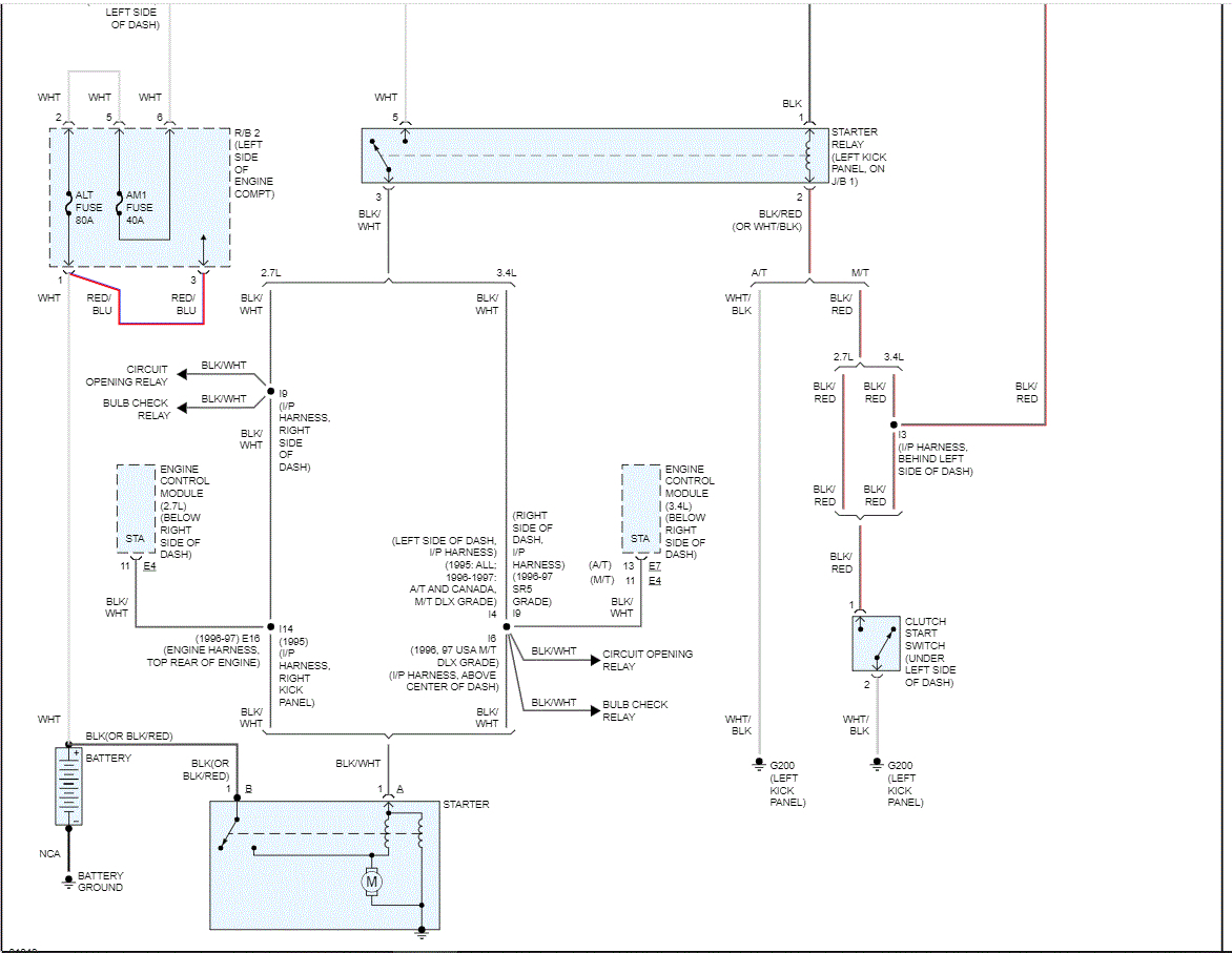
It is very possible not fully in park or at least the neutral safety switch isn't. Here is what to do, I attached a wiring schematic below for your review. First, locate the switch on the transmission. There will be two-wires at the connection. One of the wires is black. Check to see if there is power to it when trying to start the engine. You will need a helper to turn the key but try this and let me know the results.

Take care,

Joe

See pics below.
Dec 5, 2021 at 5:04 PM
Avatar
DANNY_KESSELS
  • MEMBER
  • 11 POSTS
Thank you so much for your response! So, I have located the part, I will probably test on Sunday, very busy, Is there just two wires to the switch? If more than two put DVM on black wire and metal ground for voltage test while turning the ignition on correct. If you have a video of that process, please attach link. Thanks so much again for you time.
Dec 8, 2021 at 6:16 AM
Advertisement
Avatar
JACOBANDNICKOLAS
  • CERTIFIED EXPERT
  • 110,175 POSTS
Hi,

The black wire is the output, so yes, you can use a test light to ground. Also, the key will need to be in the start position for power to be sent. Also, you can confirm if there is power on the opposite wire as well. That one comes right from the ignition switch.

As far as a video, here is one that explains how to check a circuit using a test light. This will work for you as well.

https://youtu.be/Hlna_kUt7As

If you use a test light, provide a good ground to the ground wire in the light, and then probe the wire to check for power with the test light side of the tool.

Let me know if you have questions.

Take care,

Joe
Dec 8, 2021 at 7:54 PM
Avatar
DANNY_KESSELS
  • MEMBER
  • 11 POSTS
Hi, it was the neutral safety switch. Thanks so much for your help.
Dec 13, 2021 at 5:17 AM
Avatar
JACOBANDNICKOLAS
  • CERTIFIED EXPERT
  • 110,175 POSTS
Thanks for the update, Danny. I'm glad to know it's fixed.

Please feel free to come back anytime in the future if you have questions or need help in any way.

Take care and I hope you have a Merry Christmas.

Joe
Dec 13, 2021 at 2:08 PM
Avatar
DANNY_KESSELS
  • MEMBER
  • 11 POSTS
Merry Christmas to you and your family.
Dec 14, 2021 at 5:33 AM