Transmission range sensor location

2015 FORD FUSION
180,000 MILES
Avatar
BRONCOS1201
  • MEMBER
  • 2 POSTS
Cannot find the transmission range sensor in my car. Do you know where it is located?
Sep 1, 2018 at 5:43 PM
Advertisement
Avatar
AL514
  • CERTIFIED EXPERT
  • 5,464 POSTS
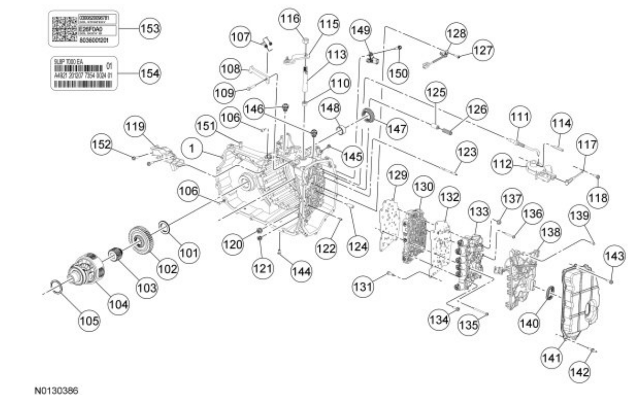
Hello, thanks for using 2CarPros.com. The Transmission Range Sensor is located in the transmission itself, at the end of the shift linkage. Here is a diagram showing its location.
Sep 2, 2018 at 11:15 AM
Avatar
BRONCOS1201
  • MEMBER
  • 2 POSTS
I cannot take the pin out of my transmission that holds the range sensor. Is there a step by step on how to? I have a 2015 Ford Fusion 2.5L and what I need to remove to get in closer? Thank you
Sep 4, 2018 at 11:45 AM
Advertisement
Avatar
STRAILER
  • CERTIFIED EXPERT
  • 53,854 POSTS
Hello,

I found the rest of the diagrams for you, they show everything you need to do to replace the transmission gear range sensor. Check out the diagrams (below). Please let us know if you need anything else to get the problem fixed.

Cheers, Ken
Sep 7, 2018 at 12:26 PM
Avatar
NYPH TREE
  • MEMBER
  • 1 POST
Diagnostic is telling me to replace my TR sensor. But I'm not sure of its location.
Nov 11, 2020 at 11:33 AM (Merged)
Avatar
94 TRANSAM
  • CERTIFIED EXPERT
  • 680 POSTS
There is an internal and external range sensor. Diagrams to remove both are below.

1-15 are the internal
1x-3x are the external

Rich
Nov 11, 2020 at 11:33 AM (Merged)
Avatar
FITZY811
  • MEMBER
  • 3 POSTS
Hey Ken, I'm replacing one now...I usually never touch transmissions. As far as I'm concerned, too much magic happens in there. I've avoided them for 40 years, lol.. I'm working on a 2012 Ford fusion CVT replacing the digital range switch in the vehicle. Can't get the parking pawl out of the way to slide the parking pawl push rod in. I've tried pushing it down with a long screwdriver and keeping pressure on the wheels, but it still pops up. Any other suggestions to get the new part in?
Thanks, Tom
Mar 28, 2022 at 8:53 AM
Avatar
STRAILER
  • CERTIFIED EXPERT
  • 53,854 POSTS
They don't show to much here this is the only thing they give us in AllData. Can you please shoot a quick video with your phone so we can see what's going on, that would be great? You can upload it here with your response.
Mar 28, 2022 at 10:17 AM
Avatar
FITZY811
  • MEMBER
  • 3 POSTS
I set up a link for the video. I have Identifix and it just says, "Install the sensor and park pawl rod" and that is all they say. they all have the same pictures everyone else has.. https://photos.app.goo.gl/57GgFCtRpCZJYLgG8
Mar 28, 2022 at 10:44 AM
Avatar
FITZY811
  • MEMBER
  • 3 POSTS
Never mind... I managed to get it in there after wrestling with it for a bit. I grabbed the rod under the sensor with needle nose vice grips to get the grip and leverage I needed and was able to push down on the park pawl while pushing forward into the trans with the park pawl lever.. All good now.. Thanks
Mar 28, 2022 at 12:14 PM
Avatar
STRAILER
  • CERTIFIED EXPERT
  • 53,854 POSTS
Good to hear, please use 2CarPros anytime we are here to help.
Mar 28, 2022 at 12:51 PM
Avatar
GALICIAOSCAR8013
  • MEMBER
  • 4 POSTS
I'm trying to get it in there without bringing down my transmission, I've struggle for the last couple hours, is there any way to do it?
Jul 24, 2024 at 4:10 PM
Avatar
STRAILER
  • CERTIFIED EXPERT
  • 53,854 POSTS
Yep, it is a tough job when the transmission is in the car. Can you upload images of the problem so I can help?
Jul 25, 2024 at 9:23 AM