i need the wiring schematic for my car listed above.
Jan 12, 2018 at 12:15 AM
Advertisement
PATENTED_REPAIR_PRO
CERTIFIED EXPERT
1,853 POSTS
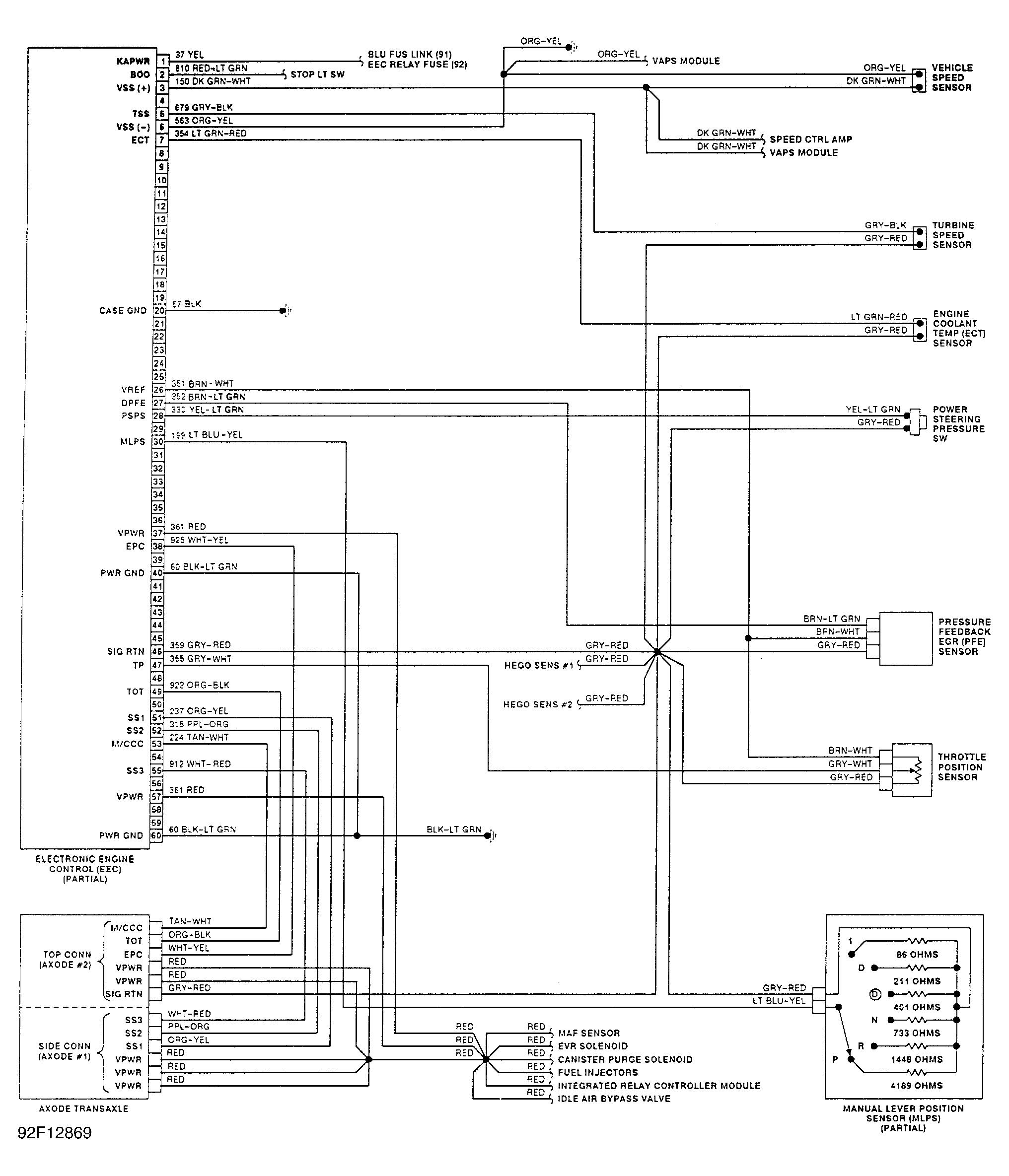
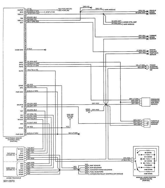
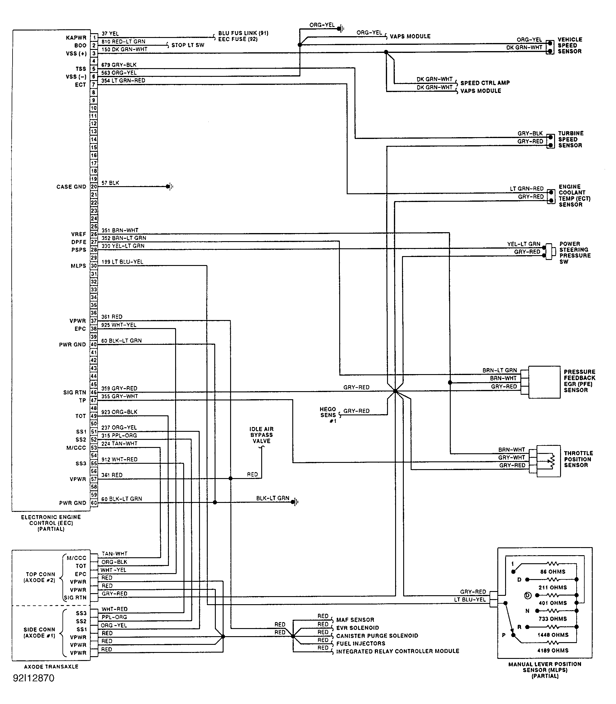
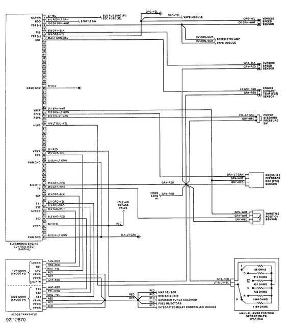
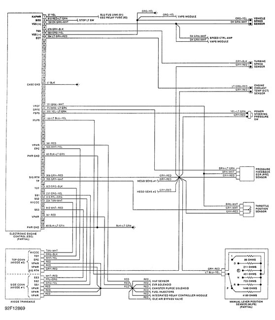
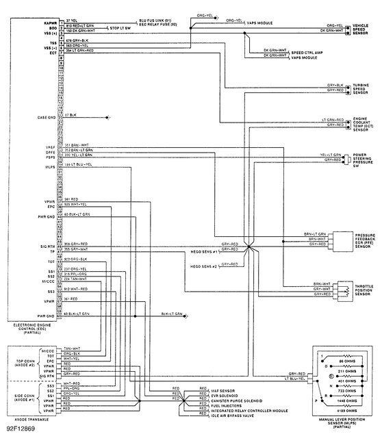
These are the two transmission wiring diagrams. Check out the diagrams (Below). Please let us know if you need anything else to get the problem fixed.
Images (Click to enlarge)
Jan 12, 2018 at 7:03 AM
RGOLDSTEIN333
MEMBER
1 POST
Trans shop told me I need a new trans. of course, so I have driven all year without overdrive. Is there any chance this is something I can attempt to fix myself. I mean can I look for a faulty wire/connection on the outside etc instead of something inside the tranny?
Sep 7, 2020 at 1:58 PM
(Merged)
Advertisement
ASEMASTER6371
CERTIFIED EXPERT
52,796 POSTS
believe the trans shop. they are correct. there is nothing external that you can do.
sorry for the bad news but it is common for fords for this trans to fail.