transmission is not changing into gear once I take off from complete stop?

2012 FORD EDGE
202,300 MILES • 2.0L • 6 CYL • TURBO • 2WD • AUTOMATIC
Avatar
KIMYA92!
  • MEMBER
  • 3 POSTS
When get on highway the transmission isn't changing into gear once I take off from complete stop and as I'm accelerating the vehicle seems like the humming sound gets louder and louder.
Jan 20, 2023 at 10:40 PM
Advertisement
Avatar
STRAILER
  • CERTIFIED EXPERT
  • 53,854 POSTS
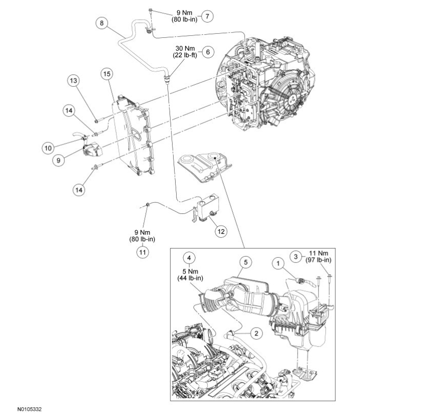
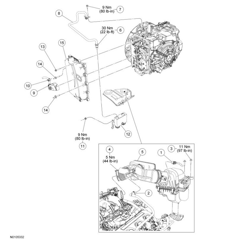
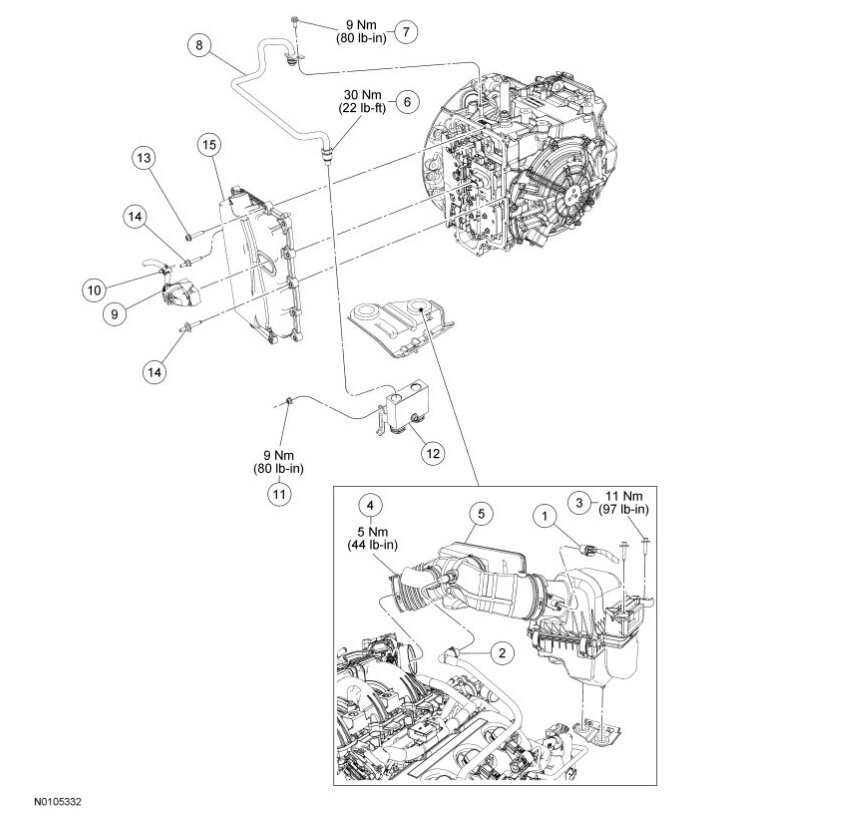
This humming sound could be the transmission filter being plugged which will affect the transmission operation. Here is a generic guide to help you step by step with instructions in the diagrams below to show you how to on your car.

https://www.2carpros.com/articles/how-to-service-an-automatic-transmission

Check out the images (below). Please let us know what happens.
Jan 21, 2023 at 11:39 AM
Avatar
KIMYA92!
  • MEMBER
  • 3 POSTS
Okay, I appreciate you. I haven't taken it to the shop yet, but it's in progress of going I just hope I don't have to get new transmission. My vehicle listed above is a Limited model.
Jan 21, 2023 at 11:53 AM
Advertisement
Avatar
STRAILER
  • CERTIFIED EXPERT
  • 53,854 POSTS
Yep, we try to fix the problem and use a new transmission as the last resort. Let me know what happens please.
Jan 22, 2023 at 12:14 PM
Avatar
KIMYA92!
  • MEMBER
  • 3 POSTS
I will.
Jan 22, 2023 at 1:07 PM