Driving down highway at 65 MPH lost all gears?

2001 CHEVROLET SILVERADO
233,000 MILES • 5.3L • V8 • 4WD • AUTOMATIC
Avatar
GEORGE SMITH2
  • MEMBER
  • 1 POST
It didn't make any noise when it happened. All fuses are good. Replace both shift solenoids. TCC Solenoid replaces. New Transmission filter. New VSS. Scanned it multiple times in the last three weeks no codes for transmission or ABS to this topic. Yesterday I scanned it. 9 DTC codes came up for Transmission, so I figured it had to be electrical. So, I check to see if power was at solenoids in the pan of transmission and there was. Went to check vss. Nothing at all. What should I do now? Thank you for any help. I've been stranded in another state. Spent close to $2,500.00 on this issue. Only because of parts, taxi cabs, and multiple. I mean each trip to auto parts store $50.00. And on top of it I was very limited on tools. And trying to do this in a foot and a half of snow. I've got no one to look to.
Dec 19, 2022 at 12:22 AM
Advertisement
Avatar
STRAILER
  • CERTIFIED EXPERT
  • 53,854 POSTS
Let's start by clearing the codes, then turn the key on and rerun the codes, this will give us the hard code, which is what we will fix first, it sounds like the pressure regulating solenoid spring broke which is in the front pump cover. Please recheck the transmission fluid level with the truck on flat ground.

https://www.2carpros.com/articles/checking-a-service-engine-soon-or-check-engine-light-on-or-flashing

Also, if the transmission filter drops out of the transmission case it will cause this issue as well.

Check out this guide:

https://www.2carpros.com/articles/automatic-transmission-problems

and

https://www.2carpros.com/articles/how-to-service-an-automatic-transmission

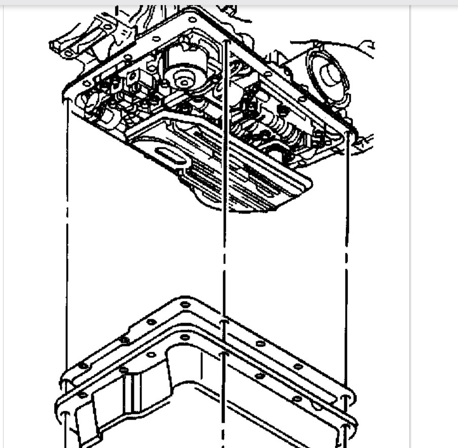
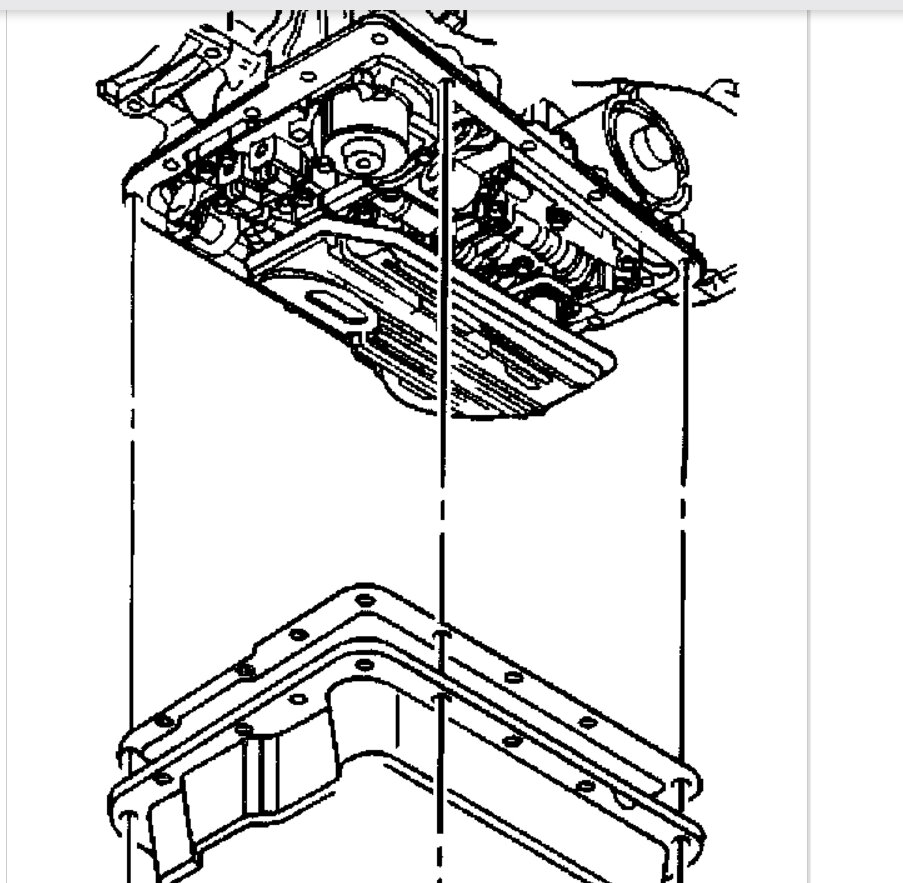
Let's hope it is the filter. Check out the images (below). Let us know what happens and please upload pictures or videos of the problem.
Dec 19, 2022 at 11:20 AM