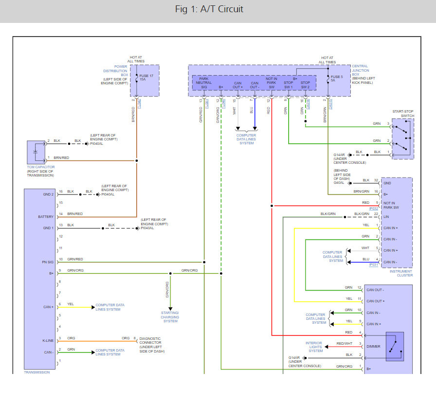
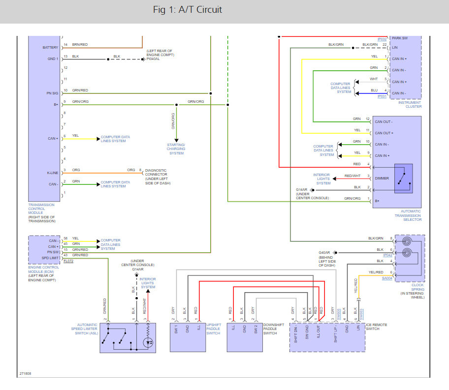
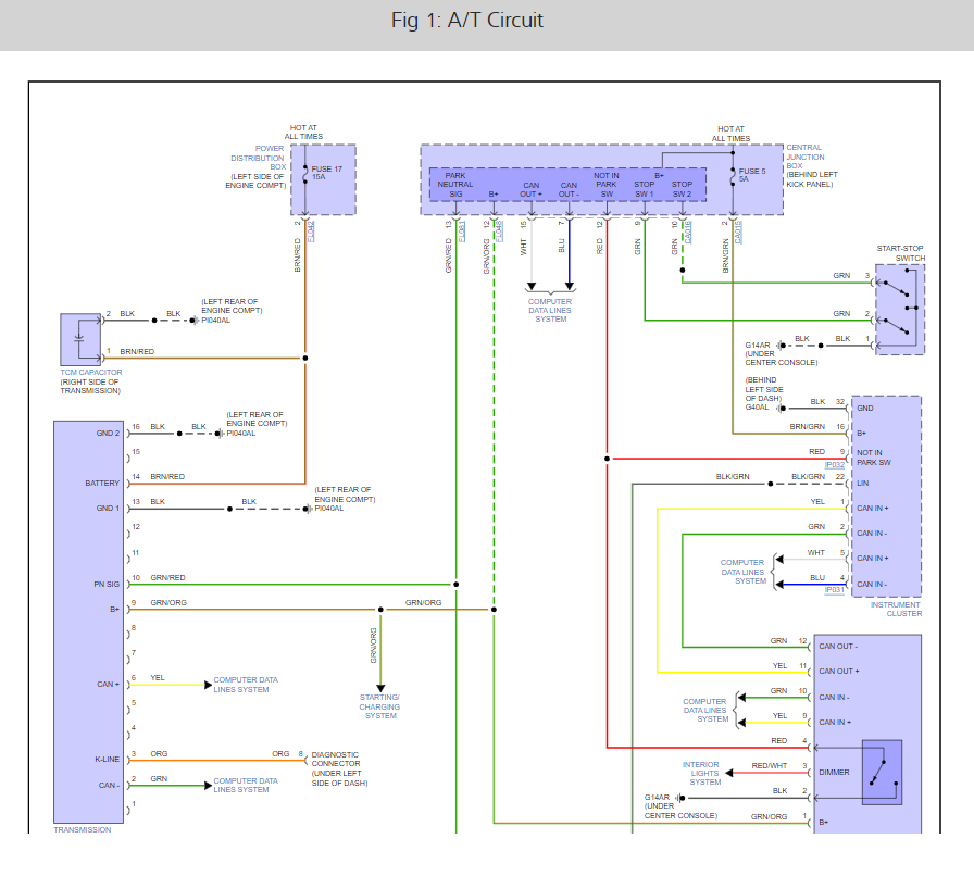
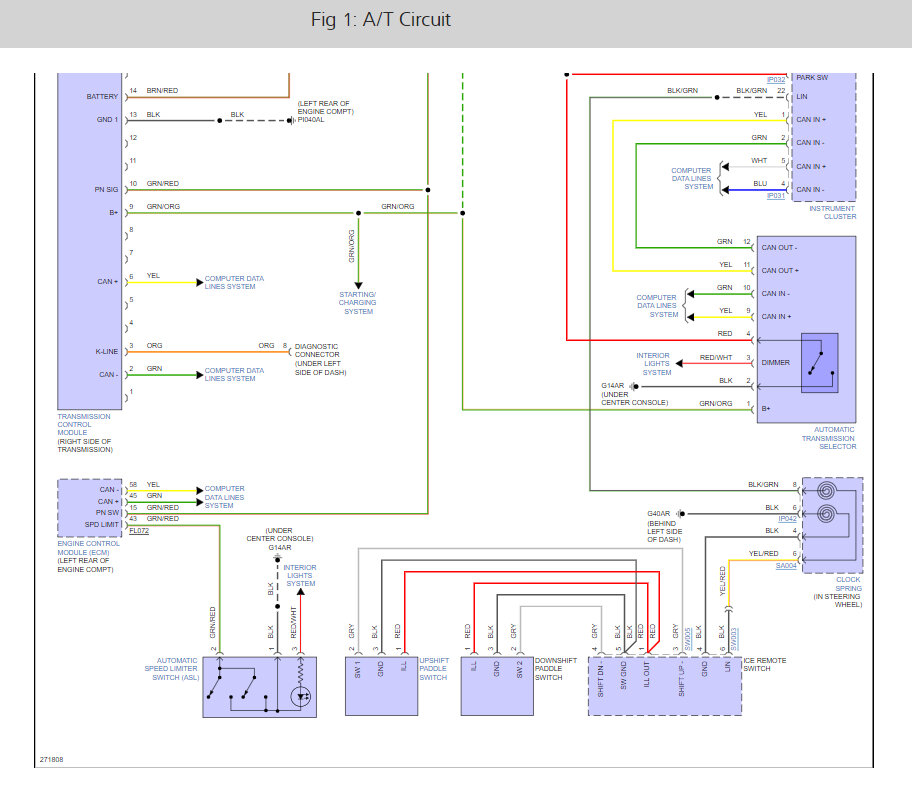
I recently went to shift into park and the shifter on my car shifted all the way into park, but the car registers the vehicle as being in reverse. The car won’t start as it’s in reverse and the shifter won’t move from park back into reverse. Any clue what could cause that?
Nov 15, 2022 at 1:48 PM







