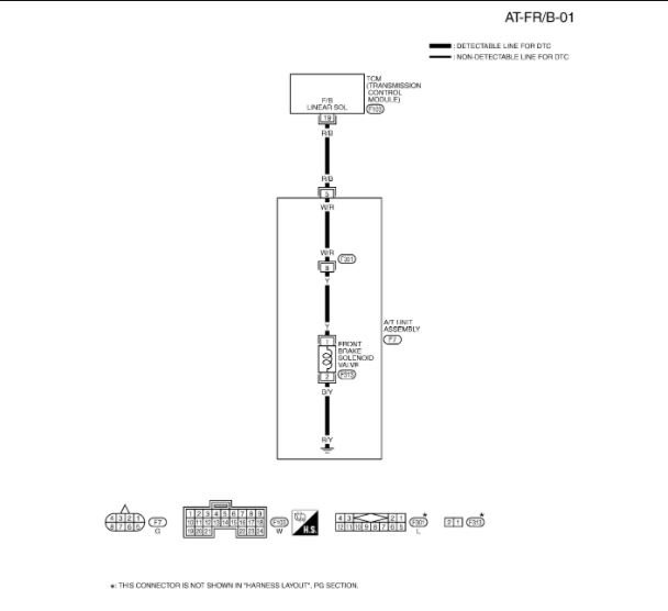
Check light came on had code read and says A/T FR/B Solenoid Valve Circuit Malfunction.
If i'm stopped and drive the car wont go. i step on gas and is slowly driving takes awhile to kick in and drive or wont drive at all.
Does this sound right?
If i'm stopped and drive the car wont go. i step on gas and is slowly driving takes awhile to kick in and drive or wont drive at all.
Does this sound right?
Sep 21, 2021 at 1:03 AM






