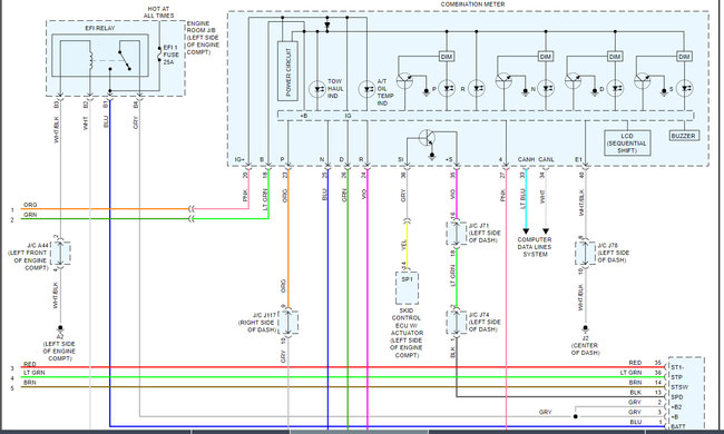
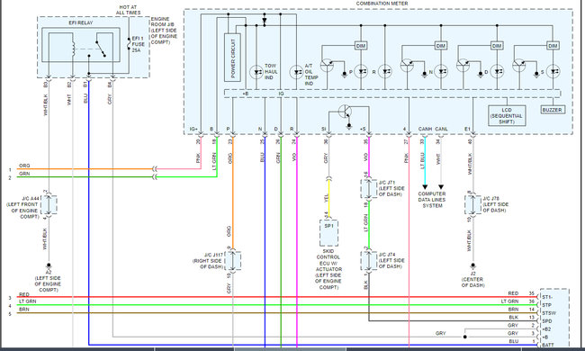
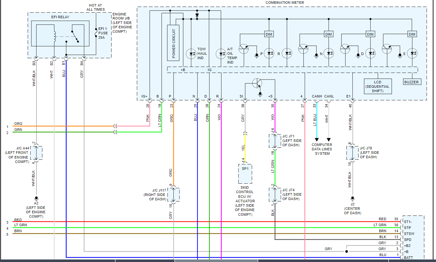
Transmission won't shift into 5 and 6 gears, but drives normal with all other gears. computer shows shift solenoid D, pressure control solenoid B, pressure control solenoid D, secondary air injector system switching valve stuck open bank 1. what do you suggest?
Jul 5, 2020 at 8:35 AM








