The transfer case actuator keeps going out

2010 RAM 2500
1,300,000 MILES • 5.7L • V8 • 4WD • AUTOMATIC
Avatar
JLGUESS
  • MEMBER
  • 2 POSTS
This will be my fourth actuator in 6 months. Yes, it's a Mopar part. Fortunately, it's under warranty. I have chased wires. They all test good. TCCM test good. I don't have access to a program to show me how wires are run through the truck. I have a cheap scanner for codes and that's about it. I live far from the city to bring it in to a shop.

I have been looking online for a similar issue with no luck.

Just wondering if anyone can help.
May 5, 2022 at 10:16 PM
Advertisement
Avatar
KASEKENNY
  • CERTIFIED EXPERT
  • 18,907 POSTS
Can we start with you providing the last 8 of your VIN?

This will confirm which transmission and transfer case you have.

Also, can you let me know how they are failing? Are there any codes when it fails? I suspect there is an open circuit code.

https://www.2carpros.com/articles/checking-a-service-engine-soon-or-check-engine-light-on-or-flashing

Clearly, we don't have an issue with the actuator but more than likely there is a short that is causing the actuator to fail. We need to be careful because if you take it back again, they are going to stop replacing them because they are going to figure out that there is something else causing these to fail.

Lastly when you say that the TCCM checks out. I assume you mean the Drivetrain Control Module so how did you prove this out as being okay?

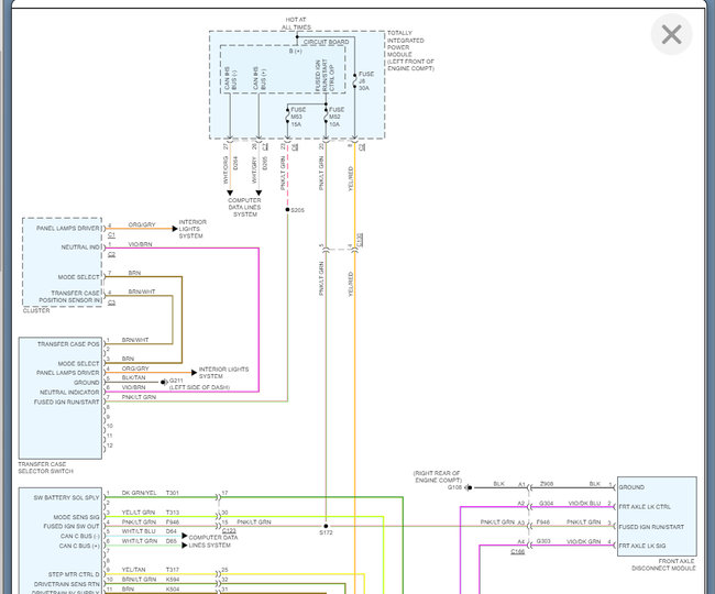
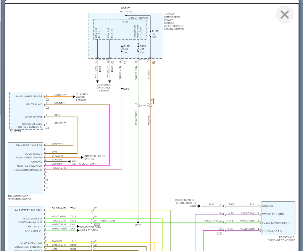
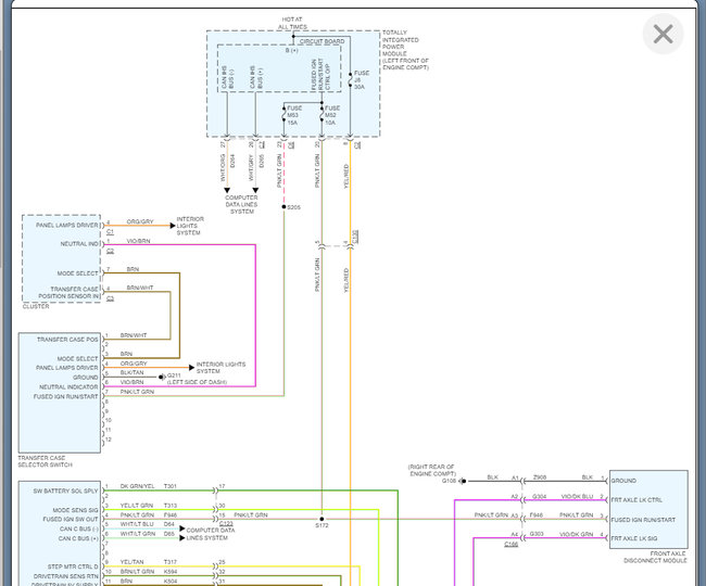
I am attaching the wiring diagram below which is what we are going to need to prove out that there is a short.

Let's start with this info and go from there.

Thanks
May 6, 2022 at 3:24 PM
Avatar
JLGUESS
  • MEMBER
  • 2 POSTS
The last 8 of the vin are AG169975.

It's a Canada truck. Now an AZ truck.

We put a power probe on it. Are all of the actuator motors did was made a small humming sound. It didn't move the gears at all. My friend tested the DCM and the wires with an ohm meter, it tested between 5.0 5.4 for the DCM and wires tested between 4.3 and 5.4. We did the same with the fuse box in the engine compartment.
May 6, 2022 at 5:01 PM
Advertisement
Avatar
KASEKENNY
  • CERTIFIED EXPERT
  • 18,907 POSTS
Okay. If putting the actuator on it and it never worked, then we have a control issue.

Let's dig a little further into these voltage readings. What circuits are you on and where when you are getting these voltage readings?

Or were these ohm readings?

If the actuator doesn't do anything other than hum, I suspect this is due to the voltage not being correct so please take a look at the wiring diagram that I attached above and tell me what the voltage is on each wire when the engine is on and you putting it in 4WD.

Thanks
May 6, 2022 at 6:48 PM