Hello,
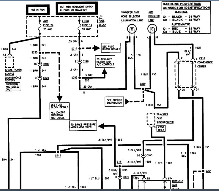
4WD on my SUV listed above has stopped working. No light on floor unit and no engaging.
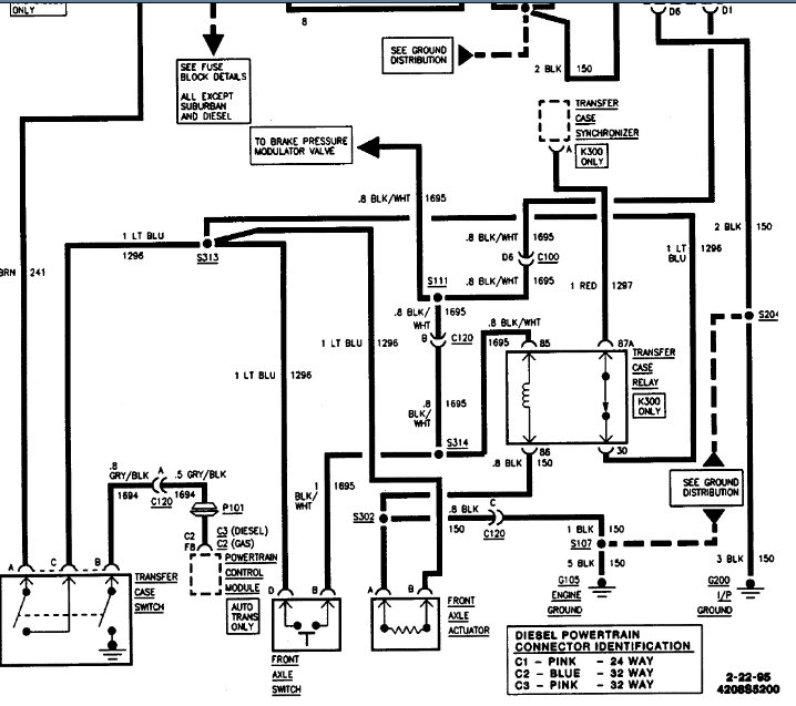
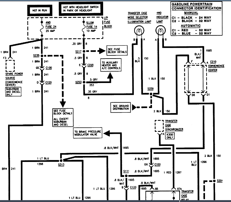
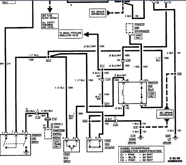
I have discovered the wire harness leading from the front axle/actuator back to the transfer case has been disconnected or broken. I have been told to connect the wire to the transfer case switch on top left of transfer case. It's a power lead to that switch, if that's correct. I'll be trying to locate and repair that over the weekend.
Here is my other problem with some broken wires that are toward the back top of transfer case, they appear to be "glued" to the back floor of the truck. There are two wires broken which might have to connect together? You can see in the picture which two wires and a white connector of some kind on the very bottom of the image. Is that a speed sensor, and should those two wires be connected together? If those aren't connected, what problems will I run into with 4wd operation?
The green/black wire might affect my fuel gauge system?, that stopped working correctly years ago.
There is also a green/black wire leading off to the right that is frayed, but I haven't tracked down where that goes as yet. Any help there would be much appreciated.
In case anyone asks, I have already worked on the front wiring pigtails to the actuator etc. they were corroded and were replaced. Now I just need to connect that wire to transfer case and repair the others you see there.
Thank you!
4WD on my SUV listed above has stopped working. No light on floor unit and no engaging.
I have discovered the wire harness leading from the front axle/actuator back to the transfer case has been disconnected or broken. I have been told to connect the wire to the transfer case switch on top left of transfer case. It's a power lead to that switch, if that's correct. I'll be trying to locate and repair that over the weekend.
Here is my other problem with some broken wires that are toward the back top of transfer case, they appear to be "glued" to the back floor of the truck. There are two wires broken which might have to connect together? You can see in the picture which two wires and a white connector of some kind on the very bottom of the image. Is that a speed sensor, and should those two wires be connected together? If those aren't connected, what problems will I run into with 4wd operation?
The green/black wire might affect my fuel gauge system?, that stopped working correctly years ago.
There is also a green/black wire leading off to the right that is frayed, but I haven't tracked down where that goes as yet. Any help there would be much appreciated.
In case anyone asks, I have already worked on the front wiring pigtails to the actuator etc. they were corroded and were replaced. Now I just need to connect that wire to transfer case and repair the others you see there.
Thank you!
Nov 14, 2019 at 7:37 AM




