Transfer case swap out issue?

2004 CHEVROLET SILVERADO
180,000 MILES • 5.3L • V8 • 4WD • AUTOMATIC
Avatar
TATT2TEX11
  • MEMBER
  • 1 POST
I have taken the transfer case out of a 1999 Cadillac Escalade and am trying to place it on my truck listed above k1500 single cab 4x4. The problem is the wiring connectors in the Chevy's wiring harness on the transmission do not match the ones on the transfer case and transfer motor. How do I solve this problem?
Apr 26, 2023 at 6:28 PM
Advertisement
Avatar
STRAILER
  • CERTIFIED EXPERT
  • 53,854 POSTS
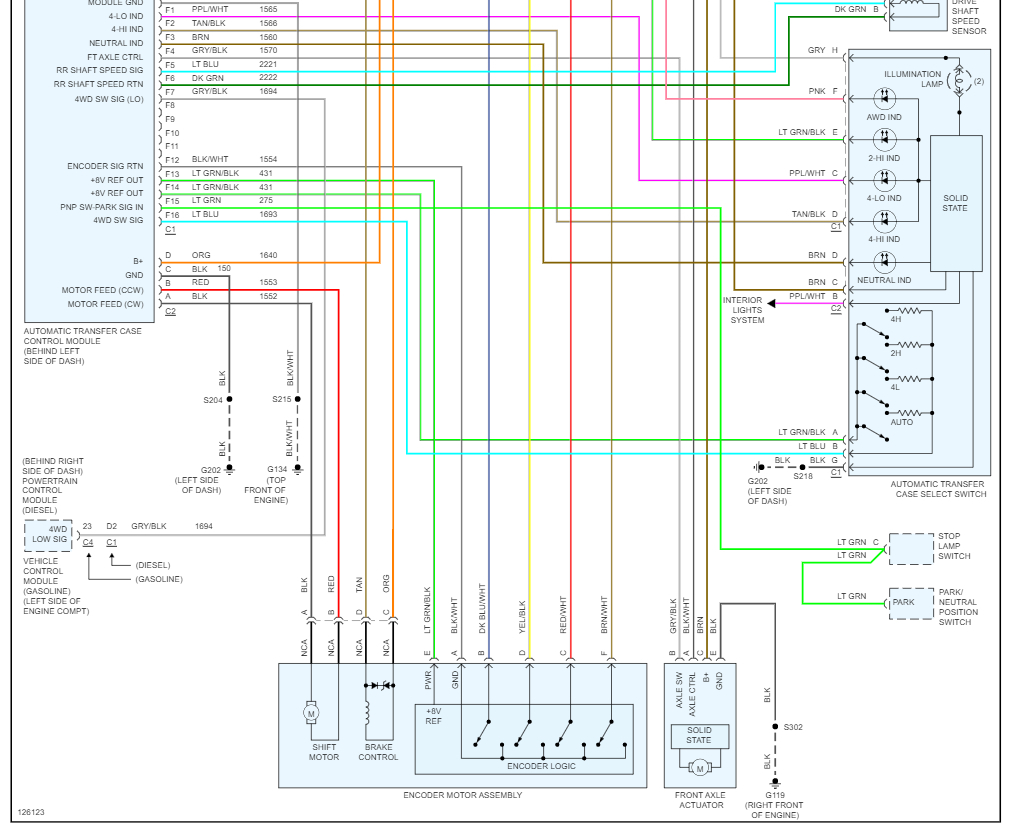
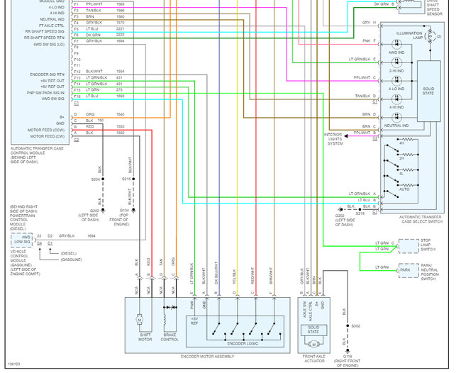
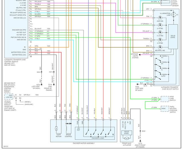
Here are both wiring diagrams for the 1999 Cadillac Escalade and the 2004 Chevy Silverado, see if you can match the wires to each of the transfer cases. Check out the images (below). Let us know what happens and please upload pictures or videos of the problem so we can see what's going on.
Apr 27, 2023 at 4:49 PM