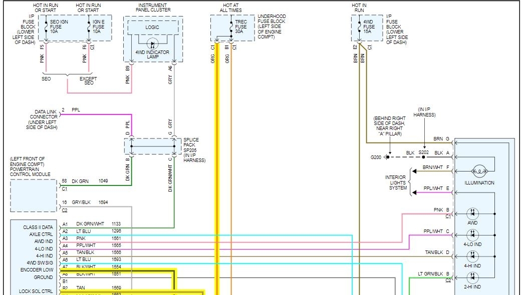
When checking for 5vlt at signal wire (Lt grn/blck + blk/wht)at female end of harness at encoder motor. I don't get a reading until I put one lead to the frame. Same happens when I check return signal with jumper.
I check all wires from module to encoder motor and from engine to module for ohms, nothing over .2. I checked voltage at module I had 5.06 volts at signal wire same as above. I had 12.5 volt for battery.
Do you think the tcc module is bad at the blck/wht (encoder low reference) wirer?
I check all wires from module to encoder motor and from engine to module for ohms, nothing over .2. I checked voltage at module I had 5.06 volts at signal wire same as above. I had 12.5 volt for battery.
Do you think the tcc module is bad at the blck/wht (encoder low reference) wirer?
Dec 22, 2020 at 10:46 AM





