Transfer case

2002 ISUZU TROOPER
150,000 MILES
Avatar
WESRICHEY
  • MEMBER
  • 2 POSTS
I have a 4x4 that when it is in four wheel drive it is fine. But when you try to put it into two wheel drive the front right wheel wont disengage. What could cause this?
Sep 8, 2017 at 8:55 PM
Advertisement
Avatar
STEVE W.
  • CERTIFIED EXPERT
  • 15,113 POSTS
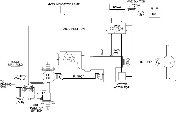
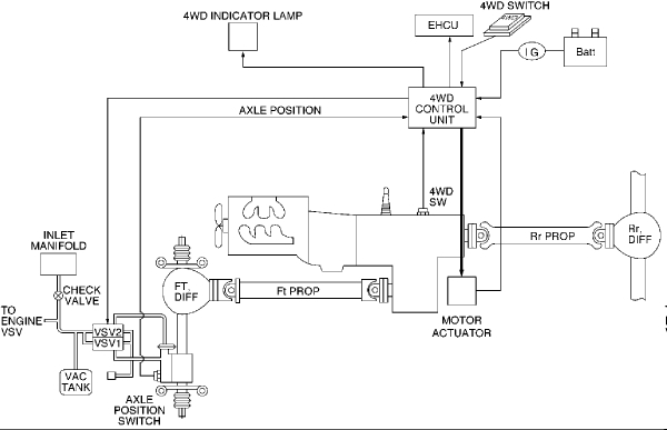
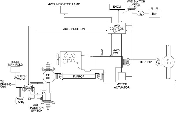
Could be a couple items. The front actuator is vacuum controlled. When you push the button the 4WD control module sends a signal to a vacuum switch. It moves and sends vacuum to the apply side of the actuator and vents the disengage side. This moves the locking collar over the splines and locks the axle. When you push the button to go into 2WD the 4WD control module releases the vacuum switch and it should move back to the other position. That applies vacuum to the disengage side of the actuator as well as venting the apply side and uncouples the axle.

Common failures are the vacuum solenoid and the vacuum lines themselves. Have also seen times the vent was pinched or had bug nests in it that stopped it from venting. The actuator can fail as well but that usually means it will not shift into 4X4 to begin with.
Sep 8, 2017 at 10:21 PM
Avatar
WESRICHEY
  • MEMBER
  • 2 POSTS
Thank you I will give that a shot.
Sep 9, 2017 at 6:43 AM
Advertisement
Avatar
STRAILER
  • CERTIFIED EXPERT
  • 53,855 POSTS
Please let us know what happens so it will help others.

Cheers, Ken
Sep 11, 2017 at 11:28 AM