Transmission wiring schematic needed

2014 JEEP GRAND CHEROKEE
120 MILES • 3.6L • 6 CYL • 4WD • AUTOMATIC
Avatar
JOSE RIVERA2
  • MEMBER
  • 3 POSTS
My 2014 Grand Cherokee Summit hasn't started for two weeks, and when I press the start button, the dashboard won't turn off. I think the transmission is disconnected or has an open circuit. Does anyone have a wiring diagram? It displays messages such as: (Vehicle Not in Park) (Until You Reach a Desired Location You May Not Be Able to Shift Again Until Serviced.) (Service Transmission Continue in D. Do Not Shift or Turn Engine Off)
Apr 10, 2025 at 4:57 AM
Advertisement
Avatar
STRAILER
  • CERTIFIED EXPERT
  • 53,854 POSTS
I would run the codes to help see what is going on and which codes are stored.

https://www.2carpros.com/articles/checking-a-service-engine-soon-or-check-engine-light-on-or-flashing

and here is a guide to help you test the wiring with the transmissions wiring diagrams as requested.

https://www.2carpros.com/articles/how-to-check-wiring

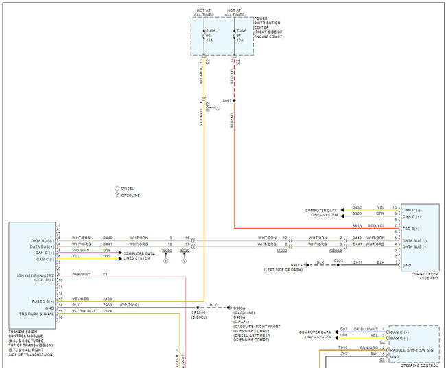
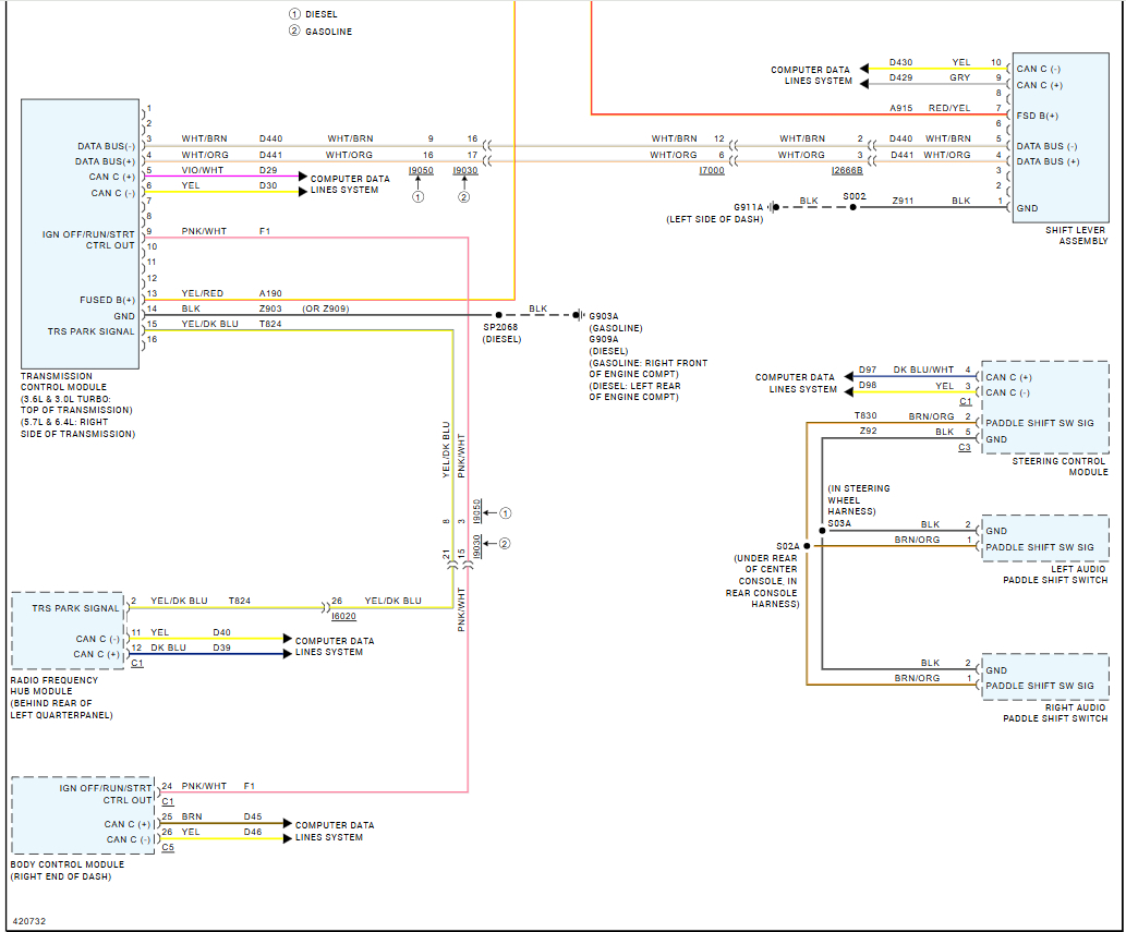
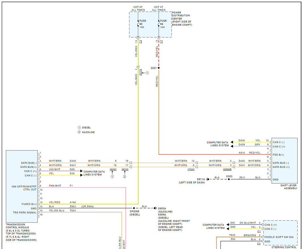
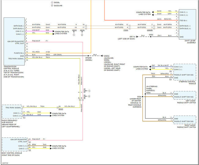
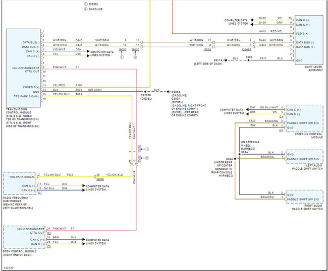
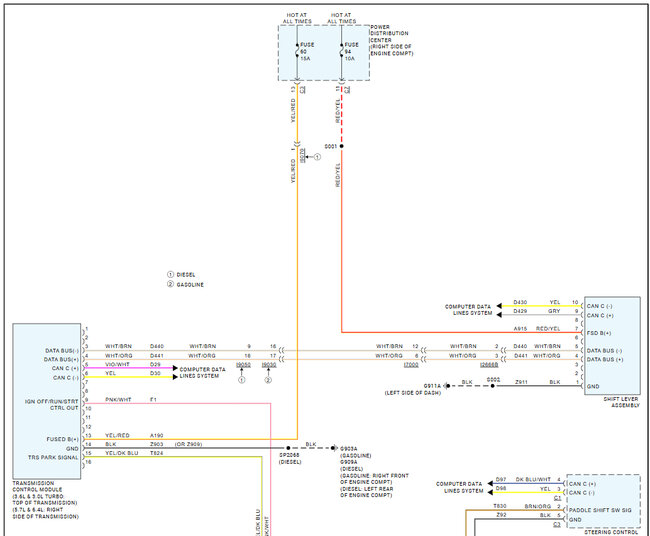
I can tell you I have seen the shift lever sensor go out and cause this kind of issue. Check out the images (below). Please let us know what happens.

Apr 14, 2025 at 11:23 AM
Avatar
JOSE RIVERA2
  • MEMBER
  • 3 POSTS
Hi, Ken L.
I have no power at pin #9, the pink wire with the white tracer (IGN OFF/RUN/STRT). I don't know where this wire ends because once it reaches the transmission it splits (Y) in the other direction. I don't know where to look, much less what to do. All the fuses and relays are fine. CODE = P1DCA / CODE = U0101
Apr 20, 2025 at 12:07 PM
Advertisement
Avatar
STRAILER
  • CERTIFIED EXPERT
  • 53,854 POSTS
That wire goes to the BCM, but this is a signal wire that tells the module the car has been turned off so it might not have power or ground when testing.

Code P1DCA - Torque Request Signal from TCM Denied

Code U0101 - Lost Communication with TCM (Transmission Control Module)

So it looks like you might have a bad TCM which is the valve body. I would remove it and get a rebuilt unit. Let us know how it goes
Apr 21, 2025 at 9:47 AM
Avatar
JOSE RIVERA2
  • MEMBER
  • 3 POSTS
I can find someone who can program the TCM. But I need to know how to replace the TCM and the valve body that connects it. The question is, do you know of any videos that show me how to replace it? Thank you in advance for your time and patience.
May 5, 2025 at 5:06 PM
Avatar
STRAILER
  • CERTIFIED EXPERT
  • 53,854 POSTS
Sure, here is how to change out the valve body and TCM which is a common failure in these cars. Check out the images (below). Let us know what you find.
May 6, 2025 at 10:14 AM