transmission issue flush / fill/ filter change?

2018 CHEVROLET TRAX
148,000 MILES • 1.4L • 4 CYL • TURBO • 4WD • AUTOMATIC
Avatar
HKFROMNY.
  • MEMBER
  • 112 POSTS
Just took it to service garage, they told me trans lines rusty and leaking, needs flush / fill/ filter change. Anything you can tell me as to how extensive this should be , time wise, and any video links you could provide would be appreciated.
Apr 22, 2026 at 2:07 PM
Advertisement
Avatar
STRAILER
  • CERTIFIED EXPERT
  • 53,854 POSTS
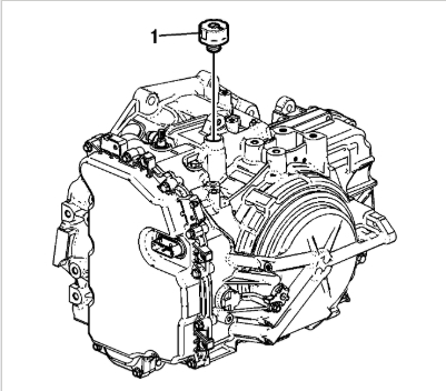
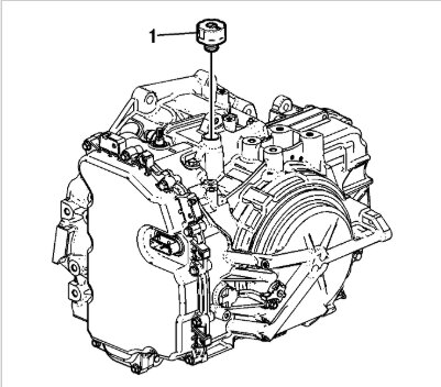
Hello, The book get 2.5 hours to change the lines. Trax trans oil cooler line replacement lands around $552-$695 total, with labor making up a big chunk of that. The Trax uses DEXRON-VI automatic transmission fluid. There is no serviceable filter so the fluid is a dump and fill, here is how the job is done in the images below. Let us know if you need anything else.
Apr 23, 2026 at 8:29 AM
Avatar
HKFROMNY.
  • MEMBER
  • 112 POSTS
Yes, this follows the same info i pulled up, however, this filter isn't exactly serviceable, but I see it can be changed out, which from what I gather, is why they said a min. of 4.5 hrs for said job since trans will need be split open and entails a lot more time, this dump and flush would be expensive enough, and something I could do myself but being disabled, ill have them do it.
Apr 23, 2026 at 9:06 AM
Advertisement
Avatar
STRAILER
  • CERTIFIED EXPERT
  • 53,854 POSTS
Yep, you are correct, the filter is inside the case, this a big job and at this point you might want to get a rebuilt unit if the fluid is burnt with 148k on it.
Apr 24, 2026 at 7:33 AM
Avatar
HKFROMNY.
  • MEMBER
  • 112 POSTS
Yup, the tech told me the same thing about the mileage building up particle sludge on internal mesh filters, said there are multiple one, so the best course is to change it out too, the quoted me $858.00 for the job, including the work they did doing the diagnostic test , drain, flush, filter change out, and new lines installed, its a good chunk of change but i feel it will be good as new after. And, if something goes wrong after that, they should honor their warranty on job....atleast they better,,,they have a pretty good reputation in town.
Apr 24, 2026 at 8:16 AM
Avatar
STRAILER
  • CERTIFIED EXPERT
  • 53,854 POSTS
Yep, sounds good, please let me know wat happens after the service.
Apr 24, 2026 at 8:27 AM
Avatar
HKFROMNY.
  • MEMBER
  • 112 POSTS
Will be glad to
Apr 24, 2026 at 12:13 PM
Avatar
STRAILER
  • CERTIFIED EXPERT
  • 53,854 POSTS
Thank you, have a good weekend!
Apr 25, 2026 at 7:56 AM