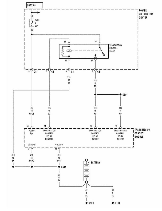
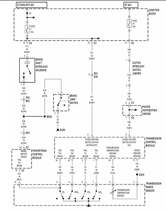
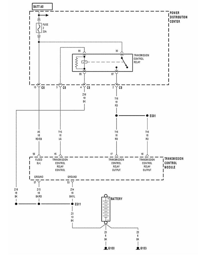
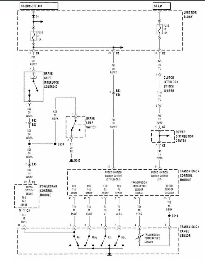
I am looking for the transmission harness diagram for the car listed above base model.
Sep 27, 2019 at 5:31 PM
Advertisement
STEVE W.
CERTIFIED EXPERT
15,113 POSTS
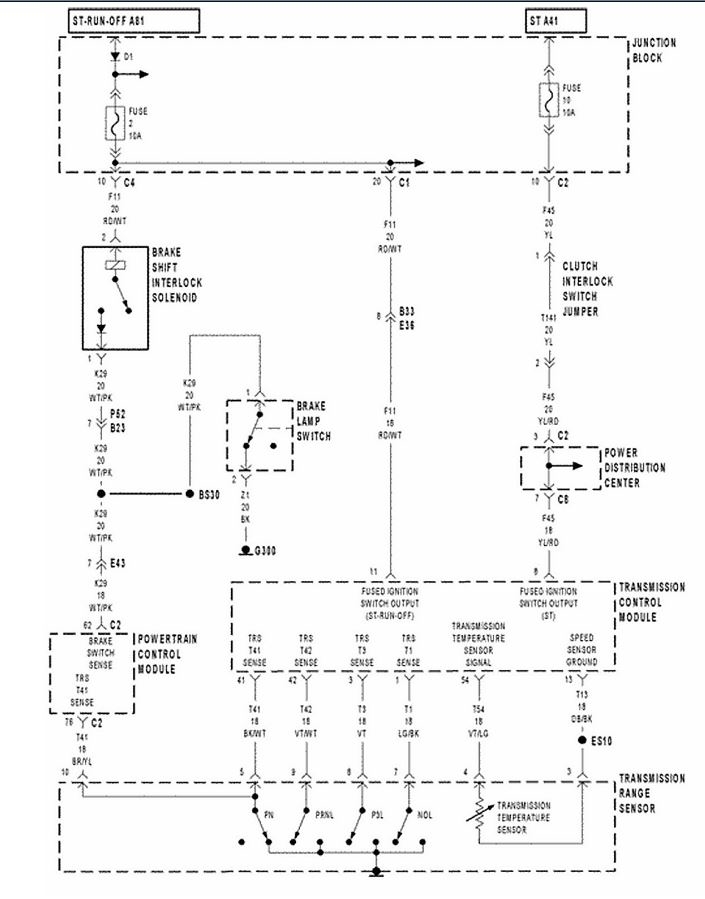
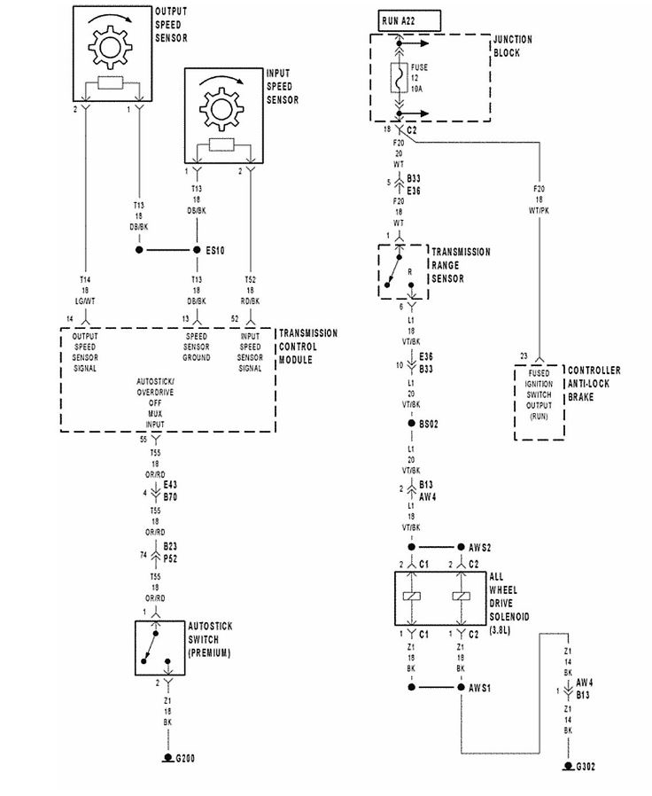
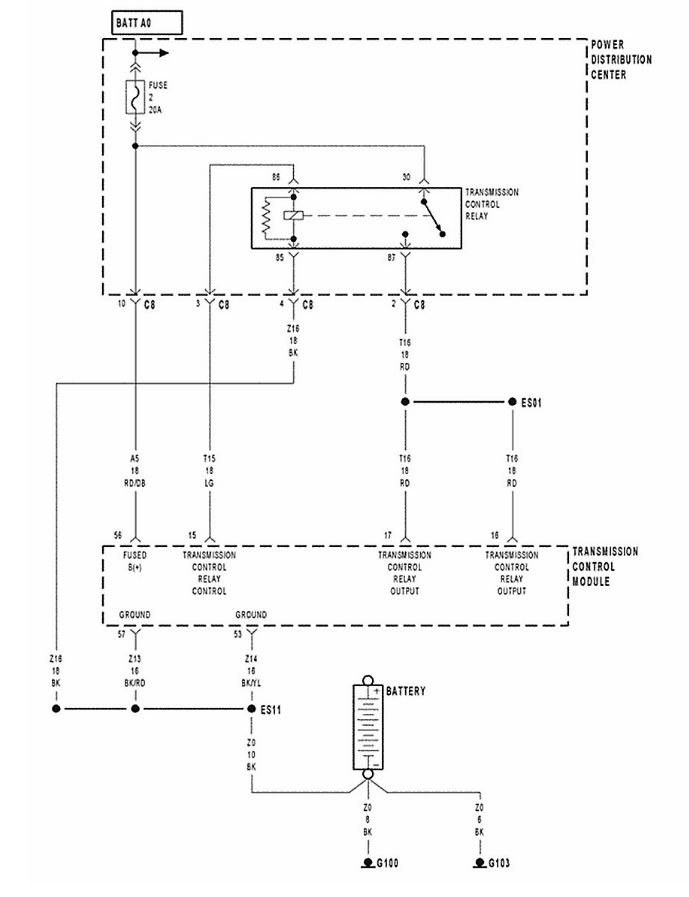
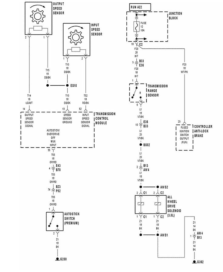
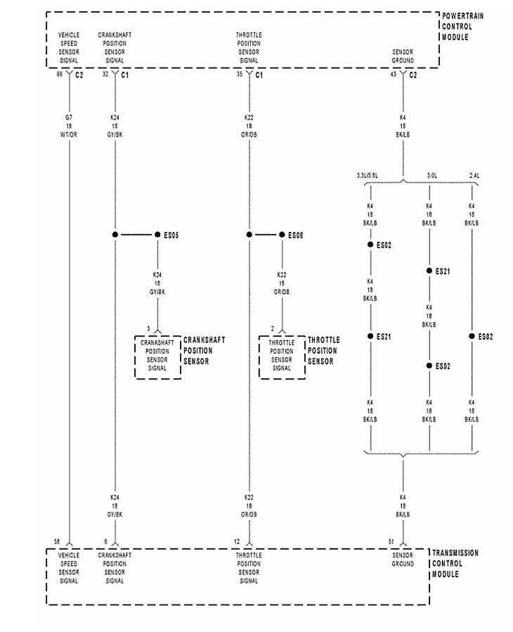
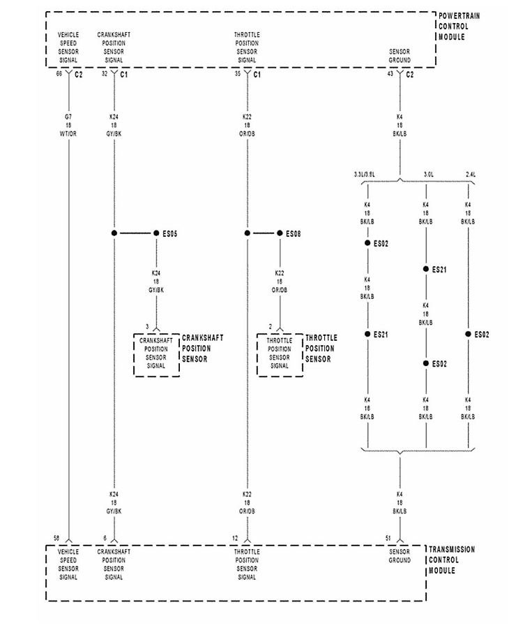
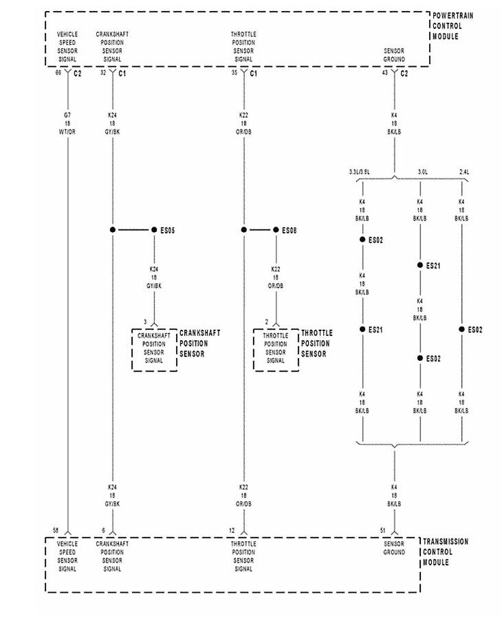
Welcome to 2CarPros. This is the transmission control harness. There are other wires in that harness as well. but these are the transmission controls. Check out the diagrams (Below). Please let us know if you need anything else to get the problem fixed.