Hey there,
My car does not engage in drive once i start it in the morning the car will not even move no matter what the rpm is. The car would reverse if put in R.
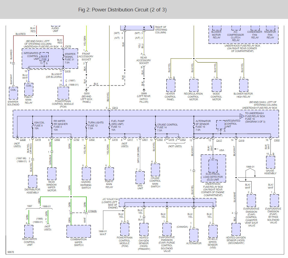
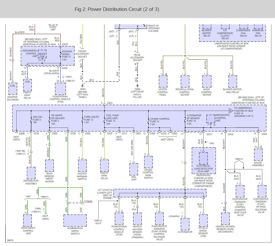
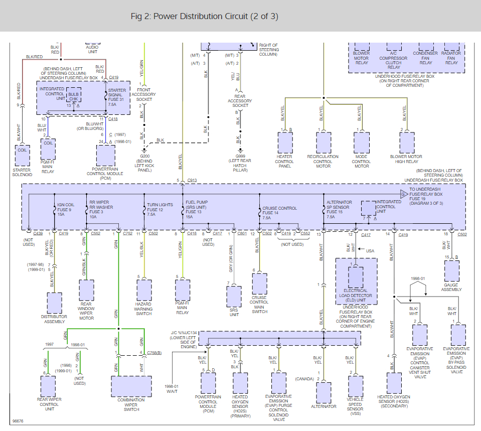
To get it to move i have to wait few minutes until the car warms up. the car has check engine light i scanned it and it showed u0101 lost communication with TCM.
The car has no transmission dipstick, so i have no idea if the fluid is low or burnt.
My car does not engage in drive once i start it in the morning the car will not even move no matter what the rpm is. The car would reverse if put in R.
To get it to move i have to wait few minutes until the car warms up. the car has check engine light i scanned it and it showed u0101 lost communication with TCM.
The car has no transmission dipstick, so i have no idea if the fluid is low or burnt.
Aug 20, 2017 at 8:39 PM





