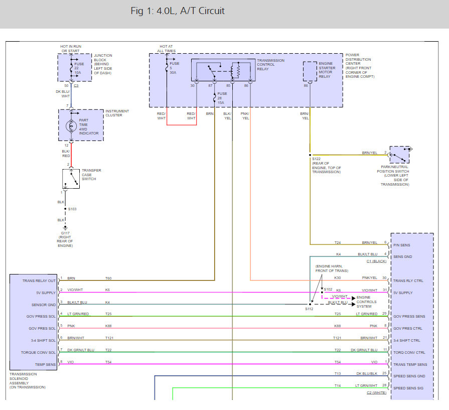
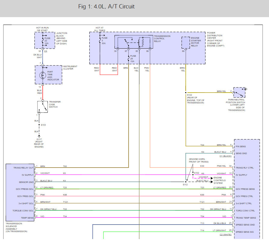
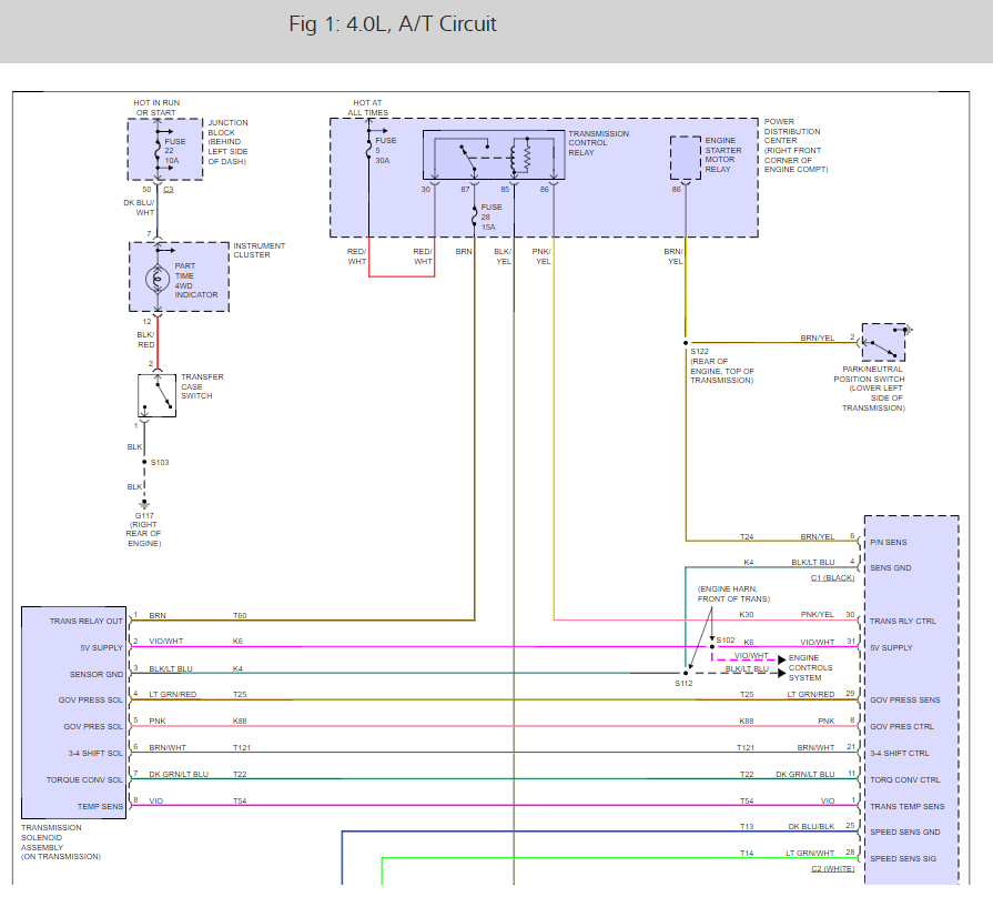
Possible shift solenoid, leaking transmission fluid and will not shift from second to third. Any help is appreciated and if you have instructional pictures on repairing the problem please send those too.
Jan 22, 2018 at 3:36 PM



